(単位:mm)
シール形超小形基本スイッチ
この商品について
関連情報
情報更新 : 2020/04/01
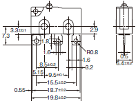
(単位:mm)
イラスト・図面は、はんだづけ端子の場合です。タブ端子(#110)、プリント基板用端子は、「端子の種類/形状」をご覧ください。
(注. 省略している寸法は、ピン押ボタン形と同一です。)
□の中には、端子仕様による記号が入ります。組み合わせ可能な形式については「種類」をご覧ください。
形D2SW-3□
形D2SW-01□
形D2SW-3L1□
形D2SW-01L1□
形D2SW-3L3□
形D2SW-01L3□
形D2SW-3L2□
形D2SW-01L2□
ピン押ボタン形を代表して掲載します。他のアクチュエータタイプのアクチュエータ部の寸法および動作特性は、端子タイプのものと同一です。
イラスト・図面は、1cタイプの場合です。1bタイプ、1aタイプは省略しています。
形D2SW-3M
形D2SW-3M-0
形D2SW-01M
形D2SW-01M-0
注1. 上記、外形寸法図中、指定のない部分の寸法公差は±0.4㎜です。
注2. 動作特性は、A方向(
)に動作した場合です。
情報更新 : 2020/04/01
© Copyright OMRON Corporation 1996 - 2026.
All Rights Reserved.
