Page top

(単位:mm)

XS5W ケーブル付コネクタ ソケット/プラグ両側コネクタ

ストレート(ソケット)/ストレート(プラグ)

難燃性、PVCロボットケーブル
形XS5W-D421-□81-F
難燃性、細径PVCロボットケーブル
形XS5W-D425-□81-S
耐油強化ポリウレタンケーブル
形XS5W-D421-□81-P
耐スパッタケーブル
形XS5W-D421-□81-SA

XS5 外形寸法 2

L形(ソケット)/L形(プラグ)

難燃性、PVCロボットケーブル
形XS5W-D422-□81-F

XS5 外形寸法 3

ストレート(ソケット)/L形(プラグ)

難燃性、PVCロボットケーブル
形XS5W-D423-□81-F

XS5 外形寸法 4

L形(ソケット)/ストレート(プラグ)

難燃性、PVCロボットケーブル
形XS5W-D424-□81-F

XS5 外形寸法 5

注. 耐油強化ポリウレタンケーブル(形XS5W-D42□-□81-P)、耐スパッタケーブル(形XS5W-D421-□81-SA)は
  カバー色が黒、難燃性、PVCロボットケーブル(形XS5W-D42□-□81-F)、難燃性、細径PVCロボットケーブル
  (形XS5W-D425-□81-S)、耐油強化ポリウレタンロボットケーブル(形XS5W-D42B-□81-PR)はカバー色
  がワームグレーとなります。

XS5F ケーブル付コネクタ ソケット片側コネクタ

ストレート

難燃性、PVCロボットケーブル
形XS5F-D421-□80-F
難燃性、細径PVCロボットケーブル
形XS5F-D423-□80-S
耐油強化ポリウレタンロボットケーブル
形XS5F-D42B-□80-PR
耐油強化ポリウレタンケーブル
形XS5F-D421-□80-P
耐スパッタケーブル
形XS5F-D421-□80-SA

XS5 外形寸法 8

L形

難燃性、PVCロボットケーブル
形XS5F-D422-□80-F
耐油強化ポリウレタンケーブル
形XS5F-D422-□80-P
耐油強化ポリウレタンロボットケーブル
形XS5F-D42C-□80-PR

XS5 外形寸法 9

注. 耐油強化ポリウレタンケーブル(形XS5F-D42□-□80-P)、耐スパッタケーブル(形XS5F-D421-□80-SA)は
  カバー色が黒、難燃性、PVCロボットケーブル(形XS5F-D42□-□80-F)、難燃性、細径PVCロボットケーブル
  (形XS5F-D423-□80-S)、耐油強化ポリウレタンロボットケーブル(形XS5F-D42□-□80-PR)はカバー色が
  ワームグレーとなります。

XS5H ケーブル付コネクタ プラグ片側コネクタ

ストレート

難燃性、PVCロボットケーブル
形XS5H-D421-□80-F
難燃性、細径PVCロボットケーブル
形XS5H-D423-□80-S
耐油強化ポリウレタンケーブル
形XS5H-D421-□80-P
耐スパッタケーブル
形XS5H-D421-□80-SA

XS5 外形寸法 12

L形

難燃性、PVCロボットケーブル
形XS5H-D422-□80-F
耐油強化ポリウレタンケーブル
形XS5H-D422-□80-P

XS5 外形寸法 13

注. 耐油強化ポリウレタンケーブル(形XS5H-D42□-□80-P)、耐スパッタケーブル(形XS5H-D421-□80-SA)はカバー色が黒、
  難燃性、PVCロボットケーブル(形XS5H-D42□-□80-F)はカバー色がワームグレーとなります。

XS5□ ケーブル付コネクタ(8極タイプ)

ソケット片側コネクタ

形XS5F-D821-□H0-R

XS5 外形寸法 16

プラグパネル取りつけ用コネクタ(フロントロックタイプ)

形XS5M-D827-4

XS5 外形寸法 17

パネル加工寸法

XS5 外形寸法 18

XS5G 組立式コネクタ プラグ

ストレートタイプ

形XS5G-D418(圧接タイプ)

XS5 外形寸法 20

形XS5G-D4C□(圧着タイプ)
形XS5G-D42□(はんだタイプ)

XS5 外形寸法 21

形XS5G-D□S□(ねじ結線タイプ、適合ケーブル外径φ7、8用)

XS5 外形寸法 22

形XS5G-D□S□(ねじ結線タイプ、適合ケーブル外径φ3、4、6用)

XS5 外形寸法 23

L形タイプ

形XS5G-D42□(はんだタイプ)

XS5 外形寸法 24

形XS5G-D□S□(ねじ結線タイプ)

XS5 外形寸法 25

形XS5G用圧着コンタクト

形XS5U-312□

※圧着には専用工具が必要です。詳細はデータシートをご覧ください。

XS5 外形寸法 27

XS5C 組立式コネクタ ソケット

ストレートタイプ

形XS5C-D418(圧接タイプ)

XS5 外形寸法 29

形XS5C-D4C□(圧着タイプ)
形XS5C-D42□(はんだタイプ)

XS5 外形寸法 30

形XS5C-D□S□(ねじ結線タイプ、適合ケーブル外径φ7、8用)

XS5 外形寸法 31

形XS5C-D□S□(ねじ結線タイプ、適合ケーブル外径φ3、4、6用)

XS5 外形寸法 32

L形タイプ

形XS5C-D4C□(圧着タイプ)
形XS5C-D42□(はんだタイプ)

XS5 外形寸法 33

形XS5C-D□S□(ねじ結線タイプ)

XS5 外形寸法 34

形XS5C用圧着コンタクト

形XS5U-222□

※圧着には専用工具が必要です。詳細はデータシートをご覧ください。

XS5 外形寸法 36

XS5R Y字形ジョイントプラグ/ソケット

Y字形ジョイント プラグ/ソケット 両側コネクタ

形XS5R-D426-□11-F

XS5 外形寸法 38

Y字形ジョイント ソケット 片側コネクタ

形XS5R-D426-□10-F

XS5 外形寸法 39

Y字形ジョイント プラグ/ソケット 両側コネクタ

形XS5R-D426-□

XS5 外形寸法 40

XS5P パネル取りつけタイプ/ソケット

電線つき

リアロックタイプ

形XS5P-D426-5

XS5 外形寸法 43

フロントロックタイプ

形XS5P-D427-5

XS5 外形寸法 44

ソルダーカップ端子

リアロックタイプ

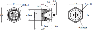
形XS5P-D426-4

XS5 外形寸法 46

形XS5P-D526-4

XS5 外形寸法 47

フロントロックタイプ

形XS5P-D427-4

XS5 外形寸法 48

形XS5P-D527-4

XS5 外形寸法 49

パネル加工寸法

XS5 外形寸法 50

XS5M パネル取りつけタイプ/プラグ

電線つき

リアロックタイプ

形XS5M-D426-5

XS5 外形寸法 53

フロントロックタイプ

形XS5M-D427-5

XS5 外形寸法 54

ソルダーカップ端子

リアロックタイプ

形XS5M-D426-4

XS5 外形寸法 56

形XS5M-D526-4

XS5 外形寸法 57

フロントロックタイプ

形XS5M-D427-4

XS5 外形寸法 58

形XS5M-D527-4

XS5 外形寸法 59

パネル加工寸法

XS5 外形寸法 60

Amazonギフト券が当たる!

サイトユーザーアンケートにご協力ください

2025/11/30(日)まで

詳しくはこちら