Page top

P2RFZ / P2RF, P2R, P7TF, PYFZ / PYF, PTFZ / PTF, PYD, PT, P7LF, PF, P2CF, PFA, P3G / P3GA, PL

共用ソケット

P2RFZ / P2RF, P2R, P7TF, PYFZ / PYF, PTFZ / PTF, PYD, PT, P7LF, PF, P2CF, PFA, P3G / P3GA, PL

角形ソケット、丸形ソケット、および保持金具、リレーソケットPYF用渡りバー

※ Web特別価格提供品

(単位:mm)

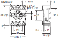
P2RF

形P2RFZ-05(1極)

P2RFZ / P2RF, P2R, P7TF, PYFZ / PYF, PTFZ / PTF, PYD, PT, P7LF, PF, P2CF, PFA, P3G / P3GA, PL 外形寸法 2

形P2RFZ-05-E(1極)(フィンガープロテクト構造)

P2RFZ / P2RF, P2R, P7TF, PYFZ / PYF, PTFZ / PTF, PYD, PT, P7LF, PF, P2CF, PFA, P3G / P3GA, PL 外形寸法 3

形P2RFZ-08(2極)

P2RFZ / P2RF, P2R, P7TF, PYFZ / PYF, PTFZ / PTF, PYD, PT, P7LF, PF, P2CF, PFA, P3G / P3GA, PL 外形寸法 4

形P2RFZ-08-E(2極)(フィンガープロテクト構造)

P2RFZ / P2RF, P2R, P7TF, PYFZ / PYF, PTFZ / PTF, PYD, PT, P7LF, PF, P2CF, PFA, P3G / P3GA, PL 外形寸法 5

注. I/O SSR、表示灯モジュールを使用される場合①端子が(-)極性となりますのでご注意ください。

P2R

形P2R-05P(1極)

P2RFZ / P2RF, P2R, P7TF, PYFZ / PYF, PTFZ / PTF, PYD, PT, P7LF, PF, P2CF, PFA, P3G / P3GA, PL 外形寸法 8

形P2R-08P(2極)

P2RFZ / P2RF, P2R, P7TF, PYFZ / PYF, PTFZ / PTF, PYD, PT, P7LF, PF, P2CF, PFA, P3G / P3GA, PL 外形寸法 9

形P2R-057P(1極)

P2RFZ / P2RF, P2R, P7TF, PYFZ / PYF, PTFZ / PTF, PYD, PT, P7LF, PF, P2CF, PFA, P3G / P3GA, PL 外形寸法 10

形P2R-087P(2極)

P2RFZ / P2RF, P2R, P7TF, PYFZ / PYF, PTFZ / PTF, PYD, PT, P7LF, PF, P2CF, PFA, P3G / P3GA, PL 外形寸法 11

形P2R-05A(1極)

P2RFZ / P2RF, P2R, P7TF, PYFZ / PYF, PTFZ / PTF, PYD, PT, P7LF, PF, P2CF, PFA, P3G / P3GA, PL 外形寸法 12

形P2R-08A(2極)

P2RFZ / P2RF, P2R, P7TF, PYFZ / PYF, PTFZ / PTF, PYD, PT, P7LF, PF, P2CF, PFA, P3G / P3GA, PL 外形寸法 13

注. I/O SSR、表示灯モジュールを使用される場合①端子が(-)極性となりますのでご注意ください。

P7TF

形P7TF-05

P2RFZ / P2RF, P2R, P7TF, PYFZ / PYF, PTFZ / PTF, PYD, PT, P7LF, PF, P2CF, PFA, P3G / P3GA, PL 外形寸法 16

注. I/O SSR、表示灯モジュールを使用される場合①端子が(+)極性となりますのでご注意ください。

PYFZ/PYF

形PYFZ-08

P2RFZ / P2RF, P2R, P7TF, PYFZ / PYF, PTFZ / PTF, PYD, PT, P7LF, PF, P2CF, PFA, P3G / P3GA, PL 外形寸法 19

形PYFZ-08-E(フィンガープロテクト構造)

P2RFZ / P2RF, P2R, P7TF, PYFZ / PYF, PTFZ / PTF, PYD, PT, P7LF, PF, P2CF, PFA, P3G / P3GA, PL 外形寸法 20

形PYF08M

P2RFZ / P2RF, P2R, P7TF, PYFZ / PYF, PTFZ / PTF, PYD, PT, P7LF, PF, P2CF, PFA, P3G / P3GA, PL 外形寸法 21

形PYF11A

P2RFZ / P2RF, P2R, P7TF, PYFZ / PYF, PTFZ / PTF, PYD, PT, P7LF, PF, P2CF, PFA, P3G / P3GA, PL 外形寸法 22

形PYFZ-14

P2RFZ / P2RF, P2R, P7TF, PYFZ / PYF, PTFZ / PTF, PYD, PT, P7LF, PF, P2CF, PFA, P3G / P3GA, PL 外形寸法 23

形PYFZ-14-E(フィンガープロテクト構造)

P2RFZ / P2RF, P2R, P7TF, PYFZ / PYF, PTFZ / PTF, PYD, PT, P7LF, PF, P2CF, PFA, P3G / P3GA, PL 外形寸法 24

PYFZ/PYF用短絡バー

同一ソケット内の渡り

形PYD-020B□(2P)

P2RFZ / P2RF, P2R, P7TF, PYFZ / PYF, PTFZ / PTF, PYD, PT, P7LF, PF, P2CF, PFA, P3G / P3GA, PL 外形寸法 27

形PYD-030B□(3P)

P2RFZ / P2RF, P2R, P7TF, PYFZ / PYF, PTFZ / PTF, PYD, PT, P7LF, PF, P2CF, PFA, P3G / P3GA, PL 外形寸法 28

隣接ソケット間の渡り

形PYD-025B□(2P)

P2RFZ / P2RF, P2R, P7TF, PYFZ / PYF, PTFZ / PTF, PYD, PT, P7LF, PF, P2CF, PFA, P3G / P3GA, PL 外形寸法 30

形PYD-085B□(8P)

P2RFZ / P2RF, P2R, P7TF, PYFZ / PYF, PTFZ / PTF, PYD, PT, P7LF, PF, P2CF, PFA, P3G / P3GA, PL 外形寸法 31

形PYD-026B□(2P)

P2RFZ / P2RF, P2R, P7TF, PYFZ / PYF, PTFZ / PTF, PYD, PT, P7LF, PF, P2CF, PFA, P3G / P3GA, PL 外形寸法 32

形PYD-086B□(8P)

P2RFZ / P2RF, P2R, P7TF, PYFZ / PYF, PTFZ / PTF, PYD, PT, P7LF, PF, P2CF, PFA, P3G / P3GA, PL 外形寸法 33

PYFZ-08/PYFZ-14用端子カバー

端子カバー取りつけ時の外形寸法

形PYCZ-C08

P2RFZ / P2RF, P2R, P7TF, PYFZ / PYF, PTFZ / PTF, PYD, PT, P7LF, PF, P2CF, PFA, P3G / P3GA, PL 外形寸法 36

形PYCZ-C14

P2RFZ / P2RF, P2R, P7TF, PYFZ / PYF, PTFZ / PTF, PYD, PT, P7LF, PF, P2CF, PFA, P3G / P3GA, PL 外形寸法 37

PY

形PY08
形PY08-Y1(L=42以下)
形PY08-Y3(L=60以下)

P2RFZ / P2RF, P2R, P7TF, PYFZ / PYF, PTFZ / PTF, PYD, PT, P7LF, PF, P2CF, PFA, P3G / P3GA, PL 外形寸法 39

*形PY08-Y□の場合は破線部も含む。

形PY08QN
形PY08QN2
形PY08QN-Y1
形PY08QN2-Y1

P2RFZ / P2RF, P2R, P7TF, PYFZ / PYF, PTFZ / PTF, PYD, PT, P7LF, PF, P2CF, PFA, P3G / P3GA, PL 外形寸法 40

*1. 形PY08QN(2)-Y1の場合は破線部も含む。
*2.(  )内寸法は形PY08QN2(-Y1)を表わす。

形PY08-02

P2RFZ / P2RF, P2R, P7TF, PYFZ / PYF, PTFZ / PTF, PYD, PT, P7LF, PF, P2CF, PFA, P3G / P3GA, PL 外形寸法 41

・耐フラックス構造ではありません。
 手はんだ付け推奨品です。

形PY11
形PY11-Y1

P2RFZ / P2RF, P2R, P7TF, PYFZ / PYF, PTFZ / PTF, PYD, PT, P7LF, PF, P2CF, PFA, P3G / P3GA, PL 外形寸法 42

*形PY11-Y1の場合は破線部も含む。

形PY11QN
形PY11QN2
形PY11QN-Y1
形PY11QN2-Y1

P2RFZ / P2RF, P2R, P7TF, PYFZ / PYF, PTFZ / PTF, PYD, PT, P7LF, PF, P2CF, PFA, P3G / P3GA, PL 外形寸法 43

*1. 形PY11QN(2)-Y1の場合は破線部も含む。
*2.(  )内寸法は形PY11QN2(-Y1)を表わす。

形PY11-02

P2RFZ / P2RF, P2R, P7TF, PYFZ / PYF, PTFZ / PTF, PYD, PT, P7LF, PF, P2CF, PFA, P3G / P3GA, PL 外形寸法 44

・耐フラックス構造ではありません。
 手はんだ付け推奨品です。

形PY14
形PY14-Y1(L=42以下)
形PY14-Y3(L=60以下)

P2RFZ / P2RF, P2R, P7TF, PYFZ / PYF, PTFZ / PTF, PYD, PT, P7LF, PF, P2CF, PFA, P3G / P3GA, PL 外形寸法 45

*形PY14-Y□の場合は破線部も含む。

形PY14QN
形PY14QN2
形PY14QN-Y1(L=42以下)
形PY14QN2-Y1(L=42以下)
形PY14QN-Y3(L=60以下)
形PY14QN2-Y3(L=60以下)

P2RFZ / P2RF, P2R, P7TF, PYFZ / PYF, PTFZ / PTF, PYD, PT, P7LF, PF, P2CF, PFA, P3G / P3GA, PL 外形寸法 46

*1. 形PY14QN-Y□、形PY14QN2-Y□の場合は破線部も含む。
*2.(  )内寸法は形PY14QN2(-Y□)を表わす。

形PY14-02

P2RFZ / P2RF, P2R, P7TF, PYFZ / PYF, PTFZ / PTF, PYD, PT, P7LF, PF, P2CF, PFA, P3G / P3GA, PL 外形寸法 47

・耐フラックス構造ではありません。
 手はんだ付け推奨品です。

注1. ソケットの取りつけパネルは板厚1~2mmをご使用ください。
  2. 形PY14-Y1および形PY14QN-Y1は、形MY4シリーズ、形MY4H、形MYQ4(Z)、形MY2Kに適用できます。
  3. 形PY14-Y3および形PY14QN-Y3は、形H3Y(タイマ)に適用できます。

PTF

形PTF08A

P2RFZ / P2RF, P2R, P7TF, PYFZ / PYF, PTFZ / PTF, PYD, PT, P7LF, PF, P2CF, PFA, P3G / P3GA, PL 外形寸法 50

形PTFZ-08-E(フィンガープロテクト構造)

P2RFZ / P2RF, P2R, P7TF, PYFZ / PYF, PTFZ / PTF, PYD, PT, P7LF, PF, P2CF, PFA, P3G / P3GA, PL 外形寸法 51

形PTF11A

P2RFZ / P2RF, P2R, P7TF, PYFZ / PYF, PTFZ / PTF, PYD, PT, P7LF, PF, P2CF, PFA, P3G / P3GA, PL 外形寸法 52

形PTF14A

P2RFZ / P2RF, P2R, P7TF, PYFZ / PYF, PTFZ / PTF, PYD, PT, P7LF, PF, P2CF, PFA, P3G / P3GA, PL 外形寸法 53

形PTFZ-14-E(フィンガープロテクト構造)

P2RFZ / P2RF, P2R, P7TF, PYFZ / PYF, PTFZ / PTF, PYD, PT, P7LF, PF, P2CF, PFA, P3G / P3GA, PL 外形寸法 54

注. 形PTF08A、形PT08と形LY1のリレーと組み合わせてご使用の場合は、
  端子No.①-②間、③-④間、⑤-⑥間を各々短絡させてください。(10A以上ご使用時)

PT

形PT08

P2RFZ / P2RF, P2R, P7TF, PYFZ / PYF, PTFZ / PTF, PYD, PT, P7LF, PF, P2CF, PFA, P3G / P3GA, PL 外形寸法 57

形PT08QN

P2RFZ / P2RF, P2R, P7TF, PYFZ / PYF, PTFZ / PTF, PYD, PT, P7LF, PF, P2CF, PFA, P3G / P3GA, PL 外形寸法 58

形PT08-0

P2RFZ / P2RF, P2R, P7TF, PYFZ / PYF, PTFZ / PTF, PYD, PT, P7LF, PF, P2CF, PFA, P3G / P3GA, PL 外形寸法 59

形PT11

P2RFZ / P2RF, P2R, P7TF, PYFZ / PYF, PTFZ / PTF, PYD, PT, P7LF, PF, P2CF, PFA, P3G / P3GA, PL 外形寸法 60

形PT11QN

P2RFZ / P2RF, P2R, P7TF, PYFZ / PYF, PTFZ / PTF, PYD, PT, P7LF, PF, P2CF, PFA, P3G / P3GA, PL 外形寸法 61

形PT11-0

P2RFZ / P2RF, P2R, P7TF, PYFZ / PYF, PTFZ / PTF, PYD, PT, P7LF, PF, P2CF, PFA, P3G / P3GA, PL 外形寸法 62

形PT14

P2RFZ / P2RF, P2R, P7TF, PYFZ / PYF, PTFZ / PTF, PYD, PT, P7LF, PF, P2CF, PFA, P3G / P3GA, PL 外形寸法 63

形PT14QN

P2RFZ / P2RF, P2R, P7TF, PYFZ / PYF, PTFZ / PTF, PYD, PT, P7LF, PF, P2CF, PFA, P3G / P3GA, PL 外形寸法 64

形PT14-0

P2RFZ / P2RF, P2R, P7TF, PYFZ / PYF, PTFZ / PTF, PYD, PT, P7LF, PF, P2CF, PFA, P3G / P3GA, PL 外形寸法 65

注. ソケットの取りつけパネルは板厚1~2mmをご使用ください。

P7LF

形P7LF-06

P2RFZ / P2RF, P2R, P7TF, PYFZ / PYF, PTFZ / PTF, PYD, PT, P7LF, PF, P2CF, PFA, P3G / P3GA, PL 外形寸法 68

PF

形PF083A

P2RFZ / P2RF, P2R, P7TF, PYFZ / PYF, PTFZ / PTF, PYD, PT, P7LF, PF, P2CF, PFA, P3G / P3GA, PL 外形寸法 70

形PF083A-E

P2RFZ / P2RF, P2R, P7TF, PYFZ / PYF, PTFZ / PTF, PYD, PT, P7LF, PF, P2CF, PFA, P3G / P3GA, PL 外形寸法 71

形PF085A

P2RFZ / P2RF, P2R, P7TF, PYFZ / PYF, PTFZ / PTF, PYD, PT, P7LF, PF, P2CF, PFA, P3G / P3GA, PL 外形寸法 72

形PF113A

P2RFZ / P2RF, P2R, P7TF, PYFZ / PYF, PTFZ / PTF, PYD, PT, P7LF, PF, P2CF, PFA, P3G / P3GA, PL 外形寸法 73

形PF113A-E

P2RFZ / P2RF, P2R, P7TF, PYFZ / PYF, PTFZ / PTF, PYD, PT, P7LF, PF, P2CF, PFA, P3G / P3GA, PL 外形寸法 74

注1. 形PF083A、形PF113Aはソケットのキー溝が上側です。(適用機種 形MK)
  2. -Eタイプはフィンガープロテクト構造です。丸形端子はご使用になれません。Y形端子などをご使用ください。

P2CF

形P2CF-08

P2RFZ / P2RF, P2R, P7TF, PYFZ / PYF, PTFZ / PTF, PYD, PT, P7LF, PF, P2CF, PFA, P3G / P3GA, PL 外形寸法 77

形P2CF-08-E

P2RFZ / P2RF, P2R, P7TF, PYFZ / PYF, PTFZ / PTF, PYD, PT, P7LF, PF, P2CF, PFA, P3G / P3GA, PL 外形寸法 78

形P2CF-11

P2RFZ / P2RF, P2R, P7TF, PYFZ / PYF, PTFZ / PTF, PYD, PT, P7LF, PF, P2CF, PFA, P3G / P3GA, PL 外形寸法 79

形P2CF-11-E

P2RFZ / P2RF, P2R, P7TF, PYFZ / PYF, PTFZ / PTF, PYD, PT, P7LF, PF, P2CF, PFA, P3G / P3GA, PL 外形寸法 80

PFA

形8PFA

P2RFZ / P2RF, P2R, P7TF, PYFZ / PYF, PTFZ / PTF, PYD, PT, P7LF, PF, P2CF, PFA, P3G / P3GA, PL 外形寸法 82

形8PFA1

P2RFZ / P2RF, P2R, P7TF, PYFZ / PYF, PTFZ / PTF, PYD, PT, P7LF, PF, P2CF, PFA, P3G / P3GA, PL 外形寸法 83

形11PFA

P2RFZ / P2RF, P2R, P7TF, PYFZ / PYF, PTFZ / PTF, PYD, PT, P7LF, PF, P2CF, PFA, P3G / P3GA, PL 外形寸法 84

形14PFA

P2RFZ / P2RF, P2R, P7TF, PYFZ / PYF, PTFZ / PTF, PYD, PT, P7LF, PF, P2CF, PFA, P3G / P3GA, PL 外形寸法 85

P3G/P3GA

形P3G-08

P2RFZ / P2RF, P2R, P7TF, PYFZ / PYF, PTFZ / PTF, PYD, PT, P7LF, PF, P2CF, PFA, P3G / P3GA, PL 外形寸法 87

注. 端子カバー(形Y92A-48G)と合わせて使用することにより、
  フィンガープロテクトが可能です。

形P3GA-11

P2RFZ / P2RF, P2R, P7TF, PYFZ / PYF, PTFZ / PTF, PYD, PT, P7LF, PF, P2CF, PFA, P3G / P3GA, PL 外形寸法 88

注. 端子カバー(形Y92A-48G)と合わせて使用することにより、
  フィンガープロテクトが可能です。

端子カバー

形Y92A-48G

P2RFZ / P2RF, P2R, P7TF, PYFZ / PYF, PTFZ / PTF, PYD, PT, P7LF, PF, P2CF, PFA, P3G / P3GA, PL 外形寸法 90

PL

形PL08

P2RFZ / P2RF, P2R, P7TF, PYFZ / PYF, PTFZ / PTF, PYD, PT, P7LF, PF, P2CF, PFA, P3G / P3GA, PL 外形寸法 92

形PL08-Q

P2RFZ / P2RF, P2R, P7TF, PYFZ / PYF, PTFZ / PTF, PYD, PT, P7LF, PF, P2CF, PFA, P3G / P3GA, PL 外形寸法 93

形PLE08-0

P2RFZ / P2RF, P2R, P7TF, PYFZ / PYF, PTFZ / PTF, PYD, PT, P7LF, PF, P2CF, PFA, P3G / P3GA, PL 外形寸法 94

形PL11

P2RFZ / P2RF, P2R, P7TF, PYFZ / PYF, PTFZ / PTF, PYD, PT, P7LF, PF, P2CF, PFA, P3G / P3GA, PL 外形寸法 95

形PL11-Q

P2RFZ / P2RF, P2R, P7TF, PYFZ / PYF, PTFZ / PTF, PYD, PT, P7LF, PF, P2CF, PFA, P3G / P3GA, PL 外形寸法 96

形PLE11-0

P2RFZ / P2RF, P2R, P7TF, PYFZ / PYF, PTFZ / PTF, PYD, PT, P7LF, PF, P2CF, PFA, P3G / P3GA, PL 外形寸法 97

形PL15

P2RFZ / P2RF, P2R, P7TF, PYFZ / PYF, PTFZ / PTF, PYD, PT, P7LF, PF, P2CF, PFA, P3G / P3GA, PL 外形寸法 98

形PL20

P2RFZ / P2RF, P2R, P7TF, PYFZ / PYF, PTFZ / PTF, PYD, PT, P7LF, PF, P2CF, PFA, P3G / P3GA, PL 外形寸法 99