Page top
商品情報トップ
ソリューショントップ
現場の異常にすばやく対応できるシステムをテンプレート活用で簡単構築
現場と経営の情報連携プラットフォームを専門的なIT知識不要で構築
ダウンロードセンタトップ
サービスサポートトップ
eラーニング・セミナトップ
オムロンの提供価値トップ
販売ネットワークトップ
パワーリレー
形式一覧/価格/オンライン購入
※ Web特別価格提供品
ログインで価格を確認
この商品について
関連情報
情報更新 : 2026/03/02
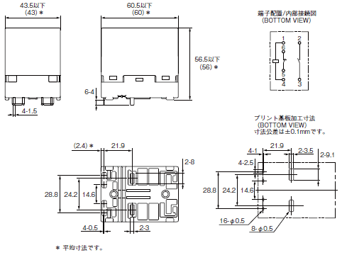
(単位:mm)