(単位:mm)
バイパワーリレー
             
        
情報更新 : 2025/05/19
(単位:mm)
 
       
    
 
       
    
 
       
    
 
       
    
 
       
    
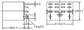
            形LY1F
形LY2F
形LY2ZF
        
 
       
    注. イラスト、外形寸法図は形LY1Fのものです。形LY2Fおよび形LY2ZFもこれに準じます。
 
       
    
 
       
     
       
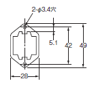
    取りつけ穴加工寸法
 
       
     
       
    形PTFZ-08-E(フィンガープロテクト構造)
 
       
    取りつけ穴加工寸法
 
       
     
       
    取りつけ穴加工寸法
 
       
     
       
    取りつけ穴加工寸法
 
       
     
       
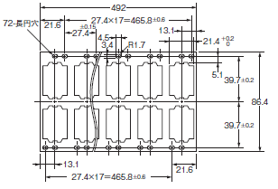
    形PTFZ-14-E(フィンガープロテクト構造)
 
       
    取りつけ穴加工寸法
 
       
    注. 形PTF-08-PU、形PTF-08-PU-L、形PTF08A、形PTFZ-08-E、形PT08と形LY1のリレーと組み合わせてご使用の場合は、端子No.①-②間、③-④間、⑤-⑥間を各々短絡させてください。(10A以上ご使用時)
 
       
     
       
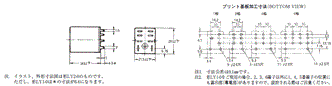
    取りつけ穴およびプリント基板加工寸法
 
       
     
       
    取りつけ穴およびプリント基板加工寸法
 
       
     
       
     
       
    取りつけ穴およびプリント基板加工寸法
 
       
     
       
    取りつけ穴およびプリント基板加工寸法
 
       
     
       
     
       
    取りつけ穴およびプリント基板加工寸法
 
       
     
       
    取りつけ穴およびプリント基板加工寸法
 
       
    注. ソケットの取りつけパネルは板厚1~2mmをご使用ください。
            約0.54g(1本あたり)
1セット(2本)
        
 
       
    約1.4g
 
       
    約1.8g
 
       
    
            約0.7g(1本あたり)
1セット(2本)
        
 
       
    約6g
 
       
    裏面ソケットを多数個並べて取りつける場合にご使用ください。
 
       
     
       
     
       
     
       
     
       
     
       
     
       
     
       
    情報更新 : 2025/05/19