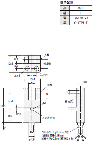
(単位:mm)
情報更新 : 2017/02/27
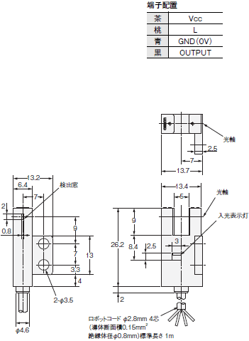
(単位:mm)
指定なき寸法公差:公差等級 IT16
形EE-SX670/670P
形EE-SX670A/670R
形EE-SX470
形EE-SX671/671P
形EE-SX671A/671R
形EE-SX471
形EE-SX672/672P
形EE-SX672A/672R
形EE-SX472
形EE-SX673/673P
形EE-SX673A/673R
形EE-SX473
形EE-SX674/674P
形EE-SX674A/674R
形EE-SX474
情報更新 : 2017/02/27
© Copyright OMRON Corporation 1996 - 2026.
All Rights Reserved.
