S8NR-S
接続
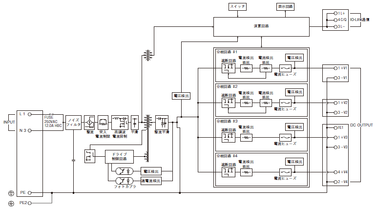
ブロック図
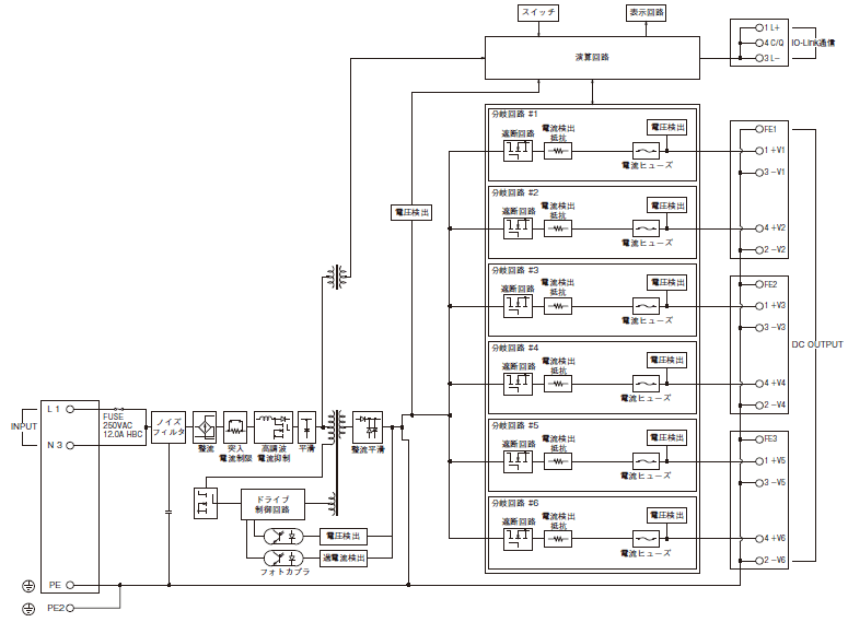
形S8NR-S36024-A0L2-IL3
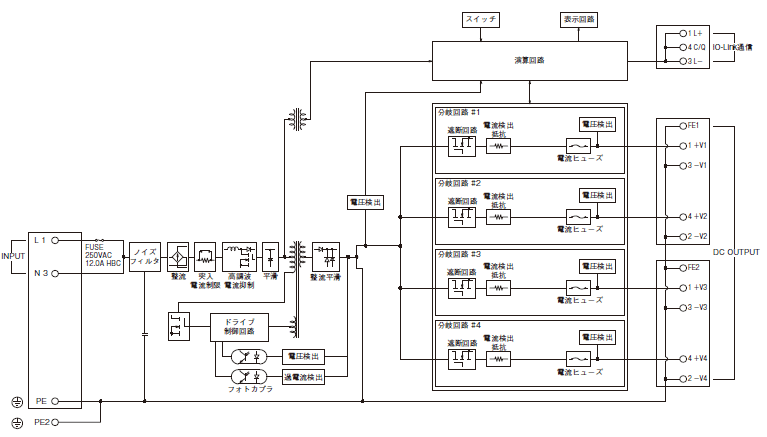
形S8NR-S36024-A2L1-IL3
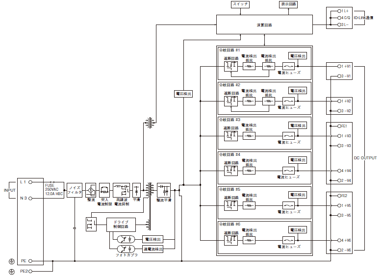
形S8NR-S60024-A0L3-IL3
形S8NR-S60024-A2L2-IL3
S8R-BB
接続
ブロック図
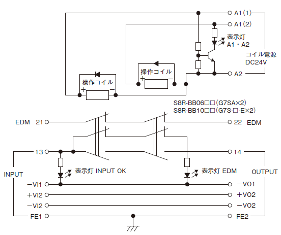
形S8R-BB06□□
形S8R-BB10□□
耐環境型IP67・パワーサプライ/DC遮断BOX
IP67対応と機能集約で盤外での電源・安全回路構築をシンプルに実現
形S8NR-S36024-A0L2-IL3
形S8NR-S36024-A2L1-IL3
形S8NR-S60024-A0L3-IL3
形S8NR-S60024-A2L2-IL3
形S8R-BB06□□
形S8R-BB10□□