Page top

New

K3CV

IO-Link ADコンバータ

K3CV

アナログ信号を高精度でデジタル信号に変換し、IO-Link通信で出力。信号の精度と信頼性を向上しつつ、簡単配線でコスト削減に貢献

※ Web特別価格提供品

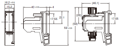
(単位:mm)

本体

形K3CV

K3CV 外形寸法 2

オプション

取付金具

形K3CV-F-1

取付金具は、壁面に2本の取付ねじで固定してください。

K3CV 外形寸法 5

本体固定具

形K3CV-F-2

K3CV 外形寸法 7

DINレール取付アダプタ

形K3CV-F-3

K3CV 外形寸法 9

M12ねじ式コネクタ用工具

M12ねじ式コネクタの固定具を規定トルク値で締め付ける時に使用します。

トルクレンチ
形XY2F-0004

K3CV 外形寸法 11