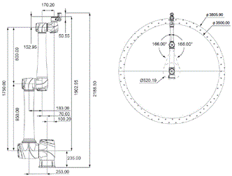
(単位:mm)
この商品について
関連情報
情報更新 : 2025/06/16
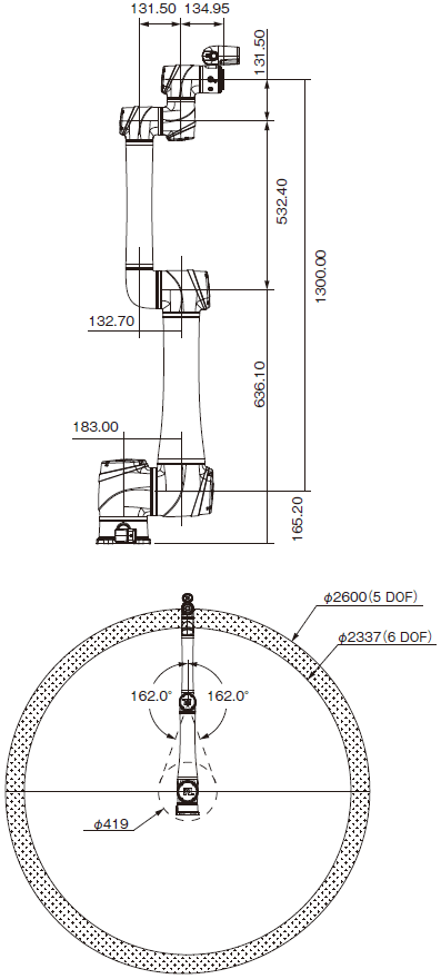
(単位:mm)
*カメラを含めない寸法です。詳細は、「TM5S/7S/12S/14S/25S カメラフランジ」の寸法を参照してください。
情報更新 : 2025/06/16
© Copyright OMRON Corporation 1996 - 2026.
All Rights Reserved.




