Page top

(単位:mm)

([]内単位:インチ)

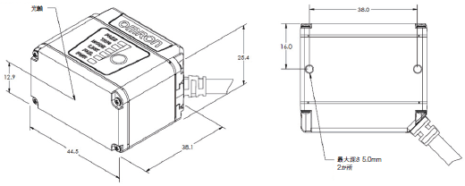
F430-F

スマートカメラ
形F430-F

MicroHAWK F430-F / F420-Fシリーズ 外形寸法 3

スマートカメラ
形F430-F(リング照明用 光源オプションV430-AL□Rを付けた場合)

MicroHAWK F430-F / F420-Fシリーズ 外形寸法 4

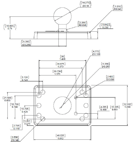
L字型ブラケット(角度調整可能)
形V430-AM0

MicroHAWK F430-F / F420-Fシリーズ 外形寸法 5

カメラマウントブラケット
形V430-AM1

MicroHAWK F430-F / F420-Fシリーズ 外形寸法 6

カメラマウントスタンド
形V430-AM2

MicroHAWK F430-F / F420-Fシリーズ 外形寸法 7

カメラマウント(上下左右可動)
V430-AM3

MicroHAWK F430-F / F420-Fシリーズ 外形寸法 8

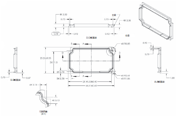
交換用フロントカバー
形V430-AF10
拡散板
形V430-AF11
偏光板
形V430-AF12
YAGフィルタ
形V430-AF4
ESDセーフカバー
形V430-AF5

MicroHAWK F430-F / F420-Fシリーズ 外形寸法 9

ライトアングルミラー
形V430-AF3

MicroHAWK F430-F / F420-Fシリーズ 外形寸法 10

赤色フィルタ付きフロントカバー
形V430-AF6
青色フィルタ付きフロントカバー
形V430-AF7
赤色内蔵LED
形V430-ALR
白色内蔵LED
形V430-ALW
青色内蔵LED
形V430-ALB
赤外内蔵LED
形V430-ALI

MicroHAWK F430-F / F420-Fシリーズ 外形寸法 11

交換用フロントカバー(リング照明用)
形V430-AF0R
拡散板(リング照明用)
形V430-AF1R
偏光板(リング照明用)
形V430-AF2R
赤色内蔵LED(リング照明用)
形V430-ALRR
白色内蔵LED(リング照明用)
形V430-ALWR
青色内蔵LED(リング照明用)
形V430-ALBR
赤外内蔵LED(リング照明用)
形V430-ALIR

MicroHAWK F430-F / F420-Fシリーズ 外形寸法 12

Ethernetケーブル
ストレートコネクタ(1m/3m/5m)
形V430-WE-1M
形V430-WE-3M
形V430-WE-5M

MicroHAWK F430-F / F420-Fシリーズ 外形寸法 13

Ethernetケーブル
ライトアングルコネクタ(3m)
形V430-WELU-3M(上向きライトアングル)*
形V430-WELD-3M(下向きライトアングル)*

MicroHAWK F430-F / F420-Fシリーズ 外形寸法 14

I/O(M12)ケーブル
ストレートコネクタ(1m/3m/5m)

形V430-WQ-1M
形V430-WQ-3M
形V430-WQ-5M

ノイズ対策ケーブル
形V430-WQF-1M

MicroHAWK F430-F / F420-Fシリーズ 外形寸法 15

I/O(フライングリード)ケーブル
ストレートコネクタ(3m/5m)
形V430-W8-3M
形V430-W8-5M

MicroHAWK F430-F / F420-Fシリーズ 外形寸法 16

I/O(フライングリード)ケーブル
ストレートコネクタ(3m/5m)
フィルタ付ケーブル
形V430-W8F-3M
形V430-W8F-5M

MicroHAWK F430-F / F420-Fシリーズ 外形寸法 17

I/O(フライングリード)ケーブル
上向きライトアングルコネクタ(3m)
形V430-W8LU-3M

MicroHAWK F430-F / F420-Fシリーズ 外形寸法 18

I/O(フライングリード)ケーブル
上向きライトアングルコネクタ(3m)
ノイズ対策ケーブル
形V430-W8LUF-3M

MicroHAWK F430-F / F420-Fシリーズ 外形寸法 19

I/O(フライングリード)ケーブル
下向きライトアングルコネクタ(3m)
形V430-W8LD-3M

MicroHAWK F430-F / F420-Fシリーズ 外形寸法 20

I/O(フライングリード)ケーブル
下向きライトアングルコネクタ(3m)
ノイズ対策ケーブル
形V430-W8LDF-3M

MicroHAWK F430-F / F420-Fシリーズ 外形寸法 21

RS-232C- I/O(M12) 2股ケーブル
ストレートコネクタ(2.7m)
形V430-WQR-3M

MicroHAWK F430-F / F420-Fシリーズ 外形寸法 22

キーボードウェッジ- I/O(M12) 2股ケーブル
ストレートコネクタ(2.7m)
形V430-WQK-3M

MicroHAWK F430-F / F420-Fシリーズ 外形寸法 23

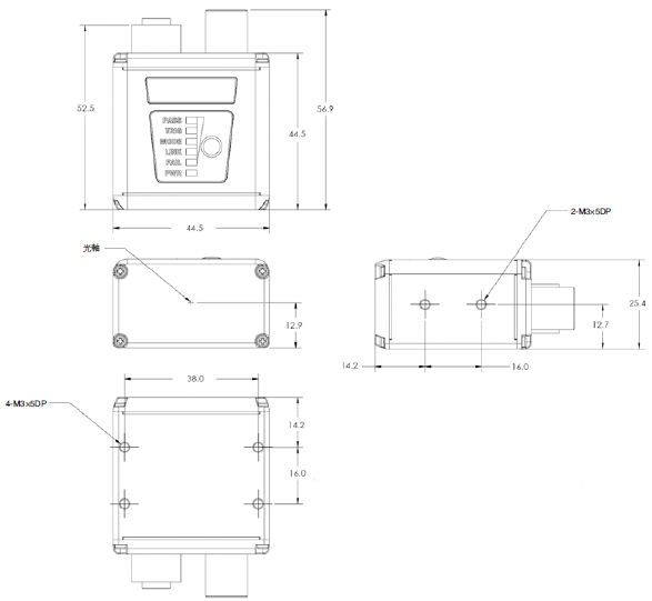
F420-F

スマートカメラ
形F420-F

MicroHAWK F430-F / F420-Fシリーズ 外形寸法 25

取付け金具、光学オプション、光源オプション

上部F430-Fシリーズの取付け金具、光学オプション、光源オプションを参照ください。

USB分岐ケーブル(外部電源なし)
形V420-WUB-1M

MicroHAWK F430-F / F420-Fシリーズ 外形寸法 27

USB分岐ケーブル(外部電源接続用)
形V420-WUX-1M

MicroHAWK F430-F / F420-Fシリーズ 外形寸法 28

RS-232C分岐ケーブル(外部電源接続用)
形V420-WRX-1M

MicroHAWK F430-F / F420-Fシリーズ 外形寸法 29

USB分岐ケーブル(I/O分岐および電源接続用)
形V420-WU8X-1M

MicroHAWK F430-F / F420-Fシリーズ 外形寸法 30

RS-232C分岐ケーブル(I/O、USB分岐および電源接続用)
形V420-WRU8X-1M

MicroHAWK F430-F / F420-Fシリーズ 外形寸法 31

電源(ACアダプタ)
USB分岐ケーブル(外部電源接続用) 形V420-WUX-1M用
RS-232C分岐ケーブル(外部電源接続用) 形V420-WRX-1M用
97-9000006-01

MicroHAWK F430-F / F420-Fシリーズ 外形寸法 32

電源(ACアダプタ)
USB分岐ケーブル(I/O分岐および電源接続用)V420-WU8X-1M用
RS-232C分岐ケーブル(I/O、USB分岐および電源接続用)V420-WRU8X-1M用
97-000011-02

MicroHAWK F430-F / F420-Fシリーズ 外形寸法 33

I/Oケーブル
61-000151-01

MicroHAWK F430-F / F420-Fシリーズ 外形寸法 34

Amazonギフト券が当たる!

サイトユーザーアンケートにご協力ください

2025/11/30(日)まで

詳しくはこちら