警告表示の意味
![]() |
●注意レベル
正しい取扱いをしなければ、この危険のために、時に軽傷・中程度の傷害を負ったり、あるいは物的損害を受ける恐れがあります。 |
| 安全上の要点 | 製品を安全に使用するために実施または回避すべきことを示します。 |
| 使用上の注意 | 製品が動作不能、誤動作、または性能・機能への悪影響を予防するために実施または回避することを示します。 |
図記号の意味
![]() |
●感電注意
特定の条件において、感電の可能性を注意する通告。 |
![]() |
●高温注意
特定の条件において、高温による傷害の可能性を注意する通告。 |
![]() |
●分解禁止
機器を分解することで感電などの傷害が起こる可能性があるため、分解行為を禁止する通告。 |
![]() |
●一般的な指示
特定しない一般的な行為を指示する通告。 |
注意
軽度の感電、発火、機器の故障が稀に起こる恐れがあります。分解、改造、修理したり内部に触らないでください。
軽度の火傷が稀に起こる恐れがあります。通電中や電源を切った直後は製品本体に触らないでください。
発火が稀に起こる恐れがあります。端子ねじは規定トルクで締めてください。
M3.5 :0.74~1.13N・m
M4 :1.08~1.32N・m
感電により軽度の傷害が稀に起こる恐れがあります。通電中は端子に触らないでください。
また、配線後、必ず端子カバーを取りつけてください。
軽度の感電、発火、機器の故障が稀に起こる恐れがあります。製品の中に金属、導線または、取りつけ加工中の切粉などが入らないようにしてください。
安全上の要点
使用環境および保管環境
・周囲温度-25~+75℃、相対湿度90%以下で保管してください。
・製品の破損を招きますので、必ずディレーティング曲線内でご使用ください。ディレーティングには、周囲温度、入力電圧、標高が影響します。
・相対湿度90%以下の場所で使用してください。
・製品内に液体や異物、腐食性ガスが入る可能性のある場所では使用しないでください。
設置環境
・振動・衝撃の激しい場所では使用しないでください。特にコンタクタなど振動源となる部品や装置から離して設置してください。
・強い高周波ノイズやサージを発生する機器からは離して取りつけてください。
取りつけ方法
・取りつけにあたっては、機器の長期信頼性を向上させるために、放熱に十分留意してください。
製品本体周辺に空気が対流するよう十分留意いただき、ディレーティング曲線内でご使用ください。
形S8FS-G015□□□~150□□□は自然対流方式ですので、製品周囲の空気が対流するように取りつけてください。
形S8FS-G300□□□/600□□□はファンによる強制空冷方式です。冷却効果が低下しますので、通風口をふさがないでください。
・取りつけ加工中に切粉が製品内に入らないようにしてください。
・放熱性の悪化により、稀に内部部品が劣化・破損する恐れがあります。製品本体のねじを緩めないでください。
・製品のシャーシに設けているねじ穴を利用して取りつける場合は、外形寸法図に記載の深さ以下になるようにしてください。
また、締め付けトルクは下記のようにしてください。
M3:0.48~0.59N・m
M4:1.08~1.32N・m
取りつけ状態
<標準取りつけ>
形S8FS-G015□□□~150□□□
形S8FS-G300□□□/形S8FS-G600□□□
<その他取りつけ>*2
形S8FS-G015□□□~150□□□
<DINレール取りつけ>
DINレールに取りつける場合は、(A)部をレールの一端にひっかけ、(B)方向に押し込んでください。
取り外す場合は、(C)部にマイナスドライバを差し込み、引き外してください。
配線
・アースは完全に接続してください。安全規格で定められたPE(保護接地)端子のため、アースが不完全な場合、感電や誤動作の恐れがあります。
・軽度の発火が万一の場合起こる恐れがありますので、入出力端子など誤配線のないようにご注意ください。
・端子締めつけ時に150N 以上の力で端子台を押さえつけないでください。
・通電前には、加工時に覆ったシートなどを必ず取り外して放熱に支障がないことをご確認ください。
・負荷の異常による配線材の発煙・発火を防ぐために下表の線材をご使用ください。
推奨使用線径(ねじ端子台タイプ)
| 端子 | 形式 | 推奨使用線径 |
|---|---|---|
| 入力 | 形S8FS-G015□□□ | AWG12-22 |
| 形S8FS-G030□□□~100□□□ | AWG12-20 | |
| 形S8FS-G150□□□~600□□□ | AWG12-16 | |
| 出力 | 形S8FS-G01512□~01524□ | AWG12-22 |
| 形S8FS-G03024□ | ||
| 形S8FS-G01505□ | AWG12-20 | |
| 形S8FS-G03012□、03015□ | ||
| 形S8FS-G05015□、05024□ | ||
| 形S8FS-G15048□ | ||
| 形S8FS-G05012□ | AWG12-18 | |
| 形S8FS-G10024□ | ||
| 形S8FS-G03005□ | AWG12-16 | |
| 形S8FS-G10015□ | ||
| 形S8FS-G15024□ | ||
| 形S8FS-G30048□ | ||
| 形S8FS-G05005□ | AWG12-14 | |
| 形S8FS-G10012□ | ||
| 形S8FS-G15015□ | ||
| 形S8FS-G10005□ | AWG12 | |
| 形S8FS-G15005□、15012□ | ||
| 形S8FS-G30012□~30024□ | ||
| 形S8FS-G60015□~60048□ | AWG10-12 | |
| 形S8FS-G60012 | AWG10 | |
| PE端子 | 形S8FS-G015□□□~600□□□ | AWG12-14 |
注. 出力端子の電流容量は1端子あたり下記の通りです。
形S8FS-G015□□□~300□□□:20A
形S8FS-G600□□□:30A
端子の定格を超える電流が流れる場合は必ず2つの端子を同時にご使用ください。
推奨使用線径(コネクタタイプ)
| 端子 | 形式 | 推奨使用線径 |
|---|---|---|
| 入力側 | 形S8FS-G01524□E~15024□E | AWG18 |
| 出力側 | 形S8FS-G01524□E~15024□E | AWG18 |
注1. 出力端子の電流容量は1端子あたり5Aです。端子の定格を超える電流が流れる場合は必ず複数端子を同時にご使用ください。
2. 各コネクタの挿抜は、20回以内としてください。
3. 入出力のコネクタと形式については、データシートの「入力・出力のコネクタについて」を参照ください。
過電流保護機能について
・短絡および過電流状態での使用が継続されますと、稀に内部部品の劣化・破損となる場合がありますので、ご注意ください。
・万一の場合、内部部品の劣化・破損が考えられますので、負荷側の突入電流、過負荷状態が頻繁に発生するアプリケーションには使用しないでください。
出力電圧調整トリマ(V.ADJ)
・出力電圧調整トリマ(V.ADJ)の破損が万一の場合起こる恐れがありますので、必要以上に強い力を加えないでください。
・出力電圧調整後の出力電力、出力電流は定格出力電力、定格出力電流以下にしてください。
直列運転について
2台の製品で直列運転が可能です。
注1. 負荷が短絡した場合、製品内部に逆電圧がかかります。万一の場合、製品が劣化・破損する恐れがありますので、図のようにダイオードを接続してください。なお、ダイオードの選定の目安は下記の通りです。
| 種類 | ショットキーバリアダイオード |
|---|---|
| 耐圧(VRRM) | 出力電圧の2倍以上 |
| 順方向電流(IF) | 定格出力電流の2倍以上 |
2. 異なる仕様での直列運転は可能ですが、負荷に流れる電流は定格出力電流の小さい方の定格出力電流以下にしてください。
<±(プラス・マイナス)出力のつくり方>
・フローティング出力(1次側回路と2次側回路が分離されている)のため、2台の製品にて±出力を作ることができます。±出力として使用する時は、下図のように同一シリーズ名の製品を接続してください。異なる出力容量、出力電圧の組み合わせは可能です。ただし、負荷に流せる電流は定格出力電流の小さい方の定格出力電流以下としてください。
・機種によっては、負荷がサーボモータ、オペアンプなど直列運転になる可能性がある場合に、電源投入時に起動不良が発生し、内部回路が破損する恐れがありますので、下図のようにバイパス用ダイオード(D1、D2)を接続してください。
・ダイオードの種類、耐圧、電流の目安は次の通りです。
| 種類 | ショットキーバリアダイオード |
|---|---|
| 耐圧(VRRM) | 出力電圧の2倍以上 |
| 順方向電流(IF) | 定格出力電流の2倍以上 |
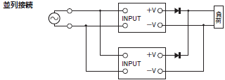
並列運転について
並列運転は出力電流が1台分では足りない負荷に対して、製品を並列に接続して出力電流を増やすための運転方法です。
並列運転機能付 以外
並列運転はできません。
形S8FS-G60024□-W□ 並列運転機能付
最大5台までの製品で並列運転が可能です。
並列運転は、以下の条件にてご使用ください。
・内部部品の劣化、破損がまれに起こります。並列運転する場合は、スイッチを「PARALLEL」側にしてください。
・並列運転をする製品は、同機種の製品にしてください。
・並列運転をする製品の出力電圧差が50mV 以下になるように、出力電圧調整トリマ(V.ADJ)にて調整ください。
・それぞれの製品と負荷間の電圧降下が同一になるよう、負荷接続電線の長さ、太さを同じにしてください。
・急激な負荷変動(負荷の起動・遮断時を含む)により出力電圧が低下する場合があります。急激な負荷変動による出力電圧変動が問題になる場合は、図のように外付けダイオードを接続してください。
ダイオードの種類、耐圧、電流の目安は次の通りです。
| 種類 | ショットキーバリアダイオード |
|---|---|
| 耐圧(VRRM) | 出力電圧の2倍以上 |
| 順方向電流(IF) | 定格出力電流の2倍以上 |
バックアップ運転について
同機種2台をご使用の場合、バックアップ運転が可能です。
これにより、1台が故障した場合でも、残りの1台で運転が継続できます。
負荷容量の最大値が製品1台分の定格出力電力を超えないようにしてください。バックアップ運転の場合、下図のように形S8VK-Rあるいは外付けダイオードを接続してください。
なお、形S8VK-Rの仕様は形S8VK-R データシート(カタログ番号:SGTC-057)をご参照ください。
ダイオードの種類、耐圧、電流の目安は次の通りです。
| 種類 | ショットキーバリアダイオード |
|---|---|
| 耐圧(VRRM) | 出力電圧の2倍以上 |
| 順方向電流(IF) | 定格出力電流の2倍以上 |
出力電圧が出ない場合
過電流保護、過電圧保護、過熱保護が機能している可能性があります。また、入力に雷サージなどの大きなサージ電圧が印加された場合は、内部保護が機能している可能性も考えられます。さらに、機種によっては内蔵ファン停止やリモートコントロール機能(OFF)の原因も考えられます。以下の5点を確認後も出力電圧が出ない場合は、当社までお問合せください。
・過電流保護の確認方法
負荷が過電流状態(短絡含む)になっていないかを(負荷線をはずして)確認してください。
・過電圧保護、内部保護の確認方法
いったん入力電源をOFFし、3分以上放置後、入力電源を再投入してください。
・過熱保護の確認方法(300W/600W)
いったん入力電源をOFFし、十分冷却後、入力電源を再投入してください。
・内蔵ファン停止の確認方法(300W/600W)
内蔵ファンが停止していないことを確認してください。
・リモートコントロール機能の確認方法(リモートコントロール機能付)
+RCおよび-RC端子がオープン状態になっていないか確認してください。規定の接続を実施してください。
バッテリ充電について
負荷にバッテリを接続される場合は、過電流制限回路および過電圧保護回路を取りつけてください。
内蔵ファンの交換について
<形S8FS-G300□□□/600□□□>
内蔵ファンの交換はできません。
入力投入時の音について
<形S8FS-G300□□□/600□□□>
高調波電流抑制回路を搭載しているため、入力投入時に音がすることがありますが、内部電圧が安定するまでの過渡的なものであり異常ではありません。
無償保証期間と無償保証範囲
〔無償保証期間〕
納入品の保証期間は当社工場出荷後、3年と致します。
〔無償保証範囲〕
次の範囲を使用条件とします。
1. 平均使用温度40℃以下(本体周囲温度)
2. 平均負荷率80%以下
3. 取りつけ方法:標準取りつけ
4. 定格入力電圧
※ただし最大定格はディレーティング曲線の範囲内とします。
上記保証期間中に当社側の責により故障を生じた場合は、その商品の故障部分の交換または修理を、その商品のご購入あるいは納品場所において無償で行わさせていただきます。
ただし、次に該当する場合は、この保証の対象範囲から除外させていただきます。
(1)本カタログまたは別途取り交わした仕様書などにて確認された以外の、不適当な条件・環境・取り扱い並びに使用による場合。
(2)故障の原因が納入品以外の事由による場合。
(3)当社以外による分解・改造または修理による場合。
(4)商品本来の使い方以外の使用による場合。
(5)当社出荷当時の科学・技術の水準では予見できなかった事由による場合。
(6)その他、天災、災害など当社側の責ではない原因による場合。
なお、ここでいう保証は、納入品単体の保証を意味するもので、納入品の故障により誘発される損害はご容赦いただきます。
予防保全のための推奨交換時期と定期的な交換のお奨め
予防保全のための推奨交換時期は商品の使用設置環境等に大きく影響されますが、推奨交換時期は7年~10年(*)を目安にしてください。お客様での商品寿命を超えてのご使用による故障や事故などを防止するためにも、推奨交換時期内での早めの交換をお奨めいたします。ただし、推奨交換時期はあくまでご参考情報であり、商品の寿命を保証するものではありません。
商品には多くの電子部品が搭載されており、これらの部品全てが正常に動作することにより、本来の機能・性能を発揮することができます。しかし、アルミ電解コンデンサは稼動時の周囲温度の影響が大きく、周囲温度が10℃上昇すると寿命が1/2に短くなります(アレニウスの法則)。電解コンデンサが容量低下の寿命になると、製品の故障や事故につながる恐れがあります。そのため、一定期間を経過する毎に商品の交換を実施いただき、装置の故障や事故を出来る限り未然に防止するようお奨めします。
*定格入力電圧、負荷率50%以下、周囲温度40℃以下、標準取りつけ状態の場合です。
なお、当機種では上記の条件で期待寿命が10年以上となるように設計しています。
