(単位:mm)
この商品について
関連情報
情報更新 : 2025/11/17
(単位:mm)
形NA5-15W101S-V1/-15W101B-V1
本体
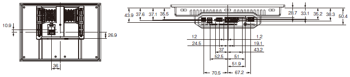
形NA5-12W101S-V1/-12W101B-V1
本体
ケーブル接続寸法
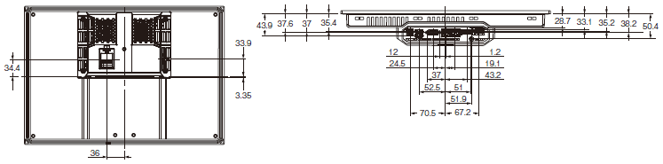
形NA5-9W001S-V1/-9W001B-V1
本体
ケーブル接続寸法
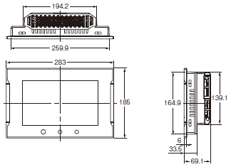
形NA5-7W001S-V1/-7W001B-V1
本体
ケーブル接続寸法
形NA5-15W101S-V1-P/-15W101B-V1-P
本体
形NA5-12W101S-V1-P/-12W101B-V1-P
本体
形NA5-9W001S-V1-P/-9W001B-V1-P
本体
ケーブル接続寸法
形NA5-7W001S-V1-P/-7W001B-V1-P
本体
ケーブル接続寸法
情報更新 : 2025/11/17
© Copyright OMRON Corporation 1996 - 2026.
All Rights Reserved.



