Page top

2024/03 受注終了

R88M-G, R88D-GT

ACサーボモータ/ドライバ(Gシリーズ 汎用入力(パルス列入力/アナログ入力)タイプ)

R88M-G, R88D-GT

位置制御、速度制御、トルク制御と幅広い用途に対応

※ Web特別価格提供品

※ このページの記載内容は、生産終了以前の製品カタログに基づいて作成した参考情報であり、製品の特長 / 価格 / 対応規格 / オプション品などについて現状と異なる場合があります。ご使用に際してはシステム適合性や安全性をご確認ください。

サーボモータ置き換えプログラム

サーボモータ置き換えプログラムを大幅リニューアル。最新機種への置き換えにご活用ください。

(単位:mm)

ACサーボドライバ

単相 AC100V 50~100W
形R88D-GTA5L
形R88D-GT01L
単相 AC200V 50~200W
形R88D-GT01H
形R88D-GT02H

R88M-G, R88D-GT 外形寸法 1

単相 AC100V 200W
形R88D-GT02L
単相 AC200V 400W
形R88D-GT04H

R88M-G, R88D-GT 外形寸法 2

単相 AC100V 400W
形R88D-GT04L
単相/三相 AC200V 750W
形R88D-GT08H

R88M-G, R88D-GT 外形寸法 3

単相/三相 AC200V 900W~1.5kW
形R88D-GT10H
形R88D-GT15H

R88M-G, R88D-GT 外形寸法 4

三相 AC200V 2kW
形R88D-GT20H

R88M-G, R88D-GT 外形寸法 5

三相 AC200V 2kW~5kW
形R88D-GT30H
形R88D-GT50H

R88M-G, R88D-GT 外形寸法 6

ACサーボモータ

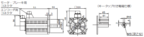
シリンダタイプモータ(3000r/min)

・50W/100W

【INC】
形R88M-G05030H(-S2)
形R88M-G10030L(-S2)
形R88M-G10030H(-S2)
形R88M-G05030H-B(S2)
形R88M-G10030L-B(S2)
形R88M-G10030H-B(S2)

【ABS】
形R88M-G05030T(-S2)
形R88M-G10030S(-S2)
形R88M-G10030T(-S2)
形R88M-G05030T-B(S2)
形R88M-G10030S-B(S2)
形R88M-G10030T-B(S2)

R88M-G, R88D-GT 外形寸法 10

・200W/400W/750W

【INC】
形R88M-G20030L(-S2)
形R88M-G40030L(-S2)
形R88M-G20030H(-S2)
形R88M-G40030H(-S2)
形R88M-G75030H(-S2)
形R88M-G20030L-B(S2)
形R88M-G40030L-B(S2)
形R88M-G20030H-B(S2)
形R88M-G40030H-B(S2)
形R88M-G75030H-B(S2)

【ABS】
形R88M-G20030S(-S2)
形R88M-G40030S(-S2)
形R88M-G20030T(-S2)
形R88M-G40030T(-S2)
形R88M-G75030T(-S2)
形R88M-G20030S-B(S2)
形R88M-G40030S-B(S2)
形R88M-G20030T-B(S2)
形R88M-G40030T-B(S2)
形R88M-G75030T-B(S2)

R88M-G, R88D-GT 外形寸法 13
R88M-G, R88D-GT 外形寸法 14

・1kW/1.5kW/2kW

【ABS】
形R88M-G1K030T(-S2)
形R88M-G1K530T(-S2)
形R88M-G2K030T(-S2)
形R88M-G1K030T-B(S2)
形R88M-G1K530T-B(S2)
形R88M-G2K030T-B(S2)

R88M-G, R88D-GT 外形寸法 17

注. 標準の軸形状はストレート軸となります。形式の後ろに「S2」を付けるとキー・タップ付きとなります。

R88M-G, R88D-GT 外形寸法 19

・3kW

【ABS】
形R88M-G3K030T(-S2)
形R88M-G3K030T-B(S2)

R88M-G, R88D-GT 外形寸法 22

注. 標準の軸形状はストレート軸となります。形式の後ろに「S2」を付けるとキー・タップ付きとなります。

R88M-G, R88D-GT 外形寸法 24

・4kW/5kW

【ABS】
形R88M-G4K030T(-S2)
形R88M-G5K030T(-S2)
形R88M-G4K030T-B(S2)
形R88M-G5K030T-B(S2)

R88M-G, R88D-GT 外形寸法 27

注. 標準の軸形状はストレート軸となります。形式の後ろに「S2」を付けるとキー・タップ付きとなります。

R88M-G, R88D-GT 外形寸法 29

フラットタイプモータ(3000r/min)

・100W/200W/400W

【INC】
形R88M-GP10030L(-S2)
形R88M-GP20030L(-S2)
形R88M-GP40030L(-S2)
形R88M-GP10030H(-S2)
形R88M-GP20030H(-S2)
形R88M-GP40030H(-S2)
形R88M-GP10030L-B(S2)
形R88M-GP20030L-B(S2)
形R88M-GP40030L-B(S2)
形R88M-GP10030H-B(S2)
形R88M-GP20030H-B(S2)
形R88M-GP40030H-B(S2)

【ABS】
形R88M-GP10030S(-S2)
形R88M-GP20030S(-S2)
形R88M-GP40030S(-S2)
形R88M-GP10030T(-S2)
形R88M-GP20030T(-S2)
形R88M-GP40030T(-S2)
形R88M-GP10030S-B(S2)
形R88M-GP20030S-B(S2)
形R88M-GP40030S-B(S2)
形R88M-GP10030T-B(S2)
形R88M-GP20030T-B(S2)
形R88M-GP40030T-B(S2)

R88M-G, R88D-GT 外形寸法 34

注. 標準の軸形状はストレート軸となります。形式の後ろに「S2」を付けるとキー・タップ付きとなります。

R88M-G, R88D-GT 外形寸法 36

シリンダタイプモータ(2000r/min)

・AC200V:1kW/1.5kW

【ABS】
形R88M-G1K020T(-S2)
形R88M-G1K520T(-S2)
形R88M-G1K020T-B(S2)
形R88M-G1K520T-B(S2)

R88M-G, R88D-GT 外形寸法 40

注. 標準の軸形状はストレート軸となります。形式の後ろに「S2」を付けるとキー・タップ付きとなります。

R88M-G, R88D-GT 外形寸法 42

・AC200V:2kW/3kW

【ABS】
形R88M-G2K020T(-S2)
形R88M-G3K020T(-S2)
形R88M-G2K020T-B(S2)
形R88M-G3K020T-B(S2)

R88M-G, R88D-GT 外形寸法 45

注. 標準の軸形状はストレート軸となります。形式の後ろに「S2」を付けるとキー・タップ付きとなります。

R88M-G, R88D-GT 外形寸法 47

・AC200V:4kW/5kW

【ABS】
形R88M-G4K020T(-S2)
形R88M-G5K020T(-S2)
形R88M-G4K020T-B(S2)
形R88M-G5K020T-B(S2)

R88M-G, R88D-GT 外形寸法 50

注. 標準の軸形状はストレート軸となります。形式の後ろに「S2」を付けるとキー・タップ付きとなります。

R88M-G, R88D-GT 外形寸法 52

シリンダタイプモータ(1000r/min)

・900W/2kW

【ABS】
形R88M-G90010T(-S2)
形R88M-G2K010T(-S2)
形R88M-G90010T-B(S2)
形R88M-G2K010T-B(S2)

R88M-G, R88D-GT 外形寸法 54

・3kW

【ABS】
形R88M-G3K010T(-S2)
形R88M-G3K010T-B(S2)

R88M-G, R88D-GT 外形寸法 55

・4.5kW

【ABS】
形R88M-G4K510T(-S2)
形R88M-G4K510T-B(S2)

R88M-G, R88D-GT 外形寸法 56

減速機

バックラッシュ3分以内

〈シリンダタイプ〉

・3000r/minモータ(50~750W)

R88M-G, R88D-GT 外形寸法 59
R88M-G, R88D-GT 外形寸法 60

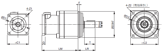
注1. 標準の軸形状はストレート軸となります。
注2. 形式の後ろの□に「J」を付けると、キー・タップ付きとなります。(例:形R88G-HPG11B05100BJ)
注3. モータ軸挿入部の径は、対応するモータの軸径と同様です。
注4. キー付きモータも、キーを取り外せば使用可能となります。
注5. 本書記載の外形寸法図は、主要寸法を表すものであり、製品の詳細な形状を示すものではありません。
*1. セットボルトのことです。

R88M-G, R88D-GT 外形寸法 61
R88M-G, R88D-GT 外形寸法 62

・3000r/minモータ用(1~5kW)

R88M-G, R88D-GT 外形寸法 63
R88M-G, R88D-GT 外形寸法 64

注1. 標準の軸形状はストレート軸となります。
注2. 形式の後ろの□に「J」を付けると、キー・タップ付きとなります。(例:形R88G-HPG32A051K0BJ)
注3. モータ軸挿入部の径は、対応するモータの軸径と同様です。
注4. キー付きモータも、キーを取り外せば使用可能となります。
注5. 本書記載の外形寸法図は、主要寸法を表すものであり、製品の詳細な形状を示すものではありません。
*1. セットボルトのことです。

R88M-G, R88D-GT 外形寸法 65
R88M-G, R88D-GT 外形寸法 66

バックラッシュ3分以内

〈フラットタイプ〉

・3000r/minモータ(100~400W)

R88M-G, R88D-GT 外形寸法 68
R88M-G, R88D-GT 外形寸法 69

注1. 標準の軸形状はストレート軸となります。形式の後ろに「J」を付けると、キー・タップ付きとなります。
注2. キー付きモータも、キーを取り外せば使用可能となります。
*1. セットボルトのことです。

R88M-G, R88D-GT 外形寸法 70

バックラッシュ3分以内

〈シリンダタイプ〉

・2000r/minモータ用(1kW~5kW)

R88M-G, R88D-GT 外形寸法 72
R88M-G, R88D-GT 外形寸法 73

注1. 標準の軸形状はストレート軸となります。
注2. 形式の後ろの□に「J」を付けると、キー・タップ付きとなります。(例:形R88G-HPG32A053K0BJ)
注3. モータ軸挿入部の径は、対応するモータの軸径と同様です。
注4. キー付きモータも、キーを取り外せば使用可能となります。
注5. 本書記載の外形寸法図は、主要寸法を表すものであり、製品の詳細な形状を示すものではありません。
*1. セットボルトのことです。

R88M-G, R88D-GT 外形寸法 74
R88M-G, R88D-GT 外形寸法 75

・1000r/minモータ用(900~4.5kW)

R88M-G, R88D-GT 外形寸法 76
R88M-G, R88D-GT 外形寸法 77

注1. 標準の軸形状はストレート軸となります。
注2. 形式の後ろの□に「J」を付けると、キー・タップ付きとなります。(例:形R88G-HPG32A05900TBJ)
注3. モータ軸挿入部の径は、対応するモータの軸径と同様です。
注4. キー付きモータも、キーを取り外せば使用可能となります。
注5. 本書記載の外形寸法図は、主要寸法を表すものであり、製品の詳細な形状を示すものではありません。
*1. セットボルトのことです。

R88M-G, R88D-GT 外形寸法 78

バックラッシュ15分以内

〈シリンダタイプ〉

・3000r/minモータ(50~750W)

注1. 標準の軸形状はキー・タップ付きとなります。
注2. モータ軸挿入部の径は、対応するモータの軸径と同様です。
注3. キー付モータも、キーを取り外せば使用可能となります。
注4. 本書記載の外形寸法図は主要寸法を表すものであり、製品の詳細な形状を示すものではありません。

R88M-G, R88D-GT 外形寸法 80

外形図

R88M-G, R88D-GT 外形寸法 81
R88M-G, R88D-GT 外形寸法 82

バックラッシュ15分以内

〈フラットタイプ〉

・3000r/minモータ(100~400W)

注1. 標準の軸形状はキー・タップ付きとなります。
注2. モータ軸挿入部の径は、対応するモータの軸径と同様です。
注3. キー付モータも、キーを取り外せば使用可能となります。
注4. 本書記載の外形寸法図は主要寸法を表すものであり、製品の詳細な形状を示すものではありません。

R88M-G, R88D-GT 外形寸法 84

外形図

R88M-G, R88D-GT 外形寸法 85
R88M-G, R88D-GT 外形寸法 86

パラメータユニット

形R88A-PR02G

R88M-G, R88D-GT 外形寸法 88

外部回生抵抗器

形R88A-RR22047S1

R88M-G, R88D-GT 外形寸法 90

形R88A-RR08050S/-RR080100S

R88M-G, R88D-GT 外形寸法 91

形R88A-RR50020S

R88M-G, R88D-GT 外形寸法 92

リアクトル

形3G3AX-DL2002
形3G3AX-DL2004

R88M-G, R88D-GT 外形寸法 94

形3G3AX-AL2025
形3G3AX-AL2055

R88M-G, R88D-GT 外形寸法 95

形3G3AX-DL2007
形3G3AX-DL2015

R88M-G, R88D-GT 外形寸法 96

形3G3AX-AL2110
形3G3AX-AL2220

R88M-G, R88D-GT 外形寸法 97

形3G3AX-DL2022

R88M-G, R88D-GT 外形寸法 98

Amazonギフト券が当たる!

サイトユーザーアンケートにご協力ください

2025/11/30(日)まで

詳しくはこちら