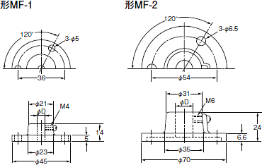
(単位:mm)
温度センサアクセサリ
            
        
この商品について
関連情報
情報更新 : 2025/05/07
(単位:mm)
       
    注. コンプレッションフィッティングPT-Nシリーズ、PT-30-Nシリーズ、M-Nシリーズは形式仕様の先頭にTSという記載がありましたが2025年5月より削除させていただきました。削除に伴う商品仕様等の変更はございません。
       
    ※ 気密性はありません。測定対象物の漏出が問題になる箇所には使用しないでください。
       
    
       
    材質:アルミニウム
情報更新 : 2025/05/07
© Copyright OMRON Corporation 1996 - 2025. 
All Rights Reserved.
				
