ソリッドステート・リレーは、半導体を使った無接点リレーで、高速高頻度動作が可能です。ここではソリッドステート・リレーの参考資料を示します。
| 参考資料 |
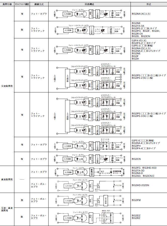
| 負荷仕様 | ゼロクロス 機能 | 絶縁方式 | 回路構成 | 形式 |
| 交流 負荷用 | 有 | フォト・ カプラ | ![]() | 形G3NA(AC入力) |
| 無 | フォト・ トライ アック | ![]() | 形G3NE 形G3TA-OA | |
| 有 | フォト・ トライ アック | ![]() | G3PA-VD(-X) G3PE-2□□B(単相) 形G3NA(DC入力) 形G3NE 形G3F 形G3H | |
| 有 | フォト・ トライ アック | ![]() | 形G3PE-2(N)(三相) | |
| 有 | フォト・ トライ アック | ![]() | 形G3PE-3(N)(三相) | |
| 有 | フォト・ カプラ | ![]() | G3PE-5□□□B(単相) 形G3NA-4□□B-UTUタイプ 形G3PH 形G3PA-4□□Bタイプ | |
| 直流 負荷用 | ― | フォト・ カプラ | ![]() | 形G3FD、 形G3HD-X03 形G3TA-OD 形G3NA-D |
| フォト・ ボル・ カプラ | ![]() | 形G3HD-202SN | ||
| 交流・ 直流 負荷用 | 無 | フォト・ ボル・ カプラ | ![]() | 形G3FM |
| 負荷仕様 | ゼロクロス 機能 | 絶縁方式 | 回路構成 | 形式 |
| 交流 負荷用 | 有 | フォト・カプラ | ![]() | 形G3CN |
| 無 | フォト・ トライアック | ![]() | 形G3S 形G3CN | |
| 直流 負荷用 | ― | フォト・カプラ | ![]() | 形G3SD、形G3CN-D 形G3R-ID、形G3R-OD |
| 交流・直流 負荷用 | 無 | フォト・ボル・ カプラ | ![]() | 形G3DZ 形G3RZ |
注. 上記回路構成は参考例となります。各形式によって、回路構成が異なることをご了承ください。
1. 用途別による分類
| 用途 | 推奨ソリッドステート・リレー(SSR)例 |
| インターフェース用 プログラマブルコントローラ、位置決めコントローラなどからの制御 出力のアイソレート伝達をアクチュエータへ行う用途に適した ソリッドステート・リレー(SSR)です。 特に、形G3DZは、出力素子にMOS FETを採用しており、低漏れ 電流・交流回路、直流回路での共用可能の特長を持っています。 | ![]() |
| OA、HA、娯楽用 高ひん度開閉、動作音なし、メカニカルリレーと比較して振動・ 衝撃・塵埃・ガスに強いなどの要素が重要視される用途に適し ています。 | ![]() |
2. 適用負荷例
| 負荷電圧 | 形式 | 最大 負荷電流 | 種類 | 備考 | |||||
| ヒータ | 単相 モータ | 三相 モータ | ランプ負荷 | バルブ | トランス* | ||||
| AC110V | 形G3CN-202□ | 2A | 1.6A | ―― | ―― | 1A | 1A | 100W | |
| AC220V | 形G3S-201□ | 1A | 0.8A | 15W | 50W | 0.5A | 0.5A | 100W | |
| 形G3CN-202□ | 2A | 1.6A | 35W | 100W | 1A | 1A | 200W | ||
| DC24V | 形G3SD-Z01□ | 1A | 0.8A | ―― | ―― | 0.5A | 0.5A | ―― | |
| DC48V | 形G3CN-DX02□ | 2A | 1.6A | ―― | ―― | 1A | 1A | ―― | |
| 形G3CN-DX03□ | 3A | 2.4A | ―― | ―― | 1.5A | 1.5A | ―― | ||
| AC5~240V DC5~110V | 形G3DZ-2R6PL | 0.6A | ― | ―― | ―― | 0.5A | 0.5A | 60W | |
*トランス負荷の場合、投入電源は1/2以下でご使用ください。
注. ソリッドステート・リレー(SSR)の最大負荷電流は、抵抗負荷で単品取りつけの状態を想定し決定しています。
しかし実際の使用状態では、電源電圧の変動や盤スペースなどにより実験レベルより厳しい状況におかれることが予想されます。
これらに対しての余裕を取るために定格値に対し20~30%程度減少した値をとっているのが推奨値です。
トランス、モータなどの誘導性負荷では突入電流を伴うためさらに余裕率が大きくなっています。
1. センサとの接続
ソリッドステート・リレー(SSR)は、近接スイッチ、光電スイッチなどのセンサに直接接続できます。
2. 白熱灯の点滅制御
3. 電気炉の温度制御
4. 単相誘導電動機の正逆運転
注1. SSR1、SSR2のどちらかオフしている側のソリッドステート・リレー(SSR)のLOAD端子間電圧は、LC結合により電源電圧の約2倍の電圧となるため、必ず使用電源電圧の2倍以上の出力定格電圧を有するソリッドステート・リレー(SSR)をご使用ください。
(例)電源電圧交流100Vの単相誘導電動機の正逆運転には、交流200V以上の出力電圧を有するソリッドステート・リレー(SSR)を使用する。
2. SW1とSW2の切り替えには、必ず30ms以上のタイムラグを持たせてください。
*進相コンデンサ放電電流制限抵抗。本抵抗の選定については、ご使用のモータメーカー様へご確認をお願いします。
5. 三相誘導電動機のオン、オフ制御
6. 三相モータの正逆運転
ソリッドステート・リレー(SSR)で三相モータの正逆運転をする場合は、ソリッドステート・リレー(SSR)の入力信号に注意してください。下図のSW1とSW2を同時に切り替えた場合、負荷側で相間短絡が発生し、ソリッドステート・リレー(SSR)の出力素子破壊の原因となります。これは、ソリッドステート・リレー(SSR)の入力端子への入力信号がなくなっても、負荷電流が0になるまで出力素子(トライアック)が導通しているためです。従って、SW1とSW2の切り替えには、必ず30ms以上のタイムラグを設けてください。
また、ソリッドステート・リレー(SSR)の入力回路へのノイズなどによるソリッドステート・リレー(SSR)の誤動作の場合も相間短絡となり、ソリッドステート・リレー(SSR)が破壊します。この場合の対策例として短絡事故を防ぐ保護抵抗Rを回路に挿入する方法があります。保護抵抗Rは、ソリッドステート・リレー(SSR)のサージオン電流耐量より決定してください。
例えば、形G3NA-220B-UTUのサージオン電流耐量は、220Apeakですから、R>220V×√2/220A=1.4Ωとなります。
なお、回路電流・通電時間などを考慮して、消費電力の小さくなる側に入れてください。
また、抵抗の電力は、P =I2R×安全率より求めてください。
(I=負荷電流、R=保護抵抗、安全率=3~5)
7. トランスのタップ切り替えの考え方
トランスのタップ切り替えをソリッドステート・リレー(SSR)で行う場合は、OFF側のソリッドステート・リレー(SSR)に誘起される電圧に注意ください。
誘起電圧は、巻数(≒タップ電圧)に比例します。
下図で、電源電圧200V、N1=100回、N2=100回で、SSR2がONしているとすると、SSR1の両端には電源電圧の2倍の電圧400Vが印加されますので、SSR1は400V用SSRが必要となります。
8. トランス負荷の突入電流の考え方
トランス負荷時の突入電流は、相互リアクタンスが働かない2次側開放状態が最大となります。また、その最大電流は電源周波数の1/2サイクルですのでオシロスコープを用いないと測定が困難です。このため、トランス一次側の直流抵抗を測定し、突入電流を予測します。(実際は、自己リアクタンスが働くためこの計算値より少なくなります。)
I peak=V peak/R=(√2×V)/R
仮に一次側の直流抵抗3オームのトランスを負荷電源電圧220Vで使用する場合の突入電流は、
I peak=(1.414×220)/3=103.7Aになります。
当社のソリッドステート・リレー(SSR)のサージオン電流耐量は非繰り返し(1日1~2回程度)で規定しており、繰り返しでご使用になるこのI peakの2倍のサージオン電流耐量を持ったソリッドステート・リレー(SSR)を選定ください。この場合、207.4A以上のサージオン電流耐量を持った、形G3□□-220□以上のソリッドステート・リレー(SSR)を選定ください。また、これを逆算するとソリッドステート・リレー(SSR)に応じたトランス一次側の直流抵抗値が算出できます。
R=V peak/I peak=(√2×V)/I peak
トランス一次側の直流抵抗から適用ソリッドステート・リレー(SSR)の一覧を別表に示します。
なお、この一覧表は「突入電流を満足するソリッドステート・リレー(SSR)」を示しており、あわせて「トランスの定常電流が各ソリッドステート・リレー(SSR)の定格電流を満足する」ことも必要です。
〈ソリッドステート・リレー(SSR)の定格電流の見方〉
下線2桁の数字が定常電流を表します。(この場合、40A)
形G3PHの場合のみ: 形G3PH-□075=75A、
形G3PH-□150=150A
条件1:ソリッドステート・リレー(SSR)の周囲温度(=盤内温度)は各ソリッドステート・リレー(SSR)の定格温度以内であること。
条件2:正規放熱器を取りつけた状態であること。
負荷電源電圧100Vの場合
| トランス一次側の直流抵抗 (Ω) | 突入電流 (A) | SSRのサージオン電流耐量 (A) | 適用ソリッドステート・リレー(SSR) | |||
| 形G3P□ | 形G3NA | 形G3NE | 形G3PH | |||
| 4.8以上 | 30 | 60 | ― | -205□ | -205□ | ― |
| 1.9~4.7 | 75 | 150 | -210□ -215□ | -210□ | -210□ | ― |
| 1.3~1.8 | 110 | 220 | -220□ -225□ | -220□ | -220□ | ― |
| 0.65~1.2 | 220 | 440 | -235□ -240□ -245□ -260□ | -240□ | ― | ― |
| 0.36~0.64 | 400 | 800 | ― | -275□ | ― | -2075□ |
| 0.16~0.35 | 900 | 1,800 | ― | ― | ― | -2150□ |
負荷電源電圧110Vの場合
| トランス一次側の直流抵抗 (Ω) | 突入電流 (A) | SSRのサージオン電流耐量 (A) | 適用ソリッドステート・リレー(SSR) | |||
| 形G3P□ | 形G3NA | 形G3NE | 形G3PH | |||
| 5.2以上 | 30 | 60 | ― | -205□ | -205□ | ― |
| 2.1~5.1 | 75 | 150 | -210□ -215□ | -210□ | -210□ | ― |
| 1.5~2.0 | 110 | 220 | -220□ -225□ | -220□ | -220□ | ― |
| 0.71~1.4 | 220 | 440 | -235□ -240□ -245□ -260□ | -240□ | ― | ― |
| 0.39~0.70 | 400 | 800 | ― | -275□ | ― | -2075□ |
| 0.18~0.38 | 900 | 1,800 | ― | ― | ― | -2150□ |
負荷電源電圧120Vの場合
| トランス一次側の直流抵抗 (Ω) | 突入電流 (A) | SSRのサージオン電流耐量 (A) | 適用ソリッドステート・リレー(SSR) | |||
| 形G3P□ | 形G3NA | 形G3NE | 形G3PH | |||
| 5.7以上 | 30 | 60 | ― | -205□ | -205□ | ― |
| 2.3~5.6 | 75 | 150 | -210□ -215□ | -210□ | -210□ | ― |
| 1.6~2.2 | 110 | 220 | -220□ -225□ | -220□ | -220□ | ― |
| 0.78~1.5 | 220 | 440 | -235□ -240□ -245□ -260□ | -240□ | ― | ― |
| 0.43~0.77 | 400 | 800 | ― | -275□ | ― | -2075□ |
| 0.19~0.42 | 900 | 1,800 | ― | ― | ― | -2150□ |
負荷電源電圧200Vの場合
| トランス一次側の直流抵抗 (Ω) | 突入電流 (A) | SSRのサージオン電流耐量 (A) | 適用ソリッドステート・リレー(SSR) | |||
| 形G3P□ | 形G3NA | 形G3NE | 形G3PH | |||
| 9.5以上 | 30 | 60 | ― | -205□ | -205□ | ― |
| 3.8~9.4 | 75 | 150 | -210□ -215□ | -210□ | -210□ | ― |
| 2.6~3.7 | 110 | 220 | -220□ -225□ | -220□ | -220□ | ― |
| 1.3~2.5 | 220 | 440 | -235□ -240□ -245□ -260□ | -240□ | ― | ― |
| 0.71~1.2 | 400 | 800 | ― | -275□ | ― | -2075□ |
| 0.32~0.70 | 900 | 1,800 | ― | ― | ― | -2150□ |
負荷電源電圧220Vの場合
| トランス一次側の直流抵抗 (Ω) | 突入電流 (A) | SSRのサージオン電流耐量 (A) | 適用ソリッドステート・リレー(SSR) | |||
| 形G3P□ | 形G3NA | 形G3NE | 形G3PH | |||
| 10.4以上 | 30 | 60 | ― | -205□ | -205□ | ― |
| 4.2~10.3 | 75 | 150 | -210□ -215□ | -210□ | -210□ | ― |
| 2.9~4.1 | 110 | 220 | -220□ -225□ | -220□ | -220□ | ― |
| 1.5~2.8 | 220 | 440 | -235□ -240□ -245□ -260□ | -240□ | ― | ― |
| 0.78~1.4 | 400 | 800 | ― | -275□ | ― | -2075□ |
| 0.35~0.77 | 900 | 1,800 | ― | ― | ― | -2150□ |
負荷電源電圧240Vの場合
| トランス一次側の直流抵抗 (Ω) | 突入電流 (A) | SSRのサージオン電流耐量 (A) | 適用ソリッドステート・リレー(SSR) | |||
| 形G3P□ | 形G3NA | 形G3NE | 形G3PH | |||
| 11.4以上 | 30 | 60 | ― | -205□ | -205□ | ― |
| 4.6~11.3 | 75 | 150 | -210□ -215□ | -210□ | -210□ | ― |
| 3.1~4.5 | 110 | 220 | -220□ -225□ | -220□ | -220□ | ― |
| 1.6~3.0 | 220 | 440 | -235□ -240□ -245□ -260□ | -240□ | ― | ― |
| 0.85~1.5 | 400 | 800 | ― | -275□ | ― | -2075□ |
| 0.38~0.84 | 900 | 1,800 | ― | ― | ― | -2150□ |
負荷電源電圧400Vの場合
| トランス一次側の直流抵抗 (Ω) | 突入電流 (A) | SSRのサージオン電流耐量 (A) | 適用ソリッドステート・リレー(SSR) | |||
| 形G3P□ | 形G3NA | 形G3NE | 形G3PH | |||
| 7.6以上 | 75 | 150 | ― | -410□ | ― | ― |
| 5.2~7.5 | 110 | 220 | -420□ -430□ -525□ | -420□ | ― | ― |
| 2.6~5.1 | 220 | 440 | -435□ -445□ -535□ -545□ | -440□ | ― | ― |
| 1.5~2.5 | 400 | 800 | ― | -475□ | ― | -4075□ |
| 0.63~1.4 | 900 | 1,800 | ― | ― | ― | -4150□ |
負荷電源電圧440Vの場合
| トランス一次側の直流抵抗 (Ω) | 突入電流 (A) | SSRのサージオン電流耐量 (A) | 適用ソリッドステート・リレー(SSR) | |||
| 形G3P□ | 形G3NA | 形G3NE | 形G3PH | |||
| 8.3以上 | 75 | 150 | ― | -410□ | ― | ― |
| 5.7~8.2 | 110 | 220 | -420□ -430□ -525□ | -420□ | ― | ― |
| 2.9~5.6 | 220 | 440 | -435□ -450□ -535□ -545□ | -440□ | ― | ― |
| 1.6~2.8 | 400 | 800 | ― | -475□ | ― | -4075□ |
| 0.70~1.5 | 900 | 1,800 | ― | ― | ― | -4150□ |
負荷電源電圧480Vの場合
| トランス一次側の直流抵抗 (Ω) | 突入電流 (A) | SSRのサージオン電流耐量 (A) | 適用ソリッドステート・リレー(SSR) | |||
| 形G3P□ | 形G3NA | 形G3NE | 形G3PH | |||
| 9.1以上 | 75 | 150 | ― | -410□ | ― | ― |
| 6.2~9.0 | 110 | 220 | -420□ -430□ -525□ | -420□ | ― | ― |
| 3.1~6.1 | 220 | 440 | -450□ -535□ -545□ | -440□ | ― | ― |
1. 故障モードについて
ソリッドステート・リレー(SSR)は、高ひん度開閉、高速開閉を必要とする場合に最適なリレーですが、使用条件・取り扱いを誤ると、素子破壊などの不具合の原因となります。
ソリッドステート・リレー(SSR)は、半導体素子で構成されたリレーであり、サージ電圧や過電流などにて素子が破壊される故障を招きます。その際、素子の故障モードとしては、ショート故障(短絡故障)がほとんどであり、負荷のしゃ断不能の原因となります。
従って、ソリッドステート・リレー(SSR)を使用した制御回路でフェイルセーフを考える場合、負荷電源をソリッドステート・リレー(SSR)のみにてしゃ断する回路でなく、負荷電源側に設置したコンタクタあるいはブレーカにより、ソリッドステート・リレー(SSR)異常時に負荷をしゃ断する回路としてください。
例えば、ACモータを負荷とした回路にてソリッドステート・リレー(SSR)が半波故障した場合、DC励磁となり過電流がモータに流れ、モータが焼損する場合があります。こういった際には、ブレーカにより、モータへの電流をしゃ断する回路としてください。
| 個所 | 原因 | 結果 |
| 入力部 | 過電圧印加 | 入力素子の破壊 |
| 出力部 | 過電圧印加 | 出力素子の破壊 |
| 過電流通電 | ||
| 全体 | 周囲温度が規定値以上 | 出力素子の破壊 |
| 放熱状態が悪い |
2. 過電流保護について
ソリッドステート・リレー(SSR)の負荷(LOAD)側に短絡電流あるいは過電流が流れた場合、ソリッドステート・リレー(SSR)の出力素子が破壊されます。
短絡保護の対策例としては、負荷と直列に速断ヒューズを付加してください。
速断ヒューズの保護協調条件としては、ソリッドステート・リレー(SSR)のサージ耐量(IS)、速断ヒューズの限流特性(IF)、負荷の突入電流(IL)が下記のグラフの関係を満足するように回路設計を実施してください。
3. 動作表示灯について
下図のように動作表示灯は、入力回路への通電を表示しており、出力素子オンの表示ではありません。
1. ソリッドステート・リレー(SSR)の発熱量
ソリッドステート・リレー(SSR)に使用されている出力半導体であるトライアック、サイリスタ、パワートランジスタはオンしたときにでも、半導体内部で残留電圧があります。これが出力オン電圧降下です。このために、負荷電流が流れた時にソリッドステート・リレー(SSR)はジュール熱を発生します。この時の発熱量P(W)は
発熱量P(W)=出力オン電圧降下(V)×通電電流(A)
で計算されます。
例えば、形G3NA-210B-UTUを用いて負荷電流8A通電したとすると
P=1.6V×8A=12.8W
となります。
パワーMOS FETを出力半導体に使用しているMOS FETリレーでは、残留電圧ではなく、オン抵抗で発熱量を計算します。
発熱量P(W)は
P(W)=負荷電流2(A)×オン抵抗(Ω)
で計算され、形G3RZで負荷電流0.5Aの場合では、
P(W)=0.52A×2.4Ω=0.6W
となりますが、パワーMOS FETは温度によりオン抵抗が上昇する特性があります。そのため、通電中にオン抵抗が変化します。負荷電流が定格の80%以上の場合は、簡易計算法として、オン抵抗を1.5倍で計算します。
P(W)=12A×2.4Ω×1.5=3.6W
ソリッドステート・リレー(SSR)では一般に5A程度までは放熱器なしで済みますが、それ以上になると放熱器が必要になります。負荷電流が大きくなるにつれて、より大型の放熱器が必要になります。有接点リレーと比べて10A以上では放熱器を含めたサイズの差が顕著になり、小型化の点では不利になります。
2. 放熱器の選定
放熱器別取りつけのソリッドステート・リレー(SSR)(形G3NA、形G3NE、形G3PE(三相)など)では標準の放熱器が準備されており、商品カタログから負荷電流に合わせて選定ください。
例えば、
形G3NA-220B-UTU:形Y92B-N100
形G3NE-210T(L)-US:形Y92B-N50
形G3PE-235B-3H:形Y92B-P200
となります。
市販の放熱器を使用される場合は、弊社標準の放熱器の熱抵抗よりもより小さな熱抵抗の放熱器をご使用ください。
例えば、形Y92B-N100熱抵抗の値は
形Y92B-N100の熱抵抗値=1.63℃/W
であり、この値より小さい熱抵抗の放熱器であれば(例えば1.5℃/W)、形G3NA-220B-UTUを定格で使用することが可能になります。
熱抵抗値とは単位熱量(W)当たりの温度上昇を示しており、その値が小さければ放熱性がよいということになります。
3. 放熱板面積の求め方
放熱器別取りつけのソリッドステート・リレー(SSR)を直接制御盤などのフレームに取りつけて使用する場合、次の注意事項が必要です。
4. 制御盤の放熱設計
ソリッドステート・リレー(SSR)に限らず半導体が使用されている制御機器は、自己発熱します。半導体は周囲温度が上昇するとその故障率が大幅に増加し、10℃温度上昇すると故障率は2倍になるといわれています(アーレニウスモデル)。
従って、制御盤内の温度上昇を押さえることは、制御機器の長期間の信頼性を確保する上で重要です。
制御盤内では様々な発熱機器が存在するため、局所的な温度上昇を考慮することは当然必要ですが、制御盤全体としての放熱設計の考え方を示します。
固体壁の両側にある高温流体と低温流体の温度をそれぞれth、tcとし、伝熱面積をAとした場合、固体壁を通して移動する伝熱量Qは次の式で与えられます。
Q=k(th-tc)A
ここでkは熱通過係数(W/m2℃)で、この式を熱通過の式と呼びます。
制御盤からの伝熱量が熱通過の式に従うものとして、
制御盤の平均熱通過率 k(W/m2℃)
制御盤内温度 Th(℃)
制御盤外温度 Tc(℃)
制御盤の表面積 S(m2)
とすると、制御盤から熱通過による伝熱量Qは
Q=k×(Th-Tc)×S
になります。従って
制御盤内の所望温度 Th
制御盤内の総発熱量 P1(W)
必要冷却能力 P2(W)
とすると必要冷却能力は次の式で計算されます。
P2=P1-k×(Th-Tc)×S
空気中の一般的な固体壁で自然対流の場合、熱通過率kは4~12(W/m2℃)になります。通常の制御盤(冷却ファンなどが全くない場合)の場合は4~6(W/m2℃)で計算すると実際とよく一致することが、経験的に判っています。この値を使って、実際の制御盤の必要冷却能力を計算すると次のようになります。
例 ・制御盤内希望設定温度 40℃
・制御盤外温度 30℃
・制御盤サイズ 幅2.5m×高さ2m×奥行0.5mの自立型制御盤(底面部は表面積から除く)
・ソリッドステート・リレー(SSR)
形G3PA-240B 20台を30Aで連続使用
・ソリッドステート・リレー(SSR)以外の制御機器の総発熱量 500W
制御盤内総発熱量P1
P1=出力オン電圧降下1.6V×負荷電流30A×
20台+ソリッドステート・リレー(SSR)以外の制御機器の総発熱量
=960W+500W=1460W
制御盤からの放熱量Q2
Q2=熱通過率5×(40℃-30℃)×(2.5m×2m×2+0.5m×2m×2+2.5m×0.5m)=662.5W
従って必要冷却能力P2は
P2=1460-663=797W
となり、制御盤表面からの放熱だけでは不十分で、797W以上の熱量を制御盤外へ放出する処置が必要になります。
通常は必要能力の換気用のファンを設置しますが、ファンだけで冷却能力が不足する場合は、制御盤用クーラの設置します。制御盤用クーラは冷却だけでなく、防湿、防塵対策にも有効であり、長期に制御盤を使用する場合には、非常に有効です。
軸流ファン オムロン製 形R87B/F/Tシリーズ
制御盤用クーラ アピステ製 ENCシリーズ
5. 冷却装置の種類
換気用軸流ファン
通常の換気冷却に使用します。
当社では形R87F、形R87T などのAC軸流ファン・シリーズの商品を用意しています。
熱交換器
制御盤内の熱をヒートパイプで放出する構造となっており、制御盤内と盤外を隔離できるため、塵埃の多い場所やオイルミストがある場所でもご使用いただけます。
※当社では商品の用意はしておりません。
制御盤用クーラ
最も高い冷却能力を実現できるとともに制御盤内と盤外の隔離による防塵効果や除湿効果も併せ持っています。
※当社では商品の用意はしておりません。
密閉された盤ですとソリッドステート・リレー(SSR) から発生した熱が内部にこもり、ソリッドステート・リレー(SSR)の通電能力が低下するばかりか、他の電子機器にも悪影響を与えます。必ず盤の上部と下部に通風用の穴を設けてご使用ください。
形G3PAでの推奨例を以下に示します。下記例は、目安ですので最終的に4.項の「設置後の確認」を実施ください。
1. ソリッドステート・リレー(SSR)の取りつけ間隔(盤内取りつけ条件)
2. ソリッドステート・リレー(SSR)とダクトの関係(ダクト奥行)
3. 制御盤外への換気方法
※吸気口あるいは排気口がフィルタ付きの場合、目詰まりによる効率低下を防ぐために定期的な清掃を行ってください。
※吸気口や排気口の内・外の周辺は吸気・排気の障害となるような物を置かないようにしてください。
※熱交換器使用時は、形G3PA前面の位置に取りつけるほうが効果的と思われます。
4. 設置後の確認
前記条件は、当社で確認した代表例です。ご使用環境により異なる場合がありますので、最終的に通電中の周囲温度を測定していただき、形式ごとに規定されている「負荷電流-周囲温度定格」を満足していることを確認してください。
周囲温度測定条件
(1)制御盤内の温度が最も高くなる通電条件とし、周囲温度が飽和した状態で測定してください。
(2)周囲温度測定位置は図1を参照してください。もし、測定距離100mm以内にダクトや他の機器がある場合は図2を参照してください。また、側面温度が測定できない場合には、図3を参照してください。
(3)盤内に2段以上、ソリッドステート・リレー(SSR)を取りつけている場合には、全段の周囲温度を測定し、最も温度が高いところを基準にしてください。ただし、測定条件が上記に当てはまらない場合には、別途、お問い合わせください。
周囲温度の定義
ソリッドステート・リレー(SSR)は自然対流による放熱を基本としています。このため、周囲温度はソリッドステート・リレー(SSR)の放熱を行う空気の温度を周囲温度とします。
ソリッドステート・リレー(SSR)の構造と機能について
サイリスタとトライアックとの相違について教えてください。
抵抗負荷については同じです。
ただ、誘導負荷ではサイリスタの逆並列の方が有利になっています。
ソリッドステート・リレー(SSR)にはスイッチング素子にトライアックを使用した場合と、サイリスタの逆並列接続使用した場合があります。
急激な立ち上がりや立ち下がりに素子が追従できるかどうかの特性に、サイリスタとトライアックでは違いがあります。
この特性はdv/d(t 単位V/μs)で表します。この値はサイリスタ>トライアックとなっています。
誘導負荷でも3.7kWクラスのモータまでは、十分トライアックで開閉可能ですしトライアック1素子でサイリスタの逆並列と同等の機能を有するので、ソリッドステート・リレー(SSR)の小型化にも貢献します。
注. dv/dt:電圧上昇率
| 抵抗負荷 | 誘導負荷 | |||
| 40A以下 | 40A超える | 3.7kW以下 | 3.7kW超える | |
| トライアック | ○ | ○ | ○ | △ |
| サイリスタ×2 | ○ | ○ | ○ | ○ |
シリコングリスとは何ですか?
シリコングリスとは一般的に、放熱用シリコングリス(放熱用コンパウンド)と呼ばれるものをいいます。
これは、通常のシリコングリスより熱電導率が5~10倍高くなっています。
シリコングリスはソリッドステート・リレー(SSR)のように発熱する部品から放熱板への伝熱をよくするのを目的に、伝熱の妨げになる空隙を埋めるために使用します。
また、シリコングリスを塗布しないと熱が十分放熱されず、ソリッドステート・リレー(SSR)が加熱破壊や熱劣化を起こす原因となります。
●放熱用シリコングリスの例
モメンティブジャパン YG6260
信越シリコーン G746、G747
ゼロクロス機能とは?
ゼロクロス機能交流は、負荷電圧のゼロボルト付近でONすることにより、急激な負荷電流の立ち上り時に発生するノイズを抑えます。
ノイズには電源ラインに直接のるものと、空間へ放射されるものがあり、この双方にゼロクロス機能は効果があります。
(また、ランプのON時など、大変大きな突入電流が流れますが、ゼロクロス機能を持った負荷電流が必ずゼロボルト付近からONしますので、ゼロクロス機能のないソリッドステート・リレー(SSR)に比べると突入電流を抑えることができます。)
サージオン電流の非繰り返しとは何ですか?
カタログに記載しているサージオン電流耐量は、非繰り返しとなっています。これは素子の絶対最大定格の考え方と同じで、一回でもこのレベルを超えた電流値には、耐えることができないということです。
従って、通常のON・OFFでサージオン電流が流れる場合、繰り返しの耐量(非繰り返し×1/2)以下であるということを確認してください。 ソリッドステート・リレー(SSR)をサージオン電流耐量の1/2以下でお使いの場合、有接点リレーのような接点の摩耗による劣化はありません。しかし、ON・OFFが連続的に繰り返され、定格電流を越える電流が頻繁に流れると、ソリッドステート・リレー(SSR)が発熱し故障の原因となります。ソリッドステート・リレー(SSR)が高温にならないようご注意ください。
非繰り返し以下で繰り返し以上のサージオン電流は、1日1~2回(1日に1回、装置に電源を入れるケース等)程度が目安です。
形G3NE-220T-US
ソリッドステート・リレー(SSR)の接続・回路について
ソリッドステート・リレー(SSR)の出力側の並列接続(OR回路)はできますか?
並列接続は可能です。
主に、オープンモード故障の補償のために用います。
出力ONの電圧降下に差があるため、通常はどちらか片方のソリッドステート・リレー(SSR)だけがONし、もう片方のソリッドステート・リレー(SSR)はOFF状態となります。
従って、並列接続により負荷電流を大きくすることはできません。
通電中にON状態のソリッドステート・リレー(SSR)がオープン状態になると、もう片方のソリッドステート・リレー(SSR)に電圧が加わってON状態となり、通電を維持します。

例. 15A定格のSSR2台並列接続して25Aヒータを制御することはできません。
AC 負荷開閉用ソリッドステート・リレー(SSR)の出力側の直列接続(AND回路)はできますか?
直列接続は可能です。
主に、ショートモード故障の補償のために用います。
また、サージ電圧についてそれぞれのソリッドステート・リレー(SSR)で分担することになり、過電圧が分圧され、ソリッドステート・リレー(SSR)の負担が軽減されます。
しかし、直列接続の時は、使用電圧を高くすることはできません。
動作時間や復帰時間の差により、開閉時に負荷電圧の分担ができないからです。
AC400Vの負荷をAC200V用ソリッドステート・リレー(SSR)の直列接続で使用できますか?
使用できません。
2個のソリッドステート・リレー(SSR)の動作時間がわずかに違うため、瞬間的ではありますが、遅れてONするソリッドステート・リレー(SSR)にAC400Vが印加されます。
直流負荷用ソリッドステート・リレー(SSR)のサージ吸収回路は、どうしたらよいですか?
直流負荷開閉形ソリッドステート・リレー(SSR)の出力側ノイズ・サージ対策について。
ソレノイド・電磁弁などのL負荷を接続される場合は、逆起電圧防止ダイオードを接続してください。
ソリッドステート・リレー(SSR)の出力素子の耐電圧を超えた逆起電圧がかかった場合、ソリッドステート・リレー(SSR)の出力素子の破壊の原因となります。
対策としては、表1の素子を負荷と並列に挿入します。(下図参照)
吸収素子のうち、ダイオード方式が逆起電圧を抑制する効果が最も高くなります。ただしソレノイドや電磁弁の復帰時間は長くなります。実使用回路にてご確認の上、ご使用ください。
なお、復帰時間を短くする対策としては、ダイオードとツェナーダイオードを使用する方法があります。この場合、ツェナーダイオードの、ツェナー電圧(Vz)を高くすればするほど復帰時間は短くなります。
表1. 吸収素子例
| 吸収素子 | ![]() | ![]() | ![]() | ![]() |
| ダイオード | ダイオード+ツェナーダイオード | バリスタ | CR | |
| 効果 | ○ | ○ | △ | × |
参考
①ダイオードの選定方法
耐電圧=VRM≧電源電圧×2
順電流=IF≧負荷電流
②ツェナーダイオードの選定方法
ツェナー電圧=Vz<(SSRのコレクタ-エミッタ間電圧)-(電源電圧+2V)
ツェナー・サージ電力=PRSM>Vz×負荷電流×安全率(2~3)
注. ツェナー電圧(Vz)が高くなるとツェナーダイオードの容量(PRSM)が大きくなります。
ソリッドステート・リレー(SSR)の取りつけ方法について
ソリッドステート・リレー(SSR)の取りつけ方向性はありますか?
ソリッドステート・リレー(SSR)は半導体素子で構成されており、稼動部のあるメカニカルリレーのように重力による特性の変化はありません。
しかし、放熱効果が変化することにより通電電流が制限されることがあります。
正規取りつけ方向は鉛直取りつけです。
やむを得ず平面取りつけにする場合は、カタログ記載データを確認ください。
データの記載がないものは、定格負荷電流を30%以上低減してご使用ください。
鉛直取りつけ
・正規取りつけ方向は、鉛直取りつけです。
平面取りつけ
・平面取りつけの場合、負荷電流-周囲温度定格グラフより負荷電流を30%低減してください。
また、G3PE-2N/-3N(DINレール取りつけタイプ)は以下の鉛直方向と逆さ方向の取りつけを行うと耐衝撃に弱くなりますのでご注意ください。
正規方向(鉛直方向)耐衝撃:294m/s2
鉛直方向逆さ取付 耐衝撃:98m/s2
密着取りつけ密集取りつけの注意はなにかありますか?
密着取りつけの場合、カタログ記載のデータを確認ください。データ記載のないものは、負荷電流を70%以下に低減してご使用ください。
密集取りつけは、1列並びの場合10mmの間隔をあけた状態で100%通電可能と考えてください。
多列並びの密集取りつけは個別にソリッドステート・リレー(SSR)の温度上昇を確認することが必要です。ただし、放熱器付のソリッドステート・リレー(SSR)では左右方向の密着取りつけでは80%に低減してください。
なお、詳細は個別のカタログを参照ください。
形G3PA
・3台までは密着取りつけも可能です(80%に低減)
形G3PE
●密着取りつけ(3台、8台)
形G3PE-215B
形G3PE-225B
密着取りつけ例
ソリッドステート・リレー(SSR)の故障事例・注意点について
ソリッドステート・リレー(SSR)の故障をチェックしたいのですが、テスターでソリッドステート・リレー(SSR)の導通を確認できますか?
導通は確認できません。
テスターの導通チェックでは、テスターの内部回路電圧、電流が低いためソリッドステート・リレー(SSR)の内部に使用している半導体素子(トライアック、サイリスタ)の動作を確認することができません。
なお、下記の方法のように負荷を接続すれば故障チェックができます。
●測定方法
負荷と電源を接続した状態で、入力をON・OFF させた時のLOAD端子の電圧を測定します。
ソリッドステート・リレー(SSR)のOFF 時は電源電圧に近い値、ON時は約1V程度の電圧が出てきます。
また模擬負荷として100W 程度の電球を使用すると容易に動作確認ができます。(ただし、電球の容量はソリッドステート・リレー(SSR)の定格範囲内のものをお使いください)
ソリッドステート・リレー(SSR)はどういう故障モードが多いのですか?
オムロンのデータでは過電圧・過電流によるショート故障モードが大半を占めています。なお、これは出力動作で判断しているもので、入力側のショートオープンも故障モードとしてあります
| 故障モード | 負荷故障状態 | |
| 入力 | ショート | ONしない |
| オープン | ||
| 出力 | ショート8割(出力トライアック) | OFFしない |
| オープン2割(出力トライアック) | ONしない |
単相モータの正逆運転の留意点は?
コンデンサモータ開閉におけるソリッドステート・リレー(SSR)の選定について。
| 単相100V | 推奨ソリッドステート・リレー(SSR)の負荷電流 | 正逆運転時の保護 R |
| 25W | AC2~3A | R=6Ω 10W |
| 40W | ||
| 60W | AC5A | R=4Ω 20W |
| 90W | R=3Ω 40~50W |
| 単相200V | 推奨ソリッドステート・リレー(SSR)の負荷電流 | 正逆運転時の保護 R |
| 25W | AC2~3A | R=12Ω 10W |
| 40W | ||
| 60W | AC5A | R=12Ω 20W |
| 90W | R=8Ω 40W |
●正逆運転に関する注意点
(1)下図においてSSR1とSSR2が同時にONした場合コンデンサの放電電流iがソリッドステート・リレー(SSR)を破壊することがあります。
従ってSSR1とSSR2の切替時は必ず30ms以上のタイムラグを取ってください。
また外来ノイズ、モータの逆起などによるソリッドステート・リレー(SSR)の誤動作が懸念される場合、SSR1かSSR2のいずれか使用率の低い方と直列に放電電流iを抑制するRを挿入してください。
そしてソリッドステート・リレー(SSR)の誤動作を抑制する方法としましては、各ソリッドステート・リレー(SSR)と並列にCRアブソーバ(0.1μF630V+22Ω 2W)を挿入する方法があります。
(2)同じく正逆運転時におきまして、OFFしている側のソリッドステート・リレー(SSR)の両端には、モータのLC共振により最大で電源電圧の2倍の電圧が印加されることがあります。
ソリッドステート・リレー(SSR)の選定においては、この電圧がソリッドステート・リレー(SSR)の定格負荷電圧をこえないようご注意ください。(OFF側のソリッドステート・リレー(SSR)に印加される電圧を実測し、使用の可否を判定する必要があります)
パワーMOS FETリレーについて
パワーMOS FETリレーとは
パワーMOS FETリレーとは、出力素子にパワーMOS FETを使用したソリッドステート・リレー(SSR)です。
主に、信号の開閉・接続用途に使用されます。
ソリッドステート・リレー(SSR)とパワーMOS FETリレーにはどのような違いがありますか?
ソリッドステート・リレー(SSR)とパワーMOS FETリレーには大きく2つの違いがあります。
(1)ソリッドステート・リレー(SSR)には直流用と交流用があります。
直流用
(例:形G3HD-X03)
交流用
(例:形G3H)
(2)ソリッドステート・リレー(SSR)と比較して漏れ電流が小さい
ソリッドステート・リレー(SSR)
漏れ電流によりランプが暗点灯します。これを防止するためにブリーダ抵抗を付加します。ソリッドステート・リレー(SSR)は、出力素子保護のためスナバ回路が必要となります。
パワーMOS FETリレー
漏れ電流が微小(10μA以下)のため、ランプの暗点灯はありません。これは、出力素子のMOS FETの保護にスナバ回路が不必要なためです。MOS FETの保護にはバリスタを用いています。
パワーMOS FETリレーはどうしてAC/DC負荷が共用できるのですか?
下の図のようにパワーMOS FETリレーは、2個のMOS FETを直列接続しているため負荷電源の接続方向を選びません。また、パワーMOS FET素子の耐電圧も高いため、1サイクル毎に極性の変わるAC負荷でも使用できます。
パワーMOS FETリレーの用途例について教えてください。
ソリッドステート・リレー(SSR) は一般的なリレーとは異なり、開閉素子に半導体を使用しているため機械的な接点がありません。また、信号の伝達を電子回路で行うため、駆動部がなく機械的な摩耗も生じません。このため、ソリッドステート・リレー(SSR)の耐用年数については、使用している素子の耐用年数に加え、はんだ付け部、構成材料の劣化という考え方が必要です。
オムロンでは、一般的にバスタブ曲線で故障率が高くなり始める摩耗故障期間(ソリッドステート・リレー(SSR)の場合は劣化が顕在化し始める期間)へ移行する時期をソリッドステート・リレー(SSR)の耐用年数と考え、ご使用環境によって変化しますが、約10年と推定しています。
電子部品・電子機器のバスタブ曲線について
電子部品、電子機器製品は、正しく使用していても長年の周囲環境の温度変化や部品の発熱による温度変化などが要因となる熱ストレスにより接合部や構成材料の劣化、 LEDの発光効率の低下などの特性変化が生じます。
このため、一般的に出荷後の電子部品、電子機器製品の故障率はバスタブ曲線になるといわれます。
ソリッドステート・リレー(SSR)の耐用年数についても、バスタブ曲線にあてはめて考えます。
ソリッドステート・リレー(SSR)の耐用年数(期待値)について
オムロンでは、ソリッドステート・リレー(SSR)を定格内でご使用になった場合の耐用年数が10年以上となるように、考慮した設計をしております。
*耐用年数については、弊社試験基準に基づき算出しておりますので、ご使用環境により変化することをあらかじめご了承ください。
| バスタブ 曲線 故障形態 | 原因 | 故障要因 | 保守/ メンテナンス方法 | 保守期間の 目安 | 備考 |
| 初期・ 偶発故障 期間 | 負荷要因 | 過電圧 ・雷サージ、逆起電圧 など | 交換 | 故障発生時 | |
| 過電流 ・サージオン電流、負荷短絡、 地絡 など | |||||
| 使用環境 の悪化 (温度条 件) | 放熱環境の低下 ・換気窓の目詰まり ・換気用ファン、盤クーラーな どの故障 ・ソリッドステート・リレー (SSR)用放熱器(フィン)の 汚れ など | 定期的な点検・清 掃による放熱環境 の維持 *低下すると、劣化 または金属疲労の 加速要因となる。 | − *使用環境に よって任意 に設定 | 使用箇所の放熱環 境を把握しておく必 要がある ・取付状態、周囲温 度、環境 ・空気の対流を考慮 した配置など | |
| 電子部品 の 偶発故障 | 電子部品(半導体)の偶発的 な故障 ・使用している部品(電子部 品)の 製造不良または、 初期故障 | 交換 | 故障発生時 | ||
| 製造不良 | メーカ起因の不良 ・製造工程での製造不良 ・設計ミスによる故障 | 交換 | 故障発生時 | ||
| 摩耗故障 期間 | 絶縁劣化 | ソリッドステート・リレー(SSR) 端子部周辺の汚れによる絶 縁劣化 湿気が高いと絶縁劣化を助 長する | 定期的な点検・清 掃による絶縁性能 の維持 | − *使用環境に よって任意 に設定 | |
| 接合部の 金属疲労 または はんだの 劣化 | 熱膨張係数の異なる材料を 接合しているため、長年の温 度変化による応力の蓄積に よって金属疲労が生じる | 交換 | 10年 *使用環境に あった定期 点検を推奨 | 放熱環境や、負荷 率などのご使用環 境により変化する |