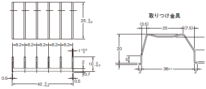
(単位:mm)
この商品について
関連情報
情報更新 : 2024/11/18
(単位:mm)
形G3S4-A
形G3S4-D
形G3S4-A1
形G3S4-D1
形P6BF-4BND(動作表示灯つき)
形G3S-201PL-PD
形G3SD-Z01P-PD
「共用ソケット/DINレール関連商品」をご覧ください。
情報更新 : 2024/11/18
© Copyright OMRON Corporation 1996 - 2025.
All Rights Reserved.

