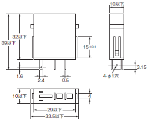
(単位:mm)
I/Oリレーターミナル
この商品について
関連情報
情報更新 : 2024/11/18
(単位:mm)
形G7TC-ID16
形G7TC-IA16
形G7TC-OC16
形G7TC-OC16-1
各端子の渡り配線必要時にご活用いただけます。最大通電電流20A
リレーを介さずに直接出力できます。
詳細は、データシートの外部接続例を参照ください。
入力用には使用できませんのでご注意ください。
スリムリレーを使ったシーケンスや、I/Oリレーターミナルの1cへの展開の用途にご使用いただけます。
I/Oリレーターミナル 形G7TCの一部を1c仕様でご使用の場合、I/Oターミナルには出力用短絡モジュールを入れていただき、その出力にこのソケットと1c仕様リレーを組み合わせてご使用ください。
形P7TF-05の透明化粧板を外して、このモジュールを装着することでサージ吸収と動作表示灯機能つきとなります。
支持レール
形PFP-100N
形PFP-50N
エンドプレート
形PFP-M
スペーサ
形PFP-S
情報更新 : 2024/11/18
© Copyright OMRON Corporation 1996 - 2026.
All Rights Reserved.
