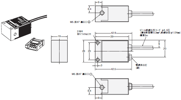
(単位:mm)
圧力センサ
※ このページの記載内容は、生産終了以前の製品カタログに基づいて作成した参考情報であり、製品の特長 / 価格 / 対応規格 / オプション品などについて現状と異なる場合があります。ご使用に際してはシステム適合性や安全性をご確認ください。
この商品について
関連情報
情報更新 : 2010/08/02
(単位:mm)
※形XN2A-1430を1個付属しています。
※形XN2A-1430を1個付属しています。
※形XN2A-1430を1個付属しています。
※形E89-M3-S、形E89-M4-Sには1個付属しています。
※形E8M-MP8に1個付属しています。
情報更新 : 2010/08/02
© Copyright OMRON Corporation 1996 - 2026.
All Rights Reserved.
