Page top

EE-□

フォト・マイクロセンサ アクセサリ

EE-□

コネクタ/コネクタ保持金具

※ Web特別価格提供品

この商品について

(単位:mm)

指定なき寸法公差:公差等級 IT16

フォト・マイクロセンサ専用コネクタ/コネクタ保持金具

コネクタ

形EE-1001

EE-□ 外形寸法 3

コネクタ((+)端子とL端子短絡)

形EE-1001-1

EE-□ 外形寸法 4

コード付コネクタ

形EE-1006 2M(形EE-1006 1M)

EE-□ 外形寸法 5

適合するフォト・マイクロセンサ:形EE-SX67□(A、P、R)(コネクタタイプのみ)、形EE-SX47□、形EE-SY67□、形EE-SPY31□/41□、形EE-SPX303N/403N

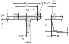
コネクタ保持金具

形EE-1006A

EE-□ 外形寸法 7

下記フォト・マイクロセンサに形EE-1006 を使用した場合のみ使用可能
適合するフォト・マイクロセンサ:形EE-SX670□/470□、形EE-SY671/672

フォト・マイクロセンサ専用コネクタ

コネクタ

形EE-1009

EE-□ 外形寸法 10

コード付コネクタ/ロボットコード付コネクタ

形EE-1010 2M(形EE-1010 1M)
形EE-1010-R 2M(形EE-1010-R 1M)

EE-□ 外形寸法 11

適合するフォト・マイクロセンサ:形EE-SX67□(A、P、R)(コネクタタイプのみ)、形EE-SX47□、形EE-SY67□、形EE-SPY31□/41□、形EE-SPX303N/403N

ロボットコード付コネクタ

形EE-1016-R

EE-□ 外形寸法 13

適合するフォト・マイクロセンサ:形EE-SX95□-C1J-R

フォト・マイクロセンサ専用コネクタ/コネクタ保持金具

コネクタ

形EE-1002

EE-□ 外形寸法 16

適合するフォト・マイクロセンサ:形EE-SPX301/401、形EE-SPY30□/40□

コード付コネクタ

形EE-1003

EE-□ 外形寸法 18

適合するフォト・マイクロセンサ:形EE-SPX301/401、形EE-SPY30□/40□

コネクタ保持金具(形EE-1003専用)

形EE-1003A

EE-□ 外形寸法 20

適合するフォト・マイクロセンサ:形EE-SPX301/401、形EE-SPY30□/40□

コード付コネクタ

形EE-1013

EE-□ 外形寸法 22

適合するフォト・マイクロセンサ:形EE-SPX74□/84□

コード付コネクタ/ロボットコード付コネクタ

形EE-1017
形EE-1017-R

EE-□ 外形寸法 24

適合するフォト・マイクロセンサ:形EE-SX97□-C1、形EE-SX97□P-C1

NPN→PNP変換コネクタ

形EE-2001

EE-□ 外形寸法 26

適合するフォト・マイクロセンサ:形EE-SPX301/401、形EE-SPY30□/40□

NPN→PNP変換コネクタ

形EE-2002 *

EE-□ 外形寸法 28

*形EE-SX67□/形EE-SY67□を入光時ONとしてお使いいただくことはできません。
適合するフォト・マイクロセンサ:形EE-SX67□/□A(コネクタタイプのみ)、形EE-SX47□、形EE-SY67□、形EE-SPY31□/41□、形EE-SPX303N/403N