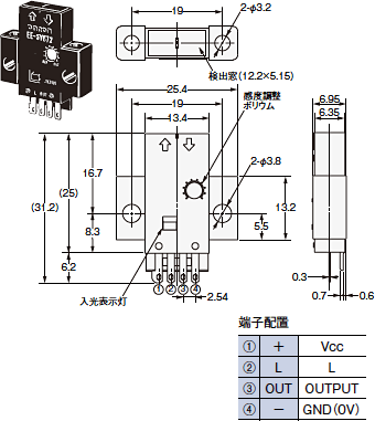
(単位:mm)
感度ボリウム付反射形(直流光)フォト・マイクロセンサ
2026年09月受注終了予定
EE-SY671は2026年5月受注終了予定
※ Web特別価格提供品
情報更新 : 2008/08/18
(単位:mm)
指定なき寸法公差:公差等級 IT16
情報更新 : 2008/08/18
© Copyright OMRON Corporation 1996 - 2026.
All Rights Reserved.
