(単位:mm)

([]内単位:インチ)

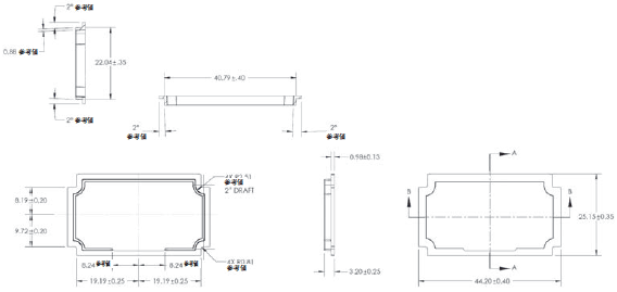
コードリーダ
形V420-F

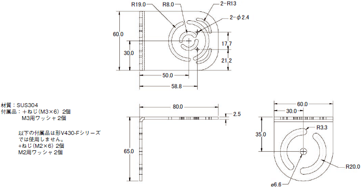
L字型ブラケット(角度調整可能)
形V430-AM0

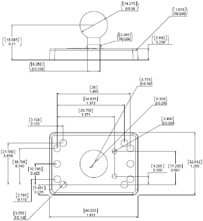
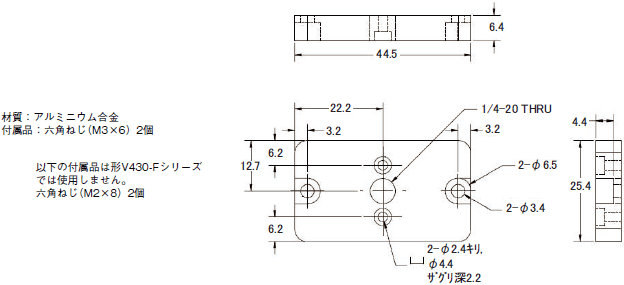
カメラマウントブラケット
形V430-AM1

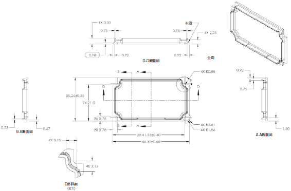
カメラマウントスタンド
形V430-AM2

カメラマウント(上下左右可動)
V430-AM3

交換用フロントカバー
形V430-AF10
拡散板
形V430-AF11
偏光板
形V430-AF12
YAGフィルタ
形V430-AF4
ESDセーフカバー
形V430-AF5

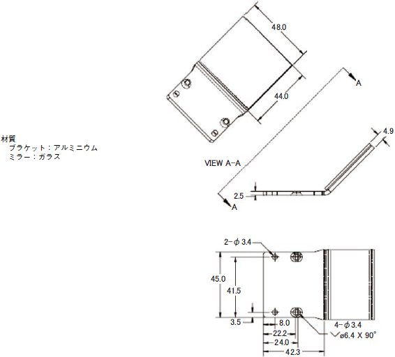
ライトアングルミラー
形V430-AF3

赤色フィルタ付きフロントカバー
形V430-AF6
青色フィルタ付きフロントカバー
形V430-AF7
赤色内蔵LED
形V430-ALR
白色内蔵LED
形V430-ALW
青色内蔵LED
形V430-ALB
赤外内蔵LED
形V430-ALI

USB分岐ケーブル(外部電源なし)
形V420-WUB-1M

USB分岐ケーブル(外部電源接続用)
形V420-WUX-1M

RS-232C分岐ケーブル(外部電源接続用)
形V420-WRX-1M

USB分岐ケーブル(I/O分岐および電源接続用)
形V420-WU8X-1M

RS-232C分岐ケーブル(I/O、USB分岐および電源接続用)
形V420-WRU8X-1M

オムロン製 プログラマブルコントローラ(CS/CJ/NJ)接続用RS-232Cケーブル
形V430-WPLC-2M

電源(ACアダプタ)
USB分岐ケーブル(外部電源接続用) 形V420-WUX-1M用
RS-232C分岐ケーブル(外部電源接続用) 形V420-WRX-1M用
97-9000006-01

電源(ACアダプタ)
USB分岐ケーブル(I/O分岐および電源接続用)V420-WU8X-1M用
RS-232C分岐ケーブル(I/O、USB分岐および電源接続用)V420-WRU8X-1M用
97-000011-02

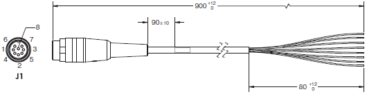
I/Oケーブル
61-000151-01