Page top

New

S8NR-S / S8R-BB

耐環境型IP67・パワーサプライ/DC遮断BOX

S8NR-S / S8R-BB

IP67対応と機能集約で盤外での電源・安全回路構築をシンプルに実現

※ Web特別価格提供品

S8NR-S

接続

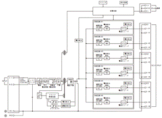
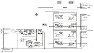
ブロック図

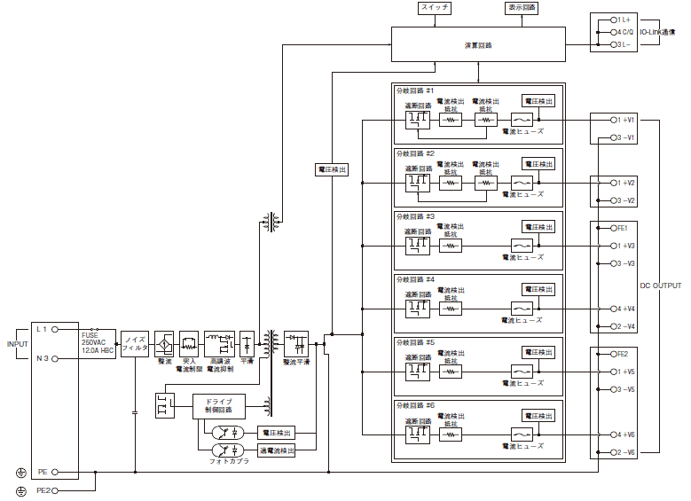
形S8NR-S36024-A0L2-IL3

S8NR-S / S8R-BB 配線/接続 3

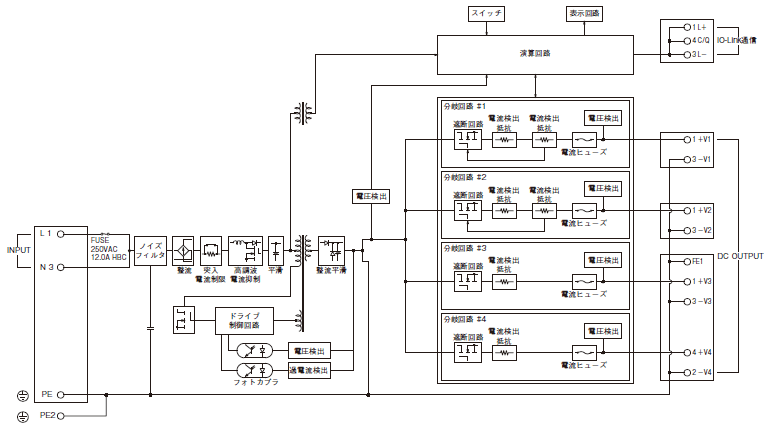
形S8NR-S36024-A2L1-IL3

S8NR-S / S8R-BB 配線/接続 4

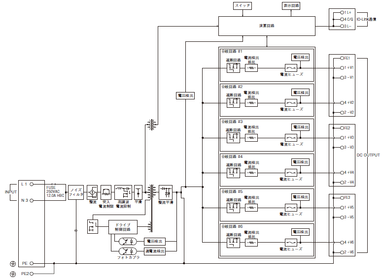
形S8NR-S60024-A0L3-IL3

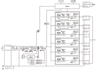
S8NR-S / S8R-BB 配線/接続 5

形S8NR-S60024-A2L2-IL3

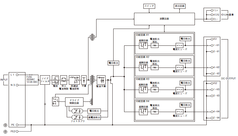
S8NR-S / S8R-BB 配線/接続 6

S8R-BB

接続

ブロック図

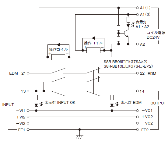
形S8R-BB06□□
形S8R-BB10□□

S8NR-S / S8R-BB 配線/接続 9