Page top

(単位:mm)

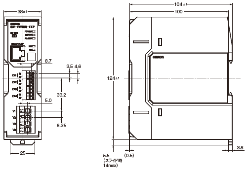
本体

形KM-PMBN-EIP

KM-PM 外形寸法 2

専用CT

形KM-PCBE005

KM-PM 外形寸法 4

形KM-PCBE050

KM-PM 外形寸法 5

形KM-PCBE100

KM-PM 外形寸法 6

形KM-PCBE200

KM-PM 外形寸法 7

形KM-PCBE400
形KM-PCBE600

KM-PM 外形寸法 8

CT付属ケーブル

KM-PM 外形寸法 9

注. CT付属ケーブルはCTに取り付けられています。

DINレール取り付け用品(別売品)

支持レール

形PFP-100N
形PFP-50N

KM-PM 外形寸法 13

エンドプレート

形PFP-M

KM-PM 外形寸法 15