| 分類 | 定格電圧
(V) |
定格電流
(mA) |
コイル抵抗
(Ω) |
動作電圧
(V) |
復帰電圧
(V) |
使用電圧範囲
(V) |
消費電力
(mW) |
形式 |
|---|---|---|---|---|---|---|---|---|
| 標準形 | DC12 | 53.3 | 225 | 9.0以下 | 1.2以上 | DC10~16 | 約640 | 形G8PC-17 |
パワーリレー
この商品について
関連情報
情報更新 : 2025/03/03
| 分類 | 定格電圧
(V) |
定格電流
(mA) |
コイル抵抗
(Ω) |
動作電圧
(V) |
復帰電圧
(V) |
使用電圧範囲
(V) |
消費電力
(mW) |
形式 |
|---|---|---|---|---|---|---|---|---|
| 標準形 | DC12 | 53.3 | 225 | 9.0以下 | 1.2以上 | DC10~16 | 約640 | 形G8PC-17 |
注1. 定格電流、コイル抵抗はコイル温度が+20℃における値で、公差は±10%です。
注2. 動作特性はコイル温度が+20℃における値です。
| 分類 | 標準 |
|---|---|
| 形式 | 形G8PC-17 |
| 接触機構 | シングル |
| 接点材質 | Ag合金(Cdフリー材) |
| 定格通電電流 85℃ | 32A、連続 |
| 最大開閉電流 | 32A(AC277V) |
| 最小開閉電流 | 1A(AC250V) |
| 分類 | 標準 | |
|---|---|---|
| 接触抵抗 *1 | 10mΩ以下 | |
| 動作時間 | 10ms以下
(DC12Vにて。バウンス時間は含まない) |
|
| 復帰時間 | 5ms以下(DC12Vにて。バウンス時間は含まない) | |
| 絶縁抵抗 *2 | コイルー接点間 | 100MΩ以上 |
| 同極接点間 | 100MΩ以上 | |
| 耐電圧 | コイルー接点間 | AC2,000V 50/60Hz 1分間 |
| 同極接点間 | AC1,000V 50/60Hz 1分間 | |
| 耐振動 | 耐久 | 33Hz, 45m/s2 |
| 誤動作(検知時間:10μs) | 10~500Hz, 45m/s2 | |
| 耐衝撃 | 耐久 | 1,000m/s2(作用時間:6ms) |
| 誤動作(検知時間:10μs) | 100m/s2(作用時間:11ms) | |
| 機械的耐久性 *3 | 100万回以上 | |
| 電気的耐久性
(定格負荷) |
C+R負荷 | AC250V、突入2A/定常32A/遮断2A、0.5s ON/3s OFF、10万回以上(*4) |
| 抵抗負荷 | AC250V、投入5A/定常32A/遮断5A、0.5s ON/3s OFF、2.5万回以上 | |
| 使用周囲温度 | -40~85℃(105℃*5)
(ただし、氷結および結露しないこと) |
|
| 使用周囲湿度 | 35~85%RH | |
| 質量 | 約7.6g | |
注. 上記は特に記載がない限り、周囲温度+20℃、湿度65%以下の初期における値です。
*1. DC12V 10Aの電圧降下にて測定。
*2. DC500Vにて測定。
*3. 開閉ひん度:18,000回/時間
*4. 負荷回路を以下とします。
*5. 85℃超えの周囲温度でのご使用は電流・電圧・基盤等条件によって可能となる場合がありますが、参考データ項の電圧、通電電流と周囲温度のデータ、及び実負荷条件をご確認の上、弊社営業までお問い合わせください。
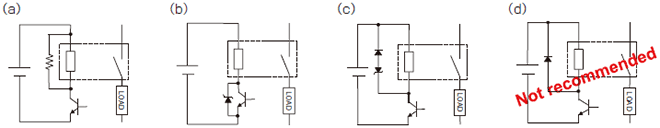
コイル駆動回路にサージキラーを接続することによってコイルのサージ電圧抑制・駆動回路保護の効果がありますので、下記に示す代表例(a)、(b)、(c)を回路設計上の参考としてください。また、(d)のような回路においては復帰時間遅延によりリレーの性能が著しく低下する可能性がありますので、必ず実負荷にてご確認の上、ご使用ください。
情報更新 : 2025/03/03
© Copyright OMRON Corporation 1996 - 2026.
All Rights Reserved.
