(単位:mm)

TM5S/TM5S-X */TM5S-M/TM5S-MX *
TM6S/TM6S-X */TM6S-M/TM6S-MX *

*カメラを含めない寸法です。詳細は、「ツールフランジ」の寸法を参照してください。

TM7S/TM7S-X */TM7S-M/TM7S-MX *
TM12S/TM12S-X */TM12S-M/TM12S-MX *

*カメラを含めない寸法です。詳細は、「ツールフランジ」の寸法を参照してください。

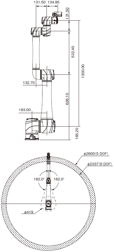
TM14S/TM14S-X */TM14S-M/TM14S-MX *
TM20S/TM20S-X *

*カメラを含めない寸法です。詳細は、「ツールフランジ」の寸法を参照してください。

TM25S/TM25S-X */TM25S-M/TM25S-MX *
TM30S/TM30S-X */TM30S-M/TM30S-MX *

*カメラを含めない寸法です。詳細は、「ツールフランジ」の寸法を参照してください。

ロボットベースの底面(TM5S/7Sモデル)
ロボットベースの底面(TM6S/12S/14S/20Sモデル)
ロボットベースの底面(TM25S/30Sモデル)
TM5S/6S/7S/12S/14S/20S コントロールボックス(AC)
TM5S/6S/7S/12S/14S コントロールボックス(DC)
TM5S/7S/12S/14S コントロールボックス(DC SEMI)
TM25S/30S コントロールボックス(AC)
TM25S/30S コントロールボックス(DC)
ツールフランジ
力/トルクセンサー内蔵ツールフランジ(TM25S/TM30Sモデル)