(単位:mm)
情報更新 : 2024/04/01
(単位:mm)
指定なき寸法公差:公差等級 IT16
透過形*
ケーブル引き出しタイプ
形E3ZR-CT61□
形E3ZR-CT81□
回帰反射形
ケーブル引き出しタイプ
形E3ZR-CR61□
形E3ZR-CR81□
拡散反射形
ケーブル引き出しタイプ
形E3ZR-CD61□
形E3ZR-CD81□
*透過形(形E3ZR-CT□1□(-M1TJ))は投光器、受光器のセット形式を掲載しています。
投光器の形式は「-L」(例:形E3ZR-CT61L-L 2M)、受光器の形式は「-D」(例:形E3ZR-CT61L-D 2M)が加わった表記となります。
投光器、受光器それぞれの形式は、「形式/種類」をご確認ください。
耐油反射板
形E39-R1R
材質:
〈反射面〉メタクリル樹脂 (耐油高分子量タイプ)
〈裏面〉アルミニウム
〈耐油用M3特殊ネジ〉ステンレス (SUS302)
スリット
形E39-S77A
形E39-S77B
センサ装着時の寸法(例:形E3ZR-CT61L)
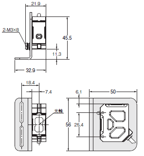
取りつけ金具
形E39-L153
材質:ステンレス (SUS304)
センサ装着時の寸法(例:形E3ZR-CT61L)
取りつけ金具
形E39-L104
材質:ステンレス (SUS304)
センサ装着時の寸法(例:形E3ZR-CT61L)
取りつけ金具
形E39-L98
材質:ステンレス (SUS304)
センサ装着時の寸法(例:形E3ZR-CT61L)
取りつけ金具
形E39-L196
材質:ステンレス (SUS304)
センサ装着時の寸法(例:形E3ZR-CT61L)
取りつけ金具
形E39-L197
材質:ステンレス (SUS304)
センサ装着時の寸法(例:形E3ZR-CT61L)
情報更新 : 2024/04/01
© Copyright OMRON Corporation 1996 - 2025.
All Rights Reserved.
