Page top

(単位:mm)

側面取りつけ形

プランジャ形
形ZE-Q-2
形XE-Q-2

ZE / ZV / ZV2 / XE / XV / XV2 外形寸法 2

ローラ・プランジャ形
形ZE-Q22-2
形XE-Q22-2

ZE / ZV / ZV2 / XE / XV / XV2 外形寸法 3

クロス・ローラ・プランジャ形
形ZE-Q21-2
形XE-Q21-2

ZE / ZV / ZV2 / XE / XV / XV2 外形寸法 4

ローラ・アームレバー形
形ZE-QA2-2
形XE-QA2-2

ZE / ZV / ZV2 / XE / XV / XV2 外形寸法 5

注1. 上記、各機種の外形寸法図中、指定のない部分の寸法公差は±0.4mmです。
注2. 外形図は2-M4(長さ45)ねじを取りつけた状態です。(実際は添付しています。)

ZE / ZV / ZV2 / XE / XV / XV2 外形寸法 7

一方向動作ローラ・アームレバー形
形ZE-QA277-2
形XE-QA277-2

ZE / ZV / ZV2 / XE / XV / XV2 外形寸法 8

シール・プランジャ形
形ZE-N-2
形XE-N-2

ZE / ZV / ZV2 / XE / XV / XV2 外形寸法 9

シール・ローラ・プランジャ形
形ZE-N22-2

ZE / ZV / ZV2 / XE / XV / XV2 外形寸法 10

シール・クロス・ローラ・プランジャ形
形ZE-N21-2

ZE / ZV / ZV2 / XE / XV / XV2 外形寸法 11

シール・ローラ・アームレバー形
形ZE-NA2-2
形XE-NA2-2

ZE / ZV / ZV2 / XE / XV / XV2 外形寸法 12

一方向動作シール・ローラ・アームレバー形
形ZE-NA277-2
形XE-NA277-2

ZE / ZV / ZV2 / XE / XV / XV2 外形寸法 13

注1. 上記、各機種の外形寸法図中、指定のない部分の寸法公差は±0.4mmです。
注2. 外形図は2-M4(長さ45)ねじを取りつけた状態です。(実際は添付しています。

ZE / ZV / ZV2 / XE / XV / XV2 外形寸法 15

底面取りつけ形、側面対角線取りつけ形

外形寸法の項目中、イラストは上が底面取りつけ形(形ZV-□、形XV-□)、下が側面対角線取りつけ形(形ZV2-□、形XV2-□)です。また、外形寸法図中、底面取りつけ面(フランジ)の形状は点線で示しています。

プランジャ形
形ZV(2)-Q-2
形XV(2)-Q-2

ZE / ZV / ZV2 / XE / XV / XV2 外形寸法 17

ローラ・プランジャ形
形ZV(2)-Q22-2
形XV(2)-Q22-2

ZE / ZV / ZV2 / XE / XV / XV2 外形寸法 18

クロス・ローラ・プランジャ形
形ZV(2)-Q21-2
形XV-Q21-2

ZE / ZV / ZV2 / XE / XV / XV2 外形寸法 19

ローラ・アームレバー形
形ZV(2)-QA2-2
形XV(2)-QA2-2

ZE / ZV / ZV2 / XE / XV / XV2 外形寸法 20

注. 上記、各機種の外形寸法図中、指定のない部分の寸法公差は±0.4mmです。

ZE / ZV / ZV2 / XE / XV / XV2 外形寸法 22

注1. 形ZV2-Q-2、形XV2-Q-2のOPは24.2±0.8mmです。
注2. 形ZV2-Q22-2、形XV2-Q22-2のOPは35.7±1mmです。
注3. 形ZV2-Q21-2のOPは35.7±0.8mmです。

一方向動作ローラ・アームレバー形
形ZV2-QA277-2

ZE / ZV / ZV2 / XE / XV / XV2 外形寸法 23

シール・プランジャ形
形ZV(2)-N-2
形XV(2)-N-2

ZE / ZV / ZV2 / XE / XV / XV2 外形寸法 24

シール・ローラ・プランジャ形
形ZV(2)-N22-2

ZE / ZV / ZV2 / XE / XV / XV2 外形寸法 25

シール・クロス・ローラ・プランジャ形
形ZV(2)-N21-2

ZE / ZV / ZV2 / XE / XV / XV2 外形寸法 26

注. 上記、各機種の外形寸法図中、指定のない部分の寸法公差は±0.4mmです。

ZE / ZV / ZV2 / XE / XV / XV2 外形寸法 28

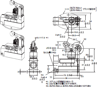
注1. 形ZV2-N-2、形XV2-N-2のOPは31.9±0.8mmです。
注2. 形ZV2-N22-2のOPは35.7±0.8mmです
注3. 形ZV2-N21-2のOPは35.7±0.8mmです。

シール・ローラ・アームレバー形
形ZV(2)-NA2-2
形XV(2)-NA2-2

ZE / ZV / ZV2 / XE / XV / XV2 外形寸法 29

一方向動作シール・ローラ・アームレバー形
形ZV(2)-NA277-2
形XV2-NA277-2

ZE / ZV / ZV2 / XE / XV / XV2 外形寸法 30

注. 上記、各機種の外形寸法図中、指定のない部分の寸法公差は±0.4mmです。

ZE / ZV / ZV2 / XE / XV / XV2 外形寸法 32