Page top

(単位:mm)

取りつけ穴加工寸法

取りつけにはM4ねじを用い、平座金、ばね座金などを使用して堅固に取りつけてください。の際の締めつけトルクは1.18~1.47N・mとしてください。
パネルに取りつける場合、アクチュエータの六角ナットの締めつけトルクは2.94~4.9N・mで行ってください。

Z 外形寸法 1

基準形 【一般形】/分割接触形

端子の種類

Z 外形寸法 3

外形寸法/動作特性

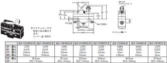
ピン押ボタン形
形Z-15G-B  形Z-15E-B
形Z-15H-B 形Z-01H-B
形Z-10FY-B

Z 外形寸法 5

スプリング細押ボタン形
形Z-15GS-B 形Z-01HS-B
形Z-15HS-B 形Z-10FSY-B

Z 外形寸法 6

注. 上記、各機種の外形寸法図中、指定のない部分の寸法公差は±0.4mmです。

スプリング短押ボタン形
形Z-15GD-B 形Z-01HD-B
形Z-15HD-B 形Z-10FDY-B
形Z-15ED-B

Z 外形寸法 8

パネル取りつけ押ボタン形
形Z-15GQ-B 形Z-01HQ-B
形Z-15HQ-B 形Z-10FQY-B
形Z-15EQ-B 形Z-15GQ3-B ※
形Z-15GQ8-B ※

Z 外形寸法 9

注1. M12取りつけねじとケース本体の取りつけ穴の同時使用はスイッチ本体に引張りの力が加わり、ケースとカバーが破損する原因となりますのでしないでください。
注2. 形Z-15GQ3-Bは形Z-15GQよりPTが大きくとれます。
注3. 形Z-15GQ8-B は、押ボタン部にねじをつけ動作位置の調整ができます。
注4. 形Z-15GQ8-B のプランジャ部のM3 深さ10は貫通穴となっていますので水やねじロック剤が浸入しないようご注意ください。

パネル取りつけローラ押ボタン形
形Z-15GQ22-B 形Z-15EQ22-B
形Z-15HQ22-B 形Z-10FQ22Y-B

Z 外形寸法 11

注. M12取りつけねじとケース本体の取りつけ穴の同時使用はしないでください。スイッチ本体の破損の原因となります。

注. 上記、各機種の外形寸法図中、指定のない部分の寸法公差は±0.4mmです。

パネル取りつけクロス・ローラ押ボタン形
形Z-15GQ21-B 形Z-15EQ21-B
形Z-15HQ21-B

Z 外形寸法 14

注. M12取りつけねじとケース本体の取りつけ穴の同時使用はしないでください。スイッチ本体の破損の原因となります。

リーフ・スプリング形
形Z-15GL-B

Z 外形寸法 16

ローラ・リーフ・スプリング形
形Z-15GL2-B

Z 外形寸法 17

ヒンジ・短レバー形
形Z-15GW21-B

Z 外形寸法 18

ヒンジ・レバー形
形Z-15GW-B 形Z-15GW32-B
形Z-15HW-B 形Z-10FWY-B
形Z-15GW3-B(レバー長さ:R56) ※

Z 外形寸法 19

注. 上記、各機種の外形寸法図中、指定のない部分の寸法公差は±0.4mmです。

小勢力ヒンジ・レバー形
形Z-15GW4-B

Z 外形寸法 21

形Z-15HW24-B

Z 外形寸法 22

小勢力ヒンジ・ワイヤ・レバー形
形Z-15HW78-B(レバー長さ:R110)※

Z 外形寸法 23

※アクチュエータの外形寸法が異なります。

注. ACの電気定格は10A 125、250Vです。

ヒンジ・ローラ・短レバー形
形Z-15GW22-B 形Z-01HW22-B
形Z-15HW22-B 形Z-10FW22Y-B
形Z-15EW22-B
形Z-15GW2-B※ 形Z-15HW2-B※
形Z-10FW2Y-B※

Z 外形寸法 26

注. 上記、各機種の外形寸法図中、指定のない部分の寸法公差は±0.4mmです。

ヒンジ・クロス・ローラ・短レバー形
形Z-15GW49-B
形Z-15GW54-B(レバー長さ:R48.7) ※

Z 外形寸法 28

※アクチュエータの外形寸法が異なります。

ヒンジ・ローラ・レバー形
形Z-15GW25-B

Z 外形寸法 30

一方向動作ヒンジ・ローラ・短レバー形
形Z-15GW2277-B

Z 外形寸法 31

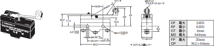
逆動作ヒンジ・レバー形 ※※
形Z-15GM-B

Z 外形寸法 32

逆動作ヒンジ・ローラ・短レバー形 ※※
形Z-15GM22-B形Z-10FM22Y-B

Z 外形寸法 33

逆動作ヒンジ・ローラ・レバー形 ※※
形Z-15GM2-B

Z 外形寸法 34

※※逆動作形とは、圧縮コイルばねにより常時押ボタンを押さえ込み、レバーの操作につれて反転動作するもので、 自由状態で押ボタンを押さえ込んでいるため、耐振動、耐衝撃性にすぐれています。
注. 上記、各機種の外形寸法図中、指定のない部分の寸法公差は±0.4mmです。

基準形 【防滴形(防滴端子保護カバーなし)】

端子の種類

防滴端子保護カバーなし

Z 外形寸法 38

外形寸法/動作特性

ピン押ボタン形
形Z-15G55-B
形Z-01H55-B

Z 外形寸法 40

スプリング短押ボタン形
形Z-15GD55-B
形Z-01HD55-B

Z 外形寸法 41

スプリング押ボタン形
形Z-15GK55-B

Z 外形寸法 42

形Z-15GK355-B

Z 外形寸法 43

注. 上記、各機種の外形寸法図中、指定のない部分の寸法公差は±0.4mmです。

パネル取りつけ押ボタン形
形Z-15GQ55-B

Z 外形寸法 45

パネル取りつけローラ押ボタン形

形Z-15GQ2255-B

Z 外形寸法 46

パネル取りつけクロス・ローラ押ボタン形
形Z-15GQ2155-B

Z 外形寸法 47

リーフ・スプリング形
形Z-15GL55-B

Z 外形寸法 48

注. 上記、各機種の外形寸法図中、指定のない部分の寸法公差は±0.4mmです。

ローラ・リーフ・スプリング形
形Z-15GL255-B

Z 外形寸法 50

ヒンジ・短レバー形
形Z-15GW2155-B

Z 外形寸法 51

ヒンジ・長レバー形
形Z-15GW4455-B

Z 外形寸法 52

ヒンジ・レバー形
形Z-15GW55-B

Z 外形寸法 53

ヒンジ・ローラ・短レバー形
形Z-15GW2255-B
形Z-01HW2255-B

Z 外形寸法 54

注. 上記、各機種の外形寸法図中、指定のない部分の寸法公差は±0.4mmです。

ヒンジ・ローラ・レバー形
形Z-15GW255-B

Z 外形寸法 56

一方向動作ヒンジ・ローラ・短レバー形
形Z-15GW227755-B

Z 外形寸法 57

逆動作ヒンジ・レバー形 ※
形Z-15GM55-B

Z 外形寸法 58

逆動作ヒンジ・ローラ・短レバー形 ※
形Z-15GM2255-B

Z 外形寸法 59

逆動作ヒンジ・ローラ・レバー形 ※
形Z-15GM255-B

Z 外形寸法 60

※逆動作形とは、圧縮コイルばねにより常時押ボタンを押さえ込み、レバーの操作につれて反転動作するものです。
注. 上記、各機種の外形寸法図中、指定のない部分の寸法公差は±0.4mmです。

フレキシブル・ロッド形(コイル・スプリング形)
形Z-15GNJ55-B

Z 外形寸法 62

フレキシブル・ロッド形(スチール・ワイヤ形)
形Z-15HNJS55-B

Z 外形寸法 63

注. 上記、各機種の外形寸法図中、指定のない部分の寸法公差は±0.4mmです。

基準形 【防滴形(防滴端子保護カバー付き)】

外形寸法/動作特性

ピン押ボタン形
形Z-15GA55-B5V

Z 外形寸法 67

形Z-15GK3A55-B5V

Z 外形寸法 68

パネル取りつけ押ボタン形
形Z-15GQA55-B5V

Z 外形寸法 69

パネル取りつけローラ押ボタン形
形Z-15GQ22A55-B5V

Z 外形寸法 70

パネル取りつけクロス・ローラ押ボタン形
形Z-15GQ21A55-B5V

Z 外形寸法 71

注. 上記、各機種の外形寸法図中、指定のない部分の寸法公差は±0.4mmです。

ヒンジ・長レバー形
形Z-15GW44A55-B5V

Z 外形寸法 73

ヒンジ・レバー形
形Z-15GWA55-B5V

Z 外形寸法 74

ヒンジ・ローラ・短レバー形
形Z-15GW22A55-B5V

Z 外形寸法 75

ヒンジ・ローラ・レバー形
形Z-15GW2A55-B5V

Z 外形寸法 76

一方向動作ヒンジ・ローラ・短レバー
形Z-15GW2277A55-B5V

Z 外形寸法 77

注. 上記、各機種の外形寸法図中、指定のない部分の寸法公差は±0.4mmです。

基準形 【防滴形(モールド端子形)】

モールド端子形について

Z 外形寸法 80

注. モールド端子形は、UL、CSA、EN規格は認定されていません。
  すべての機種のモールドを揃えていません。商品の有無に関してはお問い合わせください。

維持接触形

外形寸法/動作特性

ピン押ボタン形
形Z-15ER

Z 外形寸法 83

スプリング細押ボタン形
形Z-15ESR

Z 外形寸法 84

ヒンジ・レバー形
形Z-15EWR

Z 外形寸法 85

注. 上記、各機種の外形寸法図中、指定のない部分の寸法公差は±0.4mmです。

別売付属品

防滴端子保護カバー

形AP-DV

Z 外形寸法 88

端子保護カバー

形AP-A

はんだづけ端子用(フェノール樹脂)

Z 外形寸法 91

注. リード線引出口は、5ヵ所肉薄にしています。

形AP-B

ねじ締め端子用(フェノール樹脂)

Z 外形寸法 93

注. リード線引出口は、6ヵ所肉薄にしています。

形AP1-A

はんだづけ端子用(金属板プレス成形)

Z 外形寸法 95

注. リード線引出口は、5ヵ所穴があいています。

形AP1-B

ねじ締め端子用(金属板プレス成形)

Z 外形寸法 97

注. リード線引出口は、6ヵ所穴があいています。

形AP-Z

はんだづけ端子、ねじ締め端子共用(塩化ビニール)

Z 外形寸法 98

注. 上記、各機種の外形寸法図中、指定のない部分の寸法公差は±0.4mmです。(形AP-Zは±0.8mm)

セパレータ

形SEPARATOR FOR Z

Z 外形寸法 100

注. 上記、外形寸法図中、指定のない部分の寸法公差は±0.4mmです。

アクチュエータ

ヒンジ・レバー形
形XAA-1

Z 外形寸法 103

ヒンジ・ローラ・レバー形
形ZAA-2

Z 外形寸法 104

パネル取りつけ押ボタン形(短)
形ZAQ-3

Z 外形寸法 105

パネル取りつけ押ボタン形(中)
形ZAQ-2

Z 外形寸法 106

パネル取りつけ押ボタン形(長)
形ZAQ-1

Z 外形寸法 107

パネル取りつけローラ押ボタン形
形ZAQ-22

Z 外形寸法 108

注. 上記、外形寸法図中、指定のない部分の寸法公差は±0.4mmです。