(単位:mm)
ショートレンジセーフティライトカーテン(Type4)
※ このページの記載内容は、生産終了以前の製品カタログに基づいて作成した参考情報であり、製品の特長 / 価格 / 対応規格 / オプション品などについて現状と異なる場合があります。ご使用に際してはシステム適合性や安全性をご確認ください。
この商品について
関連情報
情報更新 : 2008/08/18
(単位:mm)
形式による寸法の違いは、下記の計算式にて算出できます。
寸法C1(検出幅):形式中の4桁の数字
寸法A=C1+64
寸法B=C1+32
寸法D=18.5
寸法E=C1-37
寸法F=右表参照
注. 上記計算により得られた値Fを使用しない場合は、F=670mm以下としてください。
注1. 中間金具(3)(「取りつけ金具(中間)」参照)の位置が本体の左側となる例を示しています。中間金具(3)の位置が本体の右側となる場合、取りつけ金具(中間)の取りつけ穴加工位置も右側となります。
注2. コードを曲げて使用する際には、曲げ半径 R36mm以上でご使用ください。ストレートコネクタタイプのコードを取りつけた場合の例を図Aに示します。また、L形コネクタタイプのコードを使用した場合の寸法を図Bに示します。
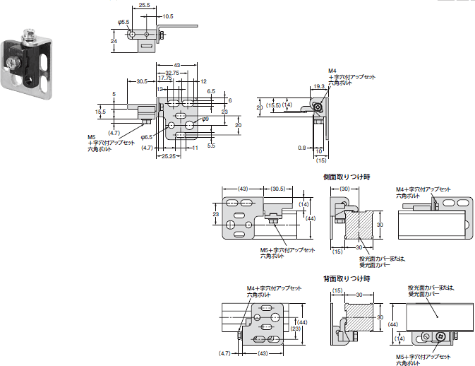
注. 商品に付属されています。
注. 商品に付属されています。
センサ全長により個数が異なります。
情報更新 : 2008/08/18
© Copyright OMRON Corporation 1996 - 2026.
All Rights Reserved.





