Page top

(単位:mm)

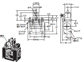
1コンジット形

ローラ・レバー形(樹脂レバー、樹脂ローラ)
形D4N-1□20R 形D4N-2□20R
形D4N-4□20R 形D4N-9□20R *

D4N-□R 外形寸法 2

可変ローラ・レバー形・フォームロックタイプ(金属レバー、樹脂ローラ)
形D4N-1□2GR 形D4N-2□2GR
形D4N-4□2GR 形D4N-9□2GR *

D4N-□R 外形寸法 3

可変ローラ・レバー形・フォームロックタイプ(金属レバー、ゴムローラ)
形D4N-1□2HR 形D4N-2□2HR
形D4N-4□2HR 形D4N-9□2HR *

D4N-□R 外形寸法 4

1コンジット形 M12コネクタタイプ共通
形D4N-9□□□R

D4N-□R 外形寸法 5

注. 上記、各機種の外形寸法図中、指定のない部分の寸法公差は±0.4mmです。
*M12コネクタ部については、「1コンジット形 M12コネクタタイプ共通」を参照ください。

D4N-□R 外形寸法 7

注. 2NC、2NC/1NO、3NCの接点閉路・開路動作の同時性にはバラツキがありますので、ご使用の際にはご確認願います。
*1. レバー長さが32mmのときの特性値です。
*2. NC側が開路の状態です。
*3. NO側が閉路の状態での参考値です。(1NC/1NOタイプのみ)
*4. 参考値です。
*5. 安全にご使用いただくために必ず確保をお願いします。

1コンジット形

プランジャ形
形D4N-1□31R 形D4N-2□31R
形D4N-4□31R 形D4N-9□31R *

D4N-□R 外形寸法 10

ローラ・プランジャ形
形D4N-1□32R 形D4N-2□32R
形D4N-4□32R 形D4N-9□32R *

D4N-□R 外形寸法 11

1方向動作ローラ・アームレバー形(水平動作)
形D4N-1□62R 形D4N-2□62R
形D4N-4□62R 形D4N-9□62R *

D4N-□R 外形寸法 12

1方向動作ローラ・アームレバー形(垂直動作)
形D4N-1□72R 形D4N-2□72R
形D4N-4□72R

D4N-□R 外形寸法 13

注. 上記、各機種の外形寸法図中、指定のない部分の寸法公差は±0.4mmです。
*M12コネクタ部については、「1コンジット形 M12コネクタタイプ共通」を参照ください。

D4N-□R 外形寸法 15

注. 2NC、2NC/1NO、3NCの接点閉路・開路動作の同時性にはバラツキがありますので、ご使用の際にはご確認願います。
*1. NC側が開路の状態です。
*2. NO側が閉路の状態での参考値です。(1NC/1NOタイプのみ)
*3. 参考値です。
*4. 安全にご使用いただくために必ず確保をお願いします。

2コンジット形

ローラ・レバー形(樹脂レバー、樹脂ローラ)
形D4N-6□20R
形D4N-8□20R

D4N-□R 外形寸法 18

可変ローラ・レバー形・フォームロックタイプ(金属レバー、樹脂ローラ)
形D4N-6□2GR
形D4N-8□2GR

D4N-□R 外形寸法 19

可変ローラ・レバー形・フォームロックタイプ(金属レバー、ゴムローラ)
形D4N-6□2HR
形D4N-8□2HR

D4N-□R 外形寸法 20

注. 上記、各機種の外形寸法図中、指定のない部分の寸法公差は±0.4mmです。

D4N-□R 外形寸法 22

注. 2NC、2NC/1NO、3NCの接点閉路・開路動作の同時性にはバラツキがありますので、ご使用の際にはご確認願います。
*1. NC側が開路の状態です。
*2. NO側が閉路の状態での参考値です。(1NC/1NOタイプのみ)
*3. 参考値です。
*4. 安全にご使用いただくために必ず確保をお願いします。

2コンジット形

プランジャ形
形D4N-6□31R
形D4N-8□31R

D4N-□R 外形寸法 25

ローラ・プランジャ形
形D4N-6□32R
形D4N-8□32R

D4N-□R 外形寸法 26

1方向動作ローラ・アームレバー形(水平動作)
形D4N-6□62R
形D4N-8□62R

D4N-□R 外形寸法 27

1方向動作ローラ・アームレバー形(垂直動作)
形D4N-6□72R
形D4N-8□72R

D4N-□R 外形寸法 28

注. 上記、各機種の外形寸法図中、指定のない部分の寸法公差は±0.4mmです。

D4N-□R 外形寸法 30

注. 2NC、2NC/1NO、3NCの接点閉路・開路動作の同時性にはバラツキがありますので、ご使用の際にはご確認願います。
*1. NC側が開路の状態です。
*2. NO側が閉路の状態での参考値です。(1NC/1NOタイプのみ)
*3. 参考値です。
*4. 安全にご使用いただくために必ず確保をお願いします。

ご使用に際して

ドッグの角度、位置については、下図のとおりご使用願います。

ローラ・レバー形
(形D4N-□□20R)

D4N-□R 外形寸法 34

可変ローラ・レバー形・フォームロックタイプ(金属レバー、樹脂ローラ)
(形D4N-□□2GR)

D4N-□R 外形寸法 35

可変ローラ・レバー形・フォームロックタイプ(金属レバー、ゴムローラ)
(形D4N-□□2HR)

D4N-□R 外形寸法 36

シール・プランジャ形
(形D4N-□□31R)

D4N-□R 外形寸法 37

ローラ・プランジャ形
(形D4N-□□32R)

D4N-□R 外形寸法 38

1方向動作ローラ・アームレバー形(水平動作)
(形D4N-□□62R)

D4N-□R 外形寸法 39

1方向動作ローラ・アームレバー形(垂直動作)
(形D4N-□□72R)

D4N-□R 外形寸法 40

注. 上記、各機種の外形寸法図中、指定のない寸法公差は±0.4mmです。