Page top

(単位:mm)

指定なき寸法公差:公差等級 IT16

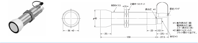
本体

形E4PA-LS50-M1-N

E4PA-N 外形寸法 3

形E4PA-LS200-M1-N

E4PA-N 外形寸法 4

形E4PA-LS400-M1-N

E4PA-N 外形寸法 5

形E4PA-LS600-M1-N

E4PA-N 外形寸法 6

アクセサリ(別売)

標準コード(ストレート形)
形XS2F-D521-DG0-A(L=2m)
形XS2F-D521-GG0-A(L=5m)

E4PA-N 外形寸法 8

4線→5線変換コード
形E4PA-C01

E4PA-N 外形寸法 9

設定プラグ
形E4PA-P1

E4PA-N 外形寸法 10