Page top

(単位:mm)

押ボタンスイッチ(照光・非照光タイプ)

(外形寸法は、モーメンタリ動作タイプを代表に掲載しています。)

ハーフガード形/形A22-H/形A22L-H

A22 外形寸法 2

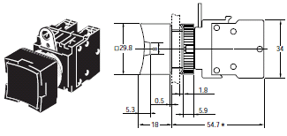
正方形突出形/形A22-C/形A22L-C

A22 外形寸法 3

正方形フルガード形/形A22-D/形A22L-D

A22 外形寸法 4

注1. 照光タイプは減圧ユニット付、減圧ユニットなしとも上記と同じ外形寸法となります。
注2. 指定のない部分の寸法公差は±0.4mmです。
*オルタネイト動作タイプは9.3(mm)長くなります。

アクセサリの寸法

銘板ユニット

一般形 形A22Z-332□

A22 外形寸法 8

大形 形A22Z-333□

A22 外形寸法 9

ランプ

LED 形A22-6□、12□、24□

A22 外形寸法 11

回り止めリング 形A22Z-3360

A22 外形寸法 12

φ25用リング 形A22Z-R25

A22 外形寸法 13

カラーキャップ 形A22Z-30T□

A22 外形寸法 14

パネルプラグ(丸形)形A22Z-3530

A22 外形寸法 15

キャップ

A22(丸形用)形A22Z-3490

A22 外形寸法 17

M22(丸形用)形A22Z-3495

A22 外形寸法 18

防水キャップ

平形用 形A22Z-3600F

A22 外形寸法 20

突出形用 形A22Z-3600T

A22 外形寸法 21

フルガード用 形A22Z-3600G

A22 外形寸法 22

金属フランジ

平形用/突出用 形A22Z-3580

A22 外形寸法 24

フルガード用 形A22Z-3582

A22 外形寸法 25

彫刻板

一般形用 形A22Z-3443□-□

A22 外形寸法 27

大形用 形A22Z-3453□

A22 外形寸法 28

非常停止用

A22 外形寸法 29

文字フィルム

丸形用 形A22Z-3460-□

A22 外形寸法 31

正方形用 形A22Z-3480

A22 外形寸法 32

ランプ交換工具 形A22Z-3901

A22 外形寸法 33

締めつけ工具 形A22Z-3905

A22 外形寸法 34

キャップ締めつけ工具 形A22Z-3908

A22 外形寸法 35

φ30用樹脂アタッチメント 形A22Z-A30

A22 外形寸法 36

角キャップ引き抜き工具 形A3PJ-5080

A22 外形寸法 37

ロックプレート 形A22Z-3380

A22 外形寸法 38

簡易保護カバー 形A22Z-3700

A22 外形寸法 39

3連スペーサ 形A22Z-3003

A22 外形寸法 40

コントロールボックス 形A22Z-B10□

形A22Z-B101(1穴)
形A22Z-B101Y

A22 外形寸法 42

*形A22Z-B101:灰色
  形A22Z-B101Y:黄色

形A22Z-B102(2穴)

A22 外形寸法 43

形A22Z-B103(3穴)

A22 外形寸法 44

(パネル取りつけ用穴寸法)

A22 外形寸法 45

コントロールボックス 形A22Z-B20□

形A22Z-B201(1穴)
形A22Z-B201Y

A22 外形寸法 47

*形A22Z-B201:灰色
  形A22Z-B201Y:黄色

形A22Z-B202(2穴)

A22 外形寸法 48

形A22Z-B203(3穴)

A22 外形寸法 49

(パネル取りつけ用穴寸法)

A22 外形寸法 50

Amazonギフト券が当たる!

サイトユーザーアンケートにご協力ください

2025/11/30(日)まで

詳しくはこちら