商品概要
画像をクリックすると大きくなります
Pushbutton Switch (Cylindrical 16-dia.), Non-lighted, Rectangular 2-way guard, Green, Momentary, DPDT, Solder terminal, IP40
在庫/販売状況
2026/03/19 00:00 情報更新| 販売状況 | 販売中 |
|---|---|
| 機種区分 | 標準在庫機種 |
| 在庫状況 | 〇 |
| 標準価格(税別) | ¥ 1,080 |
詳細情報
Ratings
情報更新:2025/03/17
| Type | Pushbutton Switch | |
|---|---|---|
| Shape | Cylindrical type (16 mm dia.) | |
| Lighted/Non-lighted | Non-lighted | |
| Operating portion | Shape of operating portion | Rectangular 2-way guard |
| Color of operating portion | Green | |
| Operating function | Momentary | |
| Load | General load/Micro load | |
| Minimum applicable load | 1 mA at 5 VDC | |
| Contact rating | Contact form | DPDT |
| Ratings (AC) | Resistive load: 5 A at 125 VAC/3 A at 250 VAC | |
| Ratings (DC) | Resistive load: 3 A at 30 VDC | |
| Ratings explanation | Conditions: No vibration and no shock, Temperature 20±2 ℃, Operating frequency 20 operations/min | |
| Terminal specifications | Quick connect terminal (#110/t=0.5) / Solder terminal | |
| Permissible operating frequency | Electrical: Max. 20 operations / 1 minute Mechanical: Max. 120 operations / 1 minute | |
| Insulation resistance | 100 MΩ min. (at 500 VDC) | |
| Dielectric strength | Between each terminal of the same polarities: 1000 VAC 50/60 Hz 1 min Between each terminal of the different polarities: 2000 VAC 50/60 Hz 1 min Between each terminaland ground: 2000 VAC 50/60 Hz 1 min | |
| Vibration resistance | Malfunction: 10 to 55 Hz, 1.5 mm double amplitude (malfunction: 1 ms max.) | |
| Shock resistance | Destruction: 500 m/s2 max. Malfunction: 150 m/s2 max. (malfunction time is 1 ms max.) | |
| Ambient temperature range | Operating: -10 to 55 ℃ (with no freezing or condensation) Storage: -25 to 65 ℃ (with no freezing or condensation) | |
| Ambient humidity range | Operating: 35 to 85 % | |
| Degree of protection | IP40 | |
| Classification of protection against electric shock | Class II | |
| PTI (Tracking characteristic) | 175 | |
| Pollution degree | 3 (IEC60947-5-1) | |
Operating characteristics
| Operating Force (OF) | 4.41 N max. |
|---|---|
| Release Force (RF) | 0.29 N min. |
| Pre-Travel (PT) | 2.5 mm max. |
| Total Travel (TT) | Approx. 3 mm |
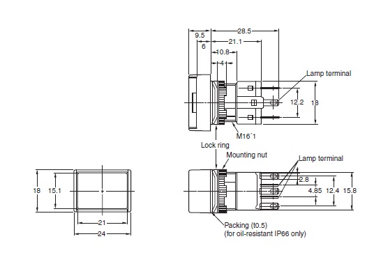
Dimensions
情報更新:2025/03/17

Mounting hole dimensions
情報更新:2025/03/17

Applicable load diagram
情報更新:2025/03/17

RoHS/REACH対応状況
情報更新:2026/3/18
EU RoHS
| 対応状況 | 対応予定月 | 非含有証明書 |
|---|---|---|
| 対応済み | ダウンロードはこちら |
中国 RoHS
| 中国 RoHS表 | ||||||||||
|---|---|---|---|---|---|---|---|---|---|---|
| Pb | Hg | Cd | Cr(VI) | PBBs | PBDEs | DBP | DIBP | BBP | DEHP | 環境保護 使用期限 |
| O | O | O | O | O | O | O | O | O | O | e |
- “対応済み”や非含有の記載がされた商品であっても、流通在庫等で未対応品が混在する可能性があります。
- 非含有品が必要な際は、弊社営業部門もしくは販売店へお問い合わせください。
規格認証/適合状況
| LR型式承認 (イギリス 船舶規格) |
DNV型式承認 (ノルウェー 船舶規格) |
BV型式承認 (フランス 船舶規格) |
KR型式承認 (韓国 船舶規格) |
NK型式承認 (日本 船舶規格) |
ABS型式承認 (アメリカ 船舶規格) |
|---|---|---|---|---|---|
| No | No | No | No | No | No |
