Page top

(単位:mm)

MY ミニパワーリレー

プラグイン端子

形MY2、形MY2N、形MY2-D、形MY2N-D2
形MY2-CR、形MY2N-CR

MY 外形寸法 2

形MY2Z、形MY2ZN、形MY2Z-D、形MY2ZN-D2
形MY2Z-CR、形MY2ZN-CR

MY 外形寸法 3

形MY3、形MY3N、形MY3-D、形MY3N-D2

MY 外形寸法 4

形MY4、形MY4N、形MY4-D、形MY4N-D2
形MY4-CR、形MY4N-CR

MY 外形寸法 5

形MY4Z、形MY4ZN、形MY4Z-D、形MY4ZN-D2
形MY4Z-CR、形MY4ZN-CR

MY 外形寸法 6

形MY2IN(S)
形MY2IN-D2(S)

MY 外形寸法 7

形MY4(Z)IN(S)
形MY4(Z)IN-D2(S)
形MY4(Z)IN-CR(S)

MY 外形寸法 8

形MY4Z-CBG
形MY4ZN-CBG

MY 外形寸法 9

プリント基板用端子

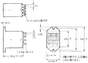
形MY2-02
形MY3-02
形MY4-02
形MY4Z-02

MY 外形寸法 10

外形図は形MY4-02です。
2、3極もこれに準じます。

ケース上面取りつけ形

形MY2F
形MY3F
形MY4F
形MY4ZF

MY 外形寸法 12

MYK ミニパワーラッチングリレー

プラグイン端子

形MY2K

MY 外形寸法 14

プリント基板用端子

形MY2K-02

MY 外形寸法 15

MYQ/MYH シールリレー

プラグイン端子

プラスチックシール リレー

形MYQ4(Z)(N)

MY 外形寸法 18

ハーメチックシール リレー

形MY4(Z)H

MY 外形寸法 19

プリント基板用端子

プラスチックシール リレー

形MYQ4(Z)-02

MY 外形寸法 21

ハーメチックシール リレー

形MY4(Z)H-0

MY 外形寸法 22

共通のオプション(別売)

ソケット取りつけの高さ

表面接続ソケットの場合

プッシュインPlus端子(形PYF-□-PU)

MY 外形寸法 26

ねじなし端子(形PYF08S、形PYF14S)

MY 外形寸法 27

ねじ端子(形PYFZ-□(-E)、形PYF11A、形PYF14T、形PYF08M)

MY 外形寸法 28

裏面接続ソケットの場合

はんだ付け端子/ラッピング端子(形PY□)

MY 外形寸法 30

プリント基板用端子(形PY□-02)

MY 外形寸法 31

表面接続ソケット

プッシュインPlus端子

形PYF-08-PU(-L)

MY 外形寸法 34

*形PYF-08-PU-Lにはリリースレバーは、装備されていません。

形PYF-14-PU(-L)

MY 外形寸法 35

*形PYF-14-PU-Lにはリリースレバーは、装備されていません。

ねじなし端子

形PYF08S

MY 外形寸法 37

形PYF14S

MY 外形寸法 38

ねじ端子

形PYFZ-08

MY 外形寸法 40

形PYFZ-08-E (フィンガープロテクト構造)

MY 外形寸法 41

形PYF08M

MY 外形寸法 42

形PYF11A

MY 外形寸法 43

形PYFZ-14

MY 外形寸法 44

形PYFZ-14-E (フィンガープロテクト構造)

MY 外形寸法 45

形PYF14T

MY 外形寸法 46

裏面接続ソケット

はんだづけ端子

形PY08
形PY08-Y1(L=42以下)
形PY08-Y3(L=60以下)

MY 外形寸法 49

形PY11
形PY11-Y1

MY 外形寸法 50

形PY14
形PY14-Y1(L=42以下)
形PY14-Y3(L=60以下)

MY 外形寸法 51

ラッピング端子

形PY08QN
形PY08QN2
形PY08QN-Y1
形PY08QN2-Y1

MY 外形寸法 53

形PY11QN
形PY11QN2
形PY11QN-Y1
形PY11QN2-Y1

MY 外形寸法 54

形PY14QN/形PY14QN2
形PY14QN-Y1(L=42以下)
形PY14QN2-Y1(L=42以下)
形PY14QN-Y3(L=60以下)
形PY14QN2-Y3(L=60以下)

MY 外形寸法 55

プリント基板用端子

形PY08-02

MY 外形寸法 57

・耐フラックス構造ではありません。
手はんだ付け推奨品です。

形PY11-02

MY 外形寸法 58

・耐フラックス構造ではありません。
手はんだ付け推奨品です。

形PY14-02

MY 外形寸法 59

・耐フラックス構造ではありません。
手はんだ付け推奨品です。

ソケット用アクセサリ

保持金具

形PYC-A1 1セット(2本)

MY 外形寸法 62

形PYC-E1 1セット(2本)

MY 外形寸法 63

形PYC-P

MY 外形寸法 64

形PYC-S 1セット(2本)

MY 外形寸法 65

形Y92H-3 1セット(2本)

MY 外形寸法 66

形PYC-1

MY 外形寸法 67

ソケット取りつけ板

形PYP-1

MY 外形寸法 69

形PYP-18

MY 外形寸法 70

形PYP-36

MY 外形寸法 71

レール取りつけ用品

支持レール

形PFP-100N
形PFP-50N

MY 外形寸法 73

エンドプレート

形PFP-M

MY 外形寸法 74

スペーサ

形PFP-S

MY 外形寸法 75