(単位:mm)
スイッチング・パワーサプライ(150/300Wタイプ)
※ このページの記載内容は、生産終了以前の製品カタログに基づいて作成した参考情報であり、製品の特長 / 価格 / 対応規格 / オプション品などについて現状と異なる場合があります。ご使用に際してはシステム適合性や安全性をご確認ください。
この商品について
関連情報
情報更新 : 2012/05/14
(単位:mm)
| 種類 | 取りつけ金具寸法 | 外観と取りつけ穴加工寸法 | |
|---|---|---|---|
| 底面取りつけ | 側面取りつけ | ||
|
150W タイプ |
t=1.0 150Wタイプ、300Wタイプとも 同じ金具を使用しています。 |
|
|
|
300W タイプ |
|
|
|
注. 電源本体に取りつけ金具を2ヵ所ねじ締めして、固定した後、パネルへ取りつけてください。
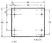
| 種類 | Bタイプ(ベース取りつけ金具) | Sタイプ(サイド取りつけ金具) | |
|---|---|---|---|
| 150W用 | 300W用 | 150W、300W用 | |
| 形式 | 形S82Y-F15B | 形S82Y-F30B | 形S82Y-F15S |
|
対象 機種 |
形S82F-1512、-1524 | 形S82F-3024 | 形S82F-1512、-1524、-3024 |
| 寸法 |
注. 電源本体との取りつけねじは M4 × 8 以下のサラねじをご使用ください。 |
注. 電源本体との取りつけねじは M4 × 8 以下のサラねじをご使用ください。 |
注. 電源本体との取りつけねじは M4 × 8 以下のサラねじをご使用ください。 |
|
外観 および 取り つけ穴 加工 寸法 |
|
|
|
情報更新 : 2012/05/14
© Copyright OMRON Corporation 1996 - 2026.
All Rights Reserved.
