Page top

2011/03 受注終了

S82J

スイッチング・パワーサプライ(10/25/50/100/150/300/600Wタイプ)

※ このページの記載内容は、生産終了以前の製品カタログに基づいて作成した参考情報であり、製品の特長 / 価格 / 対応規格 / オプション品などについて現状と異なる場合があります。ご使用に際してはシステム適合性や安全性をご確認ください。

(単位:mm)

本体

正面取りつけタイプ

 ※オープンタイプとカバー付きタイプは同じ寸法です。

形S82J-010□□□(10W)

S82J 外形寸法 3

形S82J-025□□□(25W)

S82J 外形寸法 4

形S82J-050□□□(50W)

S82J 外形寸法 5

形S82J-10024□(100W(24V))

S82J 外形寸法 6

形S82J-100□□□(100W(5V、12V、15V))
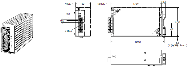
形S82J-15024□(150W)

S82J 外形寸法 7

形S82J-30024□(300W)

S82J 外形寸法 8

形S82J-60024□(600W)

S82J 外形寸法 9

正面取りつけタイプ付属取りつけ金具

注. パネルへの取りつけねじは付属されていません。

10W、25W、50W、100W(24V)用(付属)

正面取りつけ金具

S82J 外形寸法 12

正面取りつけ方法

付属の取付金具を右図のように仮取りつけし、電源(a:角穴部)を金具(b:ひっかけ部)にひっかけた後ねじ(取付金具を取りつけているねじ2本)を増締めし、固定してください。

S82J 外形寸法 14

注. 取りつけねじは付属されていません。

100W(5、12、15V)150W用(付属)

正面取りつけ金具

S82J 外形寸法 16

取りつけ金具(付属)使用時の寸法

S82J 外形寸法 17

取りつけ金具の取りつけ方法

S82J 外形寸法 18

300W、600Wタイプ

形S82J-30024、形S82J-60024には取りつけ金具は付属されています。形S82J-30024N、形S82J-60024Nには付属されていません。

正面取りつけ金具(形S82Y-J30F)

S82J 外形寸法 20

取りつけ金具(付属)使用時の寸法

S82J 外形寸法 21

取りつけ金具の取りつけ方法

S82J 外形寸法 22

DINレール取りつけタイプ

※オープンタイプとカバー付きタイプは同じ寸法です。

形S82J-010□□□D(10W)

S82J 外形寸法 24

形S82J-025□□□D(25W)

S82J 外形寸法 25

形S82J-050□□□D(50W)

S82J 外形寸法 26

形S82J-10024□(100W(24V)

S82J 外形寸法 27

形S82J-100□□□D(100W (5V、12V、15V))
形S82J-15024□D(150W)

S82J 外形寸法 28

形S82J-10024A、形S82J-10024D用正面取りつけ金具(別売)

S82J 外形寸法 29

注. 形S82J 100W(5、12、15V)、150Wタイプには使用できませんのでご注意ください。

DINレールワンタッチベース(別売)について (10W~150Wの正面取りつけタイプに使用可能)

DINレールへの取りつけが必要な場合は、DINレールワンタッチベースをお使いください。
icon_01詳細は、形S82Y-□□Nカタログをご覧ください。