(単位:mm)

([]内単位:インチ)

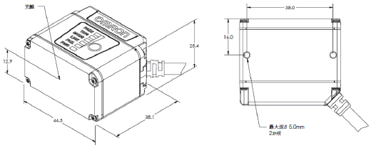
スマートカメラ
形F420-F

取付け金具、光学オプション、光源オプション

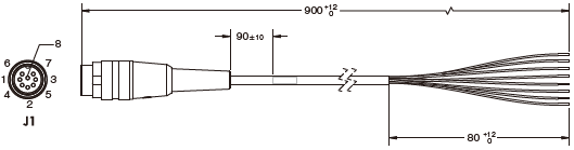
USB分岐ケーブル(外部電源なし)
形V420-WUB-1M

USB分岐ケーブル(外部電源接続用)
形V420-WUX-1M

RS-232C分岐ケーブル(外部電源接続用)
形V420-WRX-1M

USB分岐ケーブル(I/O分岐および電源接続用)
形V420-WU8X-1M

RS-232C分岐ケーブル(I/O、USB分岐および電源接続用)
形V420-WRU8X-1M

電源(ACアダプタ)
USB分岐ケーブル(外部電源接続用) 形V420-WUX-1M用
RS-232C分岐ケーブル(外部電源接続用) 形V420-WRX-1M用
97-9000006-01

電源(ACアダプタ)
USB分岐ケーブル(I/O分岐および電源接続用)V420-WU8X-1M用
RS-232C分岐ケーブル(I/O、USB分岐および電源接続用)V420-WRU8X-1M用
97-000011-02

I/Oケーブル
61-000151-01