Page top

New

B5T-007003

ヒューマンビジョンコンポ(HVC-P2)

B5T-007003

クリーンスーツを着用した人検出に対応した人検出特化モジュール 簡単・手軽に、画像センシングを装置へ組込み可能に

※ Web特別価格提供品

形B5Tシリーズをわかりやすくご紹介

人体検出に特化した人画像認識センサが新たにラインアップ。 従来難しかった作業着の検出など、幅広い人検出に貢献します。

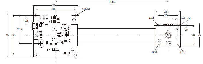
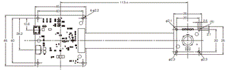
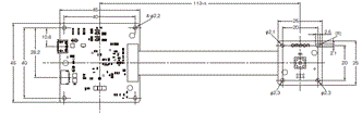
(単位:mm)

正面

水平画角50度タイプ
形B5T-007003-010

B5T-007003 外形寸法 1

水平画角90度タイプ
形B5T-007003-020

B5T-007003 外形寸法 2

側面

水平画角50度タイプ
形B5T-007003-010

B5T-007003 外形寸法 3

水平画角90度タイプ
形B5T-007003-020

B5T-007003 外形寸法 4