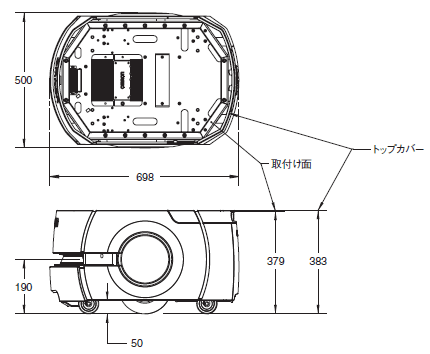
(単位:mm)
自動搬送モバイルロボット
※ Web特別価格提供品
この商品について
関連情報
情報更新 : 2025/10/01
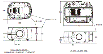
(単位:mm)
情報更新 : 2025/10/01
© Copyright OMRON Corporation 1996 - 2025.
All Rights Reserved.
