Page top

E5CD-H

温度調節器(デジタル調節計)高性能タイプ(48×48mmサイズ)

E5CD-H

高分解能や高精度入力が可能。0.01℃表示可能。デジタル業界に特化した機能を搭載。プッシュインPlus端子台により配線工数を削減。

※ Web特別価格提供品

熟練者の調整を自動化

人の手を煩わせず最適な温度制御を自動で実現、生産性と品質を簡単に両立します。

(単位:mm)

本体

形E5CD-H

E5CD-H 外形寸法 2

設定ツール用ポートは、本製品の上面部にあります。
設定ツールを使用する際、パソコンと温度調節器を接続するために使用します。
接続には専用のUSB-シリアル変換ケーブル(形E58-CIFQ2)が必要です。
接続方法に関する詳細は、USB-シリアル変換ケーブルの取扱説明書を参照してください。

注. USB -シリアル変換ケーブルを接続したままで本製品を使用しないでください。

E5CD-H 外形寸法 3

・取り付けパネル厚は1~5mmです。
・上下方向は密着取り付けはできませんので注意してください。(取り付け間隔を守ってください)
・防水になるように取り付けるには、本体に防水パッキンを挿入してください。
・複数台を取り付けて使用される場合、温度調節器の周囲温度が仕様を超えないようにご注意ください。
・形Y92A-48N とUSB- シリアル変換ケーブルを組み合わせてご使用になる場合は、制御盤の厚さは1~3mmとしてください。
・形Y92S-P8とUSB-シリアル変換ケーブルを組み合わせてご使用になる場合は、制御盤の厚さは1~3mmとしてください。

オプション(別売)

USB-シリアル変換ケーブル

形E58-CIFQ2

E5CD-H 外形寸法 5

防水パッキン

形Y92S-P8〔DIN48×48用〕

E5CD-H 外形寸法 7

製品に同梱されています。
防水パッキンを紛失、破損した場合は別途ご注文ください。
防水パッキンを使用される場合、保護構造はIP66となります。
(IP66の防水レベルを確保するために、ご使用環境によっては劣化、収縮または硬化するため定期的な交換をおすすめします。
定期的な交換時期は使用環境によって異なります。お客様でご確認ください。3年以下を目安としてください。)

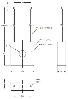
電流検出器

形E54-CT1

E5CD-H 外形寸法 9

形E54-CT1

E5CD-H 外形寸法 10

貫通電流(Io)対出力電圧(Eo)特性(参考値)
形E54-CT1、形E54-CT1L

連続最高ヒータ電流:50A(50/60Hz)
巻数:400±2ターン
巻線抵抗:18±2Ω

E5CD-H 外形寸法 12

形E54-CT3

E5CD-H 外形寸法 13

形E54-CT3付属品

E5CD-H 外形寸法 14

形E54-CT3L

E5CD-H 外形寸法 15

貫通電流(Io)対出力電圧(Eo)特性(参考値)
形E54-CT3、形E54-CT3L

連続最高ヒータ電流:120A(50/60Hz)
ただし、オムロンの温度調節器の連続最高ヒータ電流値は50Aです。)
巻数:400±2ターン
巻線抵抗:8±0.8Ω

E5CD-H 外形寸法 17

アダプタ

形Y92F-45


1. すでに形E5B□用にパネル加工されている場合にご使用ください。
2. アダプタの色は、黒色です。
3. 形Y92F-45をご使用の場合、USB-シリアル変換ケーブル 形E58-CIFQ2は使用できません。
  USB-シリアル変換ケーブルで設定を行う場合は、パネル取り付け前に行ってください。
4. 本体に付属している形Y92F-49との組合せはご使用できません。

E5CD-H 外形寸法 19

〈取り付け例〉

E5CD-H 外形寸法 20

防水カバー

形Y92A-48N

E5CD-H 外形寸法 21

取り付けアダプタ

形Y92F-49

E5CD-H 外形寸法 23

製品に同梱されています。
紛失、破損した場合は別途でご注文ください。

フロントカバー

形Y92A-48D

注. 防水パッキンを取り付けた状態ではご使用いただけません。

E5CD-H 外形寸法 26

軟質タイプのフロントカバーです。
カバーを装置したまま、製品を操作することができます。

フロントカバー

形Y92A-48H

E5CD-H 外形寸法 28

硬質タイプのフロントカバーです。
誤操作防止等にお使いください。