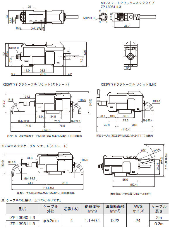
(単位:mm)

本体

センサヘッド

ZP-LS025□
ZP-LS050□
ZP-LS100□

ZP-LS300□
ZP-LS600□

アンプユニット

親機

ZP-L30□0

子機

ZP-L3500
ZP-L3510
ZP-L3550
ZP-L3560

ZP-L3590

IO-Link対応アンプユニット

ZP-L39□□-IL3

アクセサリ(別売)

通信ユニット

ZP-EIP

ZP-RSA

取りつけ治具

ZP-XL1

ZP-XL2

ZP-XL3

ZP-XL4

ZP-XL5

ZP-XL6