Page top

New

ZP-L

レーザ変位センサ

ZP-L

安定検出と使い勝手を極めたレーザ変位センサ

※ Web特別価格提供品

安定検出と使い勝手の実力

これまでのレーザ変位センサとの比較やシーン別の使いやすさを、特設サイトでご覧ください。

(単位:mm)

本体

センサヘッド

ZP-LS025□
ZP-LS050□
ZP-LS100□

ZP-L 外形寸法 3

ZP-LS300□
ZP-LS600□

ZP-L 外形寸法 4

アンプユニット

親機

ZP-L30□0

ZP-L 外形寸法 7

子機

ZP-L3500
ZP-L3510
ZP-L3550
ZP-L3560

ZP-L 外形寸法 9

ZP-L3590

ZP-L 外形寸法 10

IO-Link対応アンプユニット

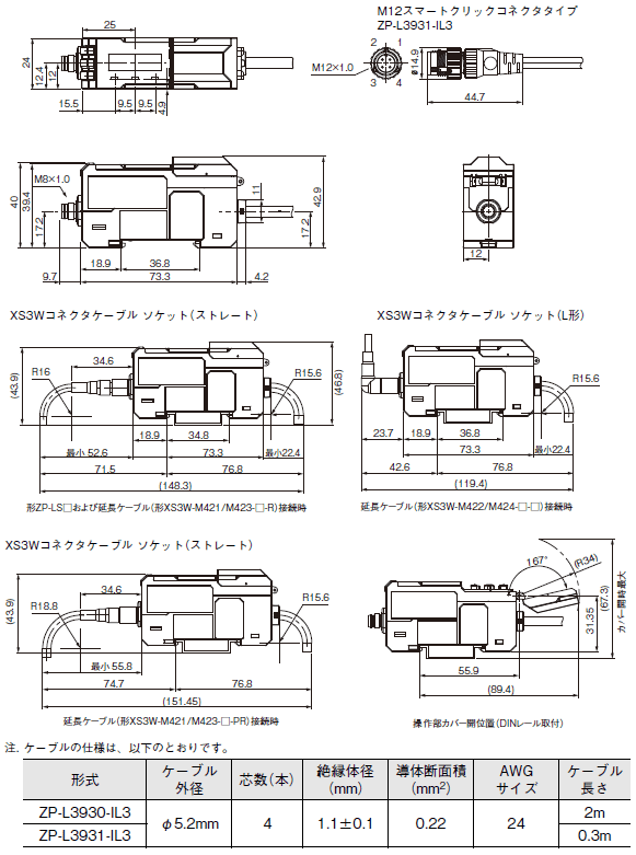
ZP-L39□□-IL3

ZP-L 外形寸法 12

アクセサリ(別売)

通信ユニット

ZP-EIP

ZP-L 外形寸法 15

ZP-RSA

ZP-L 外形寸法 16

取りつけ治具

ZP-XL1

ZP-L 外形寸法 18

ZP-XL2

ZP-L 外形寸法 19

ZP-XL3

ZP-L 外形寸法 20

ZP-XL4

ZP-L 外形寸法 21

ZP-XL5

ZP-L 外形寸法 22

ZP-XL6

ZP-L 外形寸法 23