Page top

2025/04 受注終了

F3SG-RA-01TS / 02TS

セーフティライトカーテン

F3SG-RA-01TS / 02TS

タフさと信頼性を兼ね備えた、標準機にふさわしい新シリーズ

※ Web特別価格提供品

※ このページの記載内容は、生産終了以前の製品カタログに基づいて作成した参考情報であり、製品の特長 / 価格 / 対応規格 / オプション品などについて現状と異なる場合があります。ご使用に際してはシステム適合性や安全性をご確認ください。

新旧置き換えをサポート

現在お使いのライトカーテンから置き換えに適した最新シリーズの形式を選定します。また新旧仕様比較表もご提供します。

(単位:mm)

F3SG-RA-01TS

標準固定金具(形F39-LGF)を取り付ける場合

背面取り付け時

F3SG-RA-01TS / 02TS 外形寸法 3

側面取り付け時

F3SG-RA-01TS / 02TS 外形寸法 4

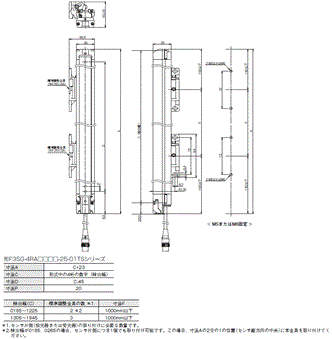
標準調整金具(形F39-LGA)を取り付ける場合

背面取り付け時

F3SG-RA-01TS / 02TS 外形寸法 6

側面取り付け時

F3SG-RA-01TS / 02TS 外形寸法 7

上下調整金具(形F39-LGTB)と標準調整金具(形F39-LGA)を取り付ける場合

背面取り付け時

F3SG-RA-01TS / 02TS 外形寸法 9

側面取り付け時

F3SG-RA-01TS / 02TS 外形寸法 10

アクセサリ

セーフティライトカーテン取付金具

標準固定金具(形F39-LGF)

F3SG-RA-01TS / 02TS 外形寸法 13

標準調整金具(別売:形F39-LGA)

F3SG-RA-01TS / 02TS 外形寸法 14

上下調整金具(別売:形F39-LGTB)

F3SG-RA-01TS / 02TS 外形寸法 15

セーフティライトカーテン接続用ケーブル

投光器用片側コネクタケーブル(別売:形F39-JD□A-L)

F3SG-RA-01TS / 02TS 外形寸法 17

受光器用片側コネクタケーブル(別売:形F39-JD□A-D)

F3SG-RA-01TS / 02TS 外形寸法 18
F3SG-RA-01TS / 02TS 外形寸法 19

投光器用両側コネクタケーブル:ケーブル延長時の接続用ケーブル(別売:形F39-JD□B-L)

F3SG-RA-01TS / 02TS 外形寸法 20

受光器用両側コネクタケーブル:ケーブル延長時の接続用ケーブル(別売:形F39-JD□B-D)

F3SG-RA-01TS / 02TS 外形寸法 21
F3SG-RA-01TS / 02TS 外形寸法 22

省配線コネクタ(別売:形F39-CN5)

F3SG-RA-01TS / 02TS 外形寸法 23

投光器用直列連結ケーブル(別売: 形F39-JGR2WTS-L)

F3SG-RA-01TS / 02TS 外形寸法 24

受光器用直列連結ケーブル(別売: 形F39-JGR2WTS-D)

F3SG-RA-01TS / 02TS 外形寸法 25

インターフェースユニット(別売:形F39-GIF)

F3SG-RA-01TS / 02TS 外形寸法 26

スパッタ保護カバー(別売:形F39-HGA)

F3SG-RA-01TS / 02TS 外形寸法 27

ランプ(別売:形F39-LP)

F3SG-RA-01TS / 02TS 外形寸法 28

F3SG-RA-02TS

フリーロケーション金具を取り付ける場合

背面取り付け時

F3SG-RA-01TS / 02TS 外形寸法 31

側面取り付け時

F3SG-RA-01TS / 02TS 外形寸法 32

上下取付金具(形F39-LGRTB)と中間取付金具(形F39-LGRA)を取り付ける場合

背面取り付け時

F3SG-RA-01TS / 02TS 外形寸法 34

側面取り付け時

F3SG-RA-01TS / 02TS 外形寸法 35

上下取付金具(形F39-LGRTB-2)と中間取付金具(形F39-LGRA)を取り付ける場合

背面取り付け時

F3SG-RA-01TS / 02TS 外形寸法 37

側面取り付け時

F3SG-RA-01TS / 02TS 外形寸法 38

上下取付金具(形F39-LGRTB-3)と中間取付金具(形F39-LGRA)を取り付ける場合

背面取り付け時

F3SG-RA-01TS / 02TS 外形寸法 40

側面取り付け時

F3SG-RA-01TS / 02TS 外形寸法 41

アクセサリ

セーフティライトカーテン取付金具

フリーロケーション金具、中間取付金具(別売:形F39-LGRA)

F3SG-RA-01TS / 02TS 外形寸法 44

上下取付金具(別売:形F39-LGRTB)

F3SG-RA-01TS / 02TS 外形寸法 45

上下取付金具(別売:形F39-LGRTB-2)

F3SG-RA-01TS / 02TS 外形寸法 46

上下取付金具(別売:形F39-LGRTB-3)

F3SG-RA-01TS / 02TS 外形寸法 47

セーフティライトカーテン接続用ケーブル

投光器用片側コネクタケーブル(耐油ケーブル)(別売:形F39-JD□RA-L)

F3SG-RA-01TS / 02TS 外形寸法 49

受光器用片側コネクタケーブル(耐油ケーブル)(別売:形F39-JD□RA-D)

F3SG-RA-01TS / 02TS 外形寸法 50
F3SG-RA-01TS / 02TS 外形寸法 51

投光器用片側コネクタケーブル(別売:形F39-JD□A-L)

F3SG-RA-01TS / 02TS 外形寸法 52

受光器用片側コネクタケーブル(別売:形F39-JD□A-D)

F3SG-RA-01TS / 02TS 外形寸法 53
F3SG-RA-01TS / 02TS 外形寸法 54

投光器用両側コネクタケーブル:ケーブル延長時の接続用ケーブル(別売:形F39-JD□B-L)

F3SG-RA-01TS / 02TS 外形寸法 55

受光器用両側コネクタケーブル:ケーブル延長時の接続用ケーブル(別売:形F39-JD□B-D)

F3SG-RA-01TS / 02TS 外形寸法 56
F3SG-RA-01TS / 02TS 外形寸法 57

省配線コネクタ(別売:形F39-CN5)

F3SG-RA-01TS / 02TS 外形寸法 58

投光器用直列連結ケーブル(別売: 形F39-JGR2WTS-L)

F3SG-RA-01TS / 02TS 外形寸法 59

受光器用直列連結ケーブル(別売: 形F39-JGR2WTS-D)

F3SG-RA-01TS / 02TS 外形寸法 60

インターフェースユニット(別売:形F39-GIF-1)

F3SG-RA-01TS / 02TS 外形寸法 61

ランプ(別売:形F39-LP)

F3SG-RA-01TS / 02TS 外形寸法 62

Amazonギフト券が当たる!

サイトユーザーアンケートにご協力ください

2025/11/30(日)まで

詳しくはこちら