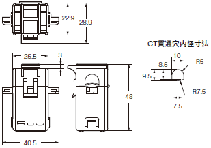
(単位:mm)
この商品について
関連情報
情報更新 : 2022/04/01
(単位:mm)
形K6CM-CICB005-C
形K6CM-CICB005
形K6CM-CICB025-C
形K6CM-CICB025
形K6CM-CICB100-C
形K6CM-CICB100
形K6CM-CICB200-C
形K6CM-CICB200
形K6CM-CICB400-C
形K6CM-CICB400
形K6CM-CICB600
*CT付属ケーブルはCTに取り付けられています。
注1. 専用CTの形式にある最後の“-C”は、UL認証に対応した形式となります。UL認証が不要の場合は“-C”なしの形式になります。定格・性能は同じです。
注2. 専用CTをUL認証に適合させる場合は、カタログの「安全規格対応について」を参照してください。
注3. 形K7TMのCT入力端子は、専用CTのどちらの極性でも接続可能です。
形PFP-100N
形PFP-50N
形PFP-M
情報更新 : 2022/04/01
© Copyright OMRON Corporation 1996 - 2026.
All Rights Reserved.
