Page top
商品情報トップ
ソリューショントップ
現場の異常にすばやく対応できるシステムをテンプレート活用で簡単構築
現場と経営の情報連携プラットフォームを専門的なIT知識不要で構築
ダウンロードセンタトップ
サービスサポートトップ
eラーニング・セミナトップ
オムロンの提供価値トップ
販売ネットワークトップ
デジタルアンプ分離光電センサ(レーザタイプ)
形式一覧/価格/オンライン購入
※ Web特別価格提供品
ログインで価格を確認
この商品について
関連情報
情報更新 : 2022/03/01
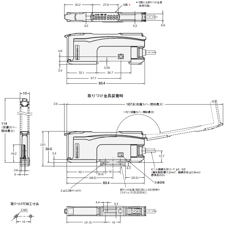
(単位:mm)
形E3C-LD11N
形E3C-LR11N 形E3C-LR12N
コード引き出しタイプ 形E3C-LDA21N 形E3C-LDA51N
省配線コネクタタイプ 形E3C-LDA6N 形E3C-LDA7N 形E3C-LDA8N 形E3C-LDA9N
親コネクタ 形E3X-CN21
子コネクタ 形E3X-CN22
Amazonギフト券が当たる!
サイトユーザーアンケートにご協力ください
2025/11/30(日)まで