(単位:mm)
500万画素Cマウントコードリーダ
             
        
この商品について
関連情報
情報更新 : 2023/01/05
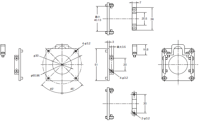
(単位:mm)
            Cマウントコードリーダ
形V440-F
        
 
       
    NERLITE スマートシリーズ R-70/R-100リング照明
 
       
    
            スマートシリーズ R-100 リング照明用偏光板
98-9000302-01
        
 
       
    
            スマートシリーズ照明 - I/O(M12)2股ケーブル(常時点灯用)
ストレートコネクタ(1m)
61-9000135-01
スマートシリーズ照明 - I/O(M12)2股ケーブル(ストロボ制御用)
ストレートコネクタ(1m)
61-9000137-01
        
 
       
    
            RRS-232C- I/O(M12)2股ケーブル
ストレートコネクタ(2.7m)
形V430-WQR-3M
        
 
       
    
            キーボードウェッジ- I/O(M12)2股ケーブル
ストレートコネクタ(2.7m)
形V430-WQK-3M
        
 
       
    
            オムロン製 プログラマブルコントローラ(CS/CJ/NJ)接続用RS-232Cケーブル
形V430-WPLC-2M
        
 
       
    
            Ethernetケーブル(耐屈曲)
両側コネクタ付ケーブル(RJ45コネクタ、カメラ側ロックネジ付き)
98-000133-01
98-000134-01
98-000134-02
        
            このケーブルは、V440-Fコードリーダとその他の機器との通信に使用します。
このケーブルは、従来のCAT5ケーブルでは損傷のおそれがある悪環境向けに設計されています。
オーバーモールド設計により、ひずみ緩和を強化しました。蝶ねじでロックするため、衝撃や振動があっても接続が外れることはありません。二重遮へいシールド設計により、工業用途向けに防護を強化しています。
このケーブルは、1200万回以上の屈曲に耐えるように設計されています。油や水、擦傷などからは、TPEジャケットがさらに防護します。
        
情報更新 : 2023/01/05
© Copyright OMRON Corporation 1996 - 2025. 
All Rights Reserved.
 
				
 生産終了形式の情報(アクセサリ品を含む)はこちら
生産終了形式の情報(アクセサリ品を含む)はこちら







 ページ先頭へ戻る
ページ先頭へ戻る