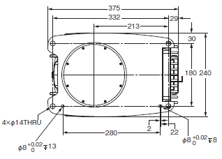
(単位:mm)
この商品について
関連情報
情報更新 : 2026/03/02
(単位:mm)
注. ロボットの背面側のリーチは、ロボットの構成や種類に応じて制限が生じる場合があります。
*1. ケーブルシールありのモデルの場合、この距離は150mm長くなります。
*2. ベローズありのモデルの場合、この距離は47mm長くなります。
注1. ロボットのベースの幅は240mmです。
注2. Z軸クイルは中空シャフト構造を採用しており、エンドエフェクタへ配線ケーブルや空圧配管を通すために利用できます。この中空シャフトの内径は18mmです。
情報更新 : 2026/03/02
© Copyright OMRON Corporation 1996 - 2026.
All Rights Reserved.

