Page top
商品情報トップ
ソリューショントップ
現場の異常にすばやく対応できるシステムをテンプレート活用で簡単構築
現場と経営の情報連携プラットフォームを専門的なIT知識不要で構築
ダウンロードセンタトップ
サービスサポートトップ
eラーニング・セミナトップ
オムロンの提供価値トップ
販売ネットワークトップ
ヒューマンビジョンコンポ(HVC-P2)
形式一覧/価格/オンライン購入
※ Web特別価格提供品
ログインで価格を確認
顔認識など10種類の人理解画像センシングを、製品・装置の制御の負荷影響を抑えた組込みが可能。特長や用途を紹介する動画を公開中。
この商品について
関連情報
情報更新 : 2018/11/01
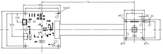
(単位:mm)
水平画角50度タイプ 形B5T-007001-010
水平画角90度タイプ 形B5T-007001-020