(単位:mm)
セーフティ・ドアスイッチ
この商品について
関連情報
情報更新 : 2018/03/12
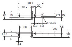
(単位:mm)
注1. 上記、各機種の外形寸法図中、指定のない部分の寸法公差は±0.4mmです。
注2. 2NCの接点ON/OFF動作の同時性にはバラツキがありますので、ご使用の際にはご確認願います。
*コンジット口サイズ
形D4BS-1□FS:Pg13.5
形D4BS-2□FS:G1/2
形D4BS-4□FS:M20
注. 上記、各機種の外形寸法図中、指定のない部分の寸法公差は±0.4mmです。
*1. 挿入半径の値は操作キーの回転の中心点が図中の面(A)上にある場合のものです。
*2. 挿入半径の値は操作キーの回転の中心点が操作キー取付面上にある場合のものです。
情報更新 : 2018/03/12
© Copyright OMRON Corporation 1996 - 2026.
All Rights Reserved.
