| 認証機関 | 規格 |
|---|---|
| UL | ・NRAG(UL 61010-1 および UL 61010-2-201 および UL 121201)
・NRAG7(CSA C22.2 No. 61010-1 および CSA C22.2 No. 61010-2-201 および CSA C22.2 No.213) |
| 船舶 | NK、LK |
NXシリーズ 通信コントロールユニット
情報更新 : 2025/06/23
| 認証機関 | 規格 |
|---|---|
| UL | ・NRAG(UL 61010-1 および UL 61010-2-201 および UL 121201)
・NRAG7(CSA C22.2 No. 61010-1 および CSA C22.2 No. 61010-2-201 および CSA C22.2 No.213) |
| 船舶 | NK、LK |
また、NXシリーズ 通信コントロールユニットは、RCMおよびKC(韓国電波法)の適合登録をしています。
| 項目 | 仕様 | |
|---|---|---|
| 構造 | 盤内内蔵型(開放型) | |
| 接地方法 | D種接地(第3種接地) | |
| 使用環境 | 使用周囲温度 | 0~55℃ |
| 使用周囲湿度 | 10~95%RH(結露・氷結のないこと) | |
| 使用周囲雰囲気 | 腐食性ガスのないこと | |
| 保存周囲温度 | -25~+70℃(ただし、結露・氷結のないこと) | |
| 使用標高 | 2,000m以下 | |
| 汚染度 | 汚染度2以下 | |
| 耐ノイズ性 | IEC61131-2準拠
2kV(電源ライン) |
|
| 絶縁構造 | CLASS III(SELV) | |
| 過電圧カテゴリ | Ⅱ | |
| EMCイミュニティレベル | ゾーンB | |
| 耐振動 | IEC60068-2-6に準拠
5~8.4Hz 振幅3.5mm、 8.4~150Hz 加速度9.8m/s2 X、Y、Z各方向 100分(掃引時間10分×掃引回数10回=合計100分) |
|
| 耐衝撃 | IEC60068-2-27に準拠
147m/s2 X、Y、Z各方向3回 |
|
| 絶縁抵抗 | 絶縁されている回路間 20MΩ(DC100Vにて) | |
| 耐電圧 | 絶縁されている回路間 AC510V
1分間、漏れ電流5mA以下 |
|
| 取付方法 | DINレール取付(IEC60715 TH35-7.5/TH35-15) | |
| ユニット名称 | 通信コントロールユニット | |
|---|---|---|
| 形式 | 形NX-CSG320 | |
| LED表示 | [RUN] LED、[ERROR] LED、[BUSY] LED、[SD PWR] LED、
[SD BUSY] LED、[NS] LED x 2、[L/A] LED、 [L/A 2A] LED、 [L/A 2B] LED、[TS] LED、[UNIT PWR] LED、[I/O PWR] LED ![]() |
|
| ハードウェアスイッチ設定 | [IP ADDRESS 1] スイッチ(x16、x1)、
[IP ADDRESS 2] スイッチ(x16、x1)、ディップスイッチ
*工場出荷時 IP ADDRESS1: 192.168.1.1 [IP ADDRESS 1]スイッチ=「00」 IP ADDRESS2: 192.168.250.1 [IP ADDRESS 2]スイッチ=「00」 |
|
| 外形寸法*1 | 72(W)×100(H)×90(D) | |
| 質量* 2 | 390g | |
| 接続可能NXユニット台数 | 32台以下 | |
| NXユニット間通信設定可能数 | 最大254ポート *3 | |
| ユニット
電源供給 |
電源電圧 | DC24V(DC20.4V ~28.8V) |
| ユニット消費電力 *4 | 5.95W | |
| 突入電流 *5 | 常温にてコールドスタート時
10A以下、0.1ms以下 および、 2.5A以下、150ms以下 |
|
| 電源端子電流容量 *6 | 4A | |
| 絶縁方式 | 非絶縁: ユニット電源端子-内部回路間 | |
| NXユニット電源への
電源供給 |
NXユニット電源供給可能電力 | 最大10W |
| NXユニット電源供給効率 | 80% | |
| 絶縁方式 | 非絶縁: ユニット電源端子-NXユニット電源間 | |
| NXユニットへの
I/O電源供給 |
電源電圧 | DC5~24V(DC4.5~28.8V) |
| I/O電源最大電流 | 4A | |
| I/O電源消費電流 | 10mA以下(DC24V時) | |
| 外部接続端子 | スクリューレスクランプ端子台(8端子) | |
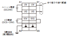
| 端子接続図 | UV/UG:ユニット電源供給端子
IOV/IOG: I/O電源供給端子 ![]() |
|
| 付属品 | エンドカバー(形NX-END02): 1個 | |
| 取付方向と制限 | 正面取付 | |
*1. エンドカバーは含み、突起は含みません。
*2. エンドカバーを含みます。エンドカバーの質量は82gです。
*3. 実際に設定可能な数は(254 - 設定されているCIPSafetyコネクション数 - 設定されているFSoEコネクション数)です。
*4. SDメモリカードを含みます。NXユニットのNXユニット電源消費電力は含まれていません。
*5. 供給される電源がOFFの継続状態からON状態になった時の突入電流値です。
突入電流値は条件により変化する場合があります。ヒューズやブレーカ、外部の電源装置を選定するときは、使用する条件を考慮して、特性や容量に余裕を持つものを選定してください。
特に外部電源からの直流電源にスイッチなどを挿入してON/OFF操作を行う場合に、1秒以下のONOFF-ONサイクルを行うと、突入電流制限回路が動作せず、30A/0.3ms程度の突入電流が発生する場合があります。
*6. 端子に定常的に流すことのできる電流容量です。ユニット電源を渡り配線する場合はこの電流を超えないようにしてください。
| 項目 | 仕様 | |
|---|---|---|
| 形NX-CSG□□□ | ||
| 通信プロトコル | TCP/IP、UDP/IP | |
| サポートサービス | Sysmac Studio 接続、タグデータリンク、CIPメッセージ通信、FTPサーバ、時計自動調整
(NTPクライアント)、SNMP(エージェント)、DNS(クライアント)、BOOTP(クライアン ト)、TCP/UDPメッセージサービス |
|
| 論理ポート数 | 2(IPルーティング機能付き) | |
| 物理層 | 100BASE-TX/10BASE-T(100BASE-TXを推奨)*1 | |
| 伝送仕様 | 媒体アクセス方式 | CSMA/CD |
| 変調方式 | ベースバンド | |
| 伝送路形式 | スター型 | |
| 伝送速度 | 100Mビット/s(100BASE-TX) | |
| 伝送媒体 | ツイストペアケーブル(シールド付: STP): カテゴリ5、5e 以上 | |
| 伝送距離 | 最大100m(ハブとノード間の距離) | |
| カスケード接続数 | 内蔵スイッチングポートは最大50ノードまで。
外部スイッチングハブの使用において制限なし。 |
|
| CIP Safetyルーチング | ルーチング可能な最大CIP Safety
コネクション数 |
254
ただし、マルチキャストコネクションは合計128 |
| ルーチング可能な
最大セーフティデータ長/コネクション |
32バイト | |
| CIPサービス
タグデータリンク (サイクリック通信) |
コネクション数 | 32/論理ポート
(2論理ポート合計で64) |
| パケットインターバル
(更新周期) |
1~10000ms(1ms 単位)
コネクションごとに設定可能(ノード数に依存せず、設定した周期で回線上をデータ更新) |
|
| ユニット許容通信帯域幅 | 12000pps *2
注: ハートビート、CIP Safety ルーチングを含む |
|
| 登録可能なタグ数 | 1024/論理ポート
(2論理ポート合計で2048) |
|
| タグ種別 | ネットワーク変数 | |
| 1コネクション(=1 タグセット)
あたりのタグ数 |
32(タグセットにコントローラステータスを含める場合は31) | |
| 1ノード当たりの
最大リンクデータサイズ |
46208 バイト/論理ポート
合計92416 バイト |
|
| 1コネクションあたりの
最大データサイズ |
1444バイト *3
コネクション内でのデータの同時性は確保されます。 |
|
| 登録可能なタグセット数 | 32/ポート
(1コネクション= 1 タグセット) (2ポート合計で40 *4) |
|
| 1タグセットの最大サイズ | 1444バイト
(タグセットにコントローラステータスを含める場合は2バイト分を使用) |
|
| マルチキャストパケット
フィルタ機能 *5 |
可 | |
| CIPメッセージサービス:
Explicitメッセージ *6 |
Class3
(コネクション数) |
コネクション: 16/論理ポート
(2 論理ポート合計で32) (サーバのみ) |
| UCMM
(非コネクション型) |
同時通信可能な最大クライアント数: 16/論理ポート(2論理ポート合計で32)
同時通信可能な最大サーバ数: 16/論理ポート(2論理ポート合計で32) |
|
| TCP/UDP
メッセージサービス |
同時接続可能なクライアント最大数 | 16/論理ポート(2論理ポート合計で32) |
| 最大メッセージサイズ | リクエスト: 492バイト
レスポンス: 496バイト |
|
| SNMP | エージェント | SNMPv1、SNMPv2c |
| MIB | MIB-II | |
| EtherNet/IPコンフォーマンステスト | CT14準拠 | |
| Ethernet インタフェース | 10BASE-T/100BASE-TX
Auto Negotiation/固定設定 |
|
*1. タグデータリンクを使用する場合は、100BASE-TX を使用してください。
*2. Packet Per Second を意味し、1 秒間に処理可能な送受信パケット数を示します。
*3. データサイズとして505byte 以上を使用する場合は、Large Forward Open(CIP オプション仕様)に対応している必要があります。CS/CJ/NJ/NX シリーズ間では使用可能ですが、他社ノードとの接続の場合、使用される機器がLarge Forward Open 仕様に対応しているか確認してください。
*4. 合計数が40 を超えるタグセットが設定されている場合は、「タグデータリンク タグセット設定数オーバー(840E0000Hex)」のイベントが発生します。
*5. 内蔵EtherNet/IP ポートは、IGMP クライアント(Version 2)を実装しているため、IGMP Snooping 対応のスイッチングハブを使用することで不要なマルチキャストパケットのフィルタリングが行えます。
*6. 使用するTCP/UDPポート番号は、下記の表を参照してください。
通信コントロールユニット形NX-CSG320の内蔵EtherNet/IPポートは、下記に示すTCP/UDPポート番号を使用します。
TCP内、UDP内で使用するポート番号が重複しないように設定してください。
| サービス | 種別 | ポート番号 | 補足 |
|---|---|---|---|
| タグデータリンク | UDP | 2222 | 固定値 |
| システムで使用 | UDP | 2223、2224 | |
| TCP | 9610 | ||
| CIP メッセージ | TCP | 44818 | |
| FTP クライアント(データ転送ポート) | TCP | 20 | |
| DNS クライアント | TCP/UDP | 53 | |
| BOOTP クライアント | UDP | 68 | |
| HTTP サーバ | TCP | 80 | |
| システム使用、その他 | TCP/UDP | 9600 | Sysmac Studio のユニット設定で変更可能 |
| FTP クライアント更可能(制御ポート) | TCP | 21 | |
| TCP/UDP メッセージサービス | TCP/UDP | 64000 | |
| NTP クライアント | UDP | 123 | |
| SNMP エージェント | UDP | 161 | |
| SNMP トラップ | UDP | 162 |
NXシリーズ セーフティコントロールユニットと通信コントロールユニット、および対応するSysmac Studioのバージョンについて、使用可能な組み合わせは次のとおりです。使用するユニットバージョンおよびSysmac Studioのバージョンにより、対応しているセーフティコントロール関連機能が異なります。詳細は『NXシリーズ セーフティコントロールユニット/通信コントロールユニット ユーザーズマニュアル(SGFM-723)』を参照してください。
| セーフティコントロールユニットの形式およびバージョン | NXバスマスタ:通信コントロールユニット | ||
|---|---|---|---|
| 形式 | ユニットバージョン | 通信コントロールユニット
形NX-CSG |
Sysmac Studio *1 |
| 形NX-SL5500 | Ver.1.3 | Ver.1.01以降 | Ver.1.24以降 |
| Ver.1.4 | Ver.1.40以降 | ||
| 形NX-SL5700 | Ver.1.2 | Ver.1.00のみ | Ver.1.24以降 |
| Ver.1.3 | Ver.1.01以降 | Ver.1.24以降 | |
| Ver.1.4 | Ver.1.01以降 | Ver.1.40以降 | |
| 形NX-SIH400 | Ver.1.0 | Ver.1.00以降 | Ver.1.24以降 |
| Ver.1.1 | Ver.1.24以降 | ||
| 形NX-SID800 | Ver.1.0 | Ver.1.00以降 | Ver.1.24以降 |
| 形NX-SOH200 | Ver.1.0 | Ver.1.00以降 | Ver.1.24以降 |
| 形NX-SOD400 | Ver.1.0 | Ver.1.00以降 | Ver.1.24以降 |
*1. Sysmac Studioスタンダードエディションのライセンス版(形SYSMAC-SE2□□L)は、セーフティエディション(形SYSMAC-FE001L)の機能が含まれています。また、Ver.1.24以降にて通信コントロールユニットの使用が可能です。セーフティエディションは、通信コントロールユニットおよびEtherNet/IPカプラユニットを用いたセーフティコントロールシステムのみ使用できます。
情報更新 : 2025/06/23